GM Service Manual Online
For 1990-2009 cars only
Makes
🢒
Buick
🢒
1999
🢒
Riviera
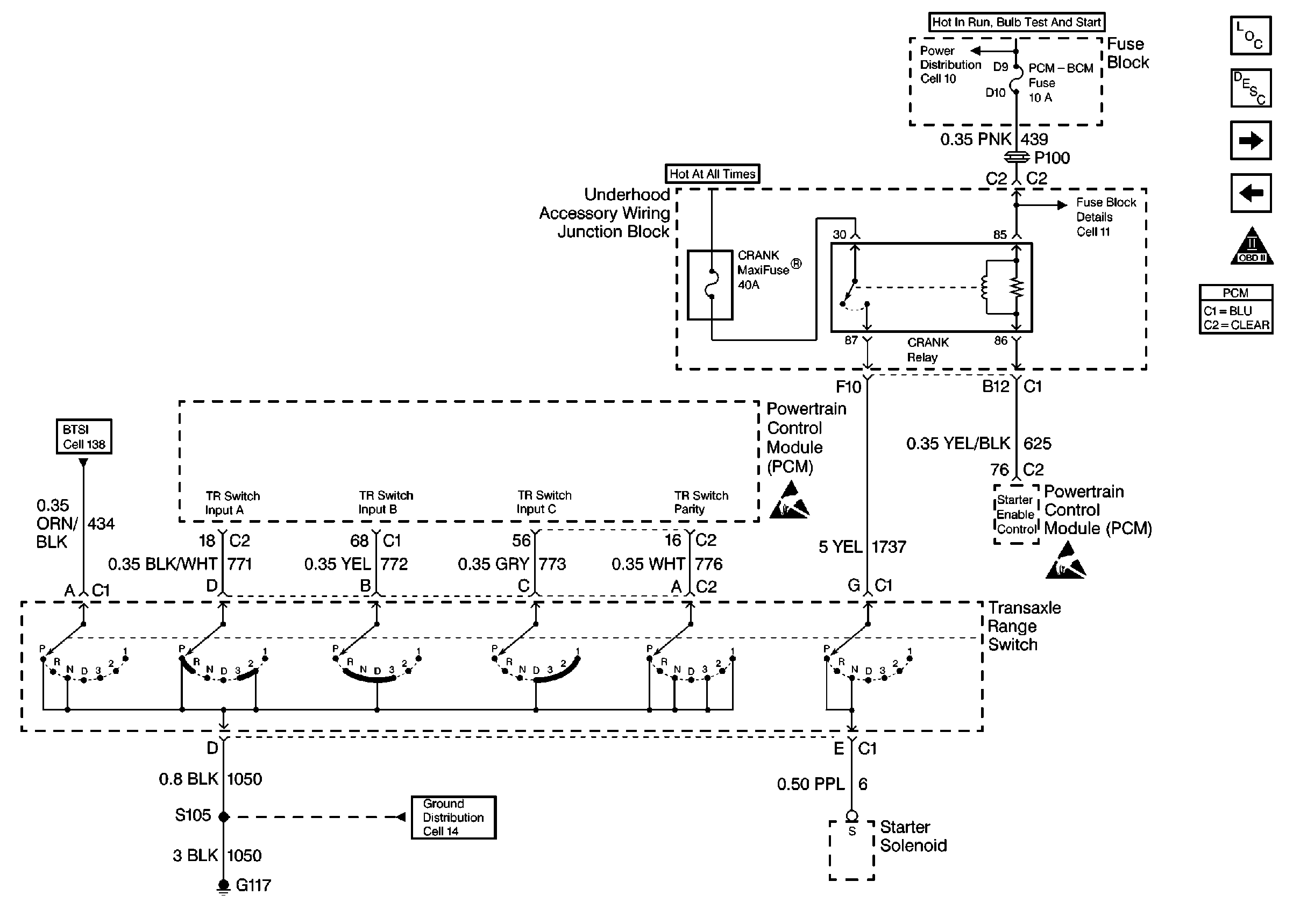
🢒 Transaxle Range Switch
Transaxle Range Switch
Transaxle Range Switch
Engine Controls Components
Information Sensors/Switches Description
IAC, Engine Oil Level, Engine Oil Pressure
Engine Data Sensors-HO2S 1, HO2S 2
OBD II Symbol Description Notice
Powertrain Control Module Connector End Views