GM Service Manual Online
For 1990-2009 cars only
Makes
🢒
Buick
🢒
1999
🢒
Riviera
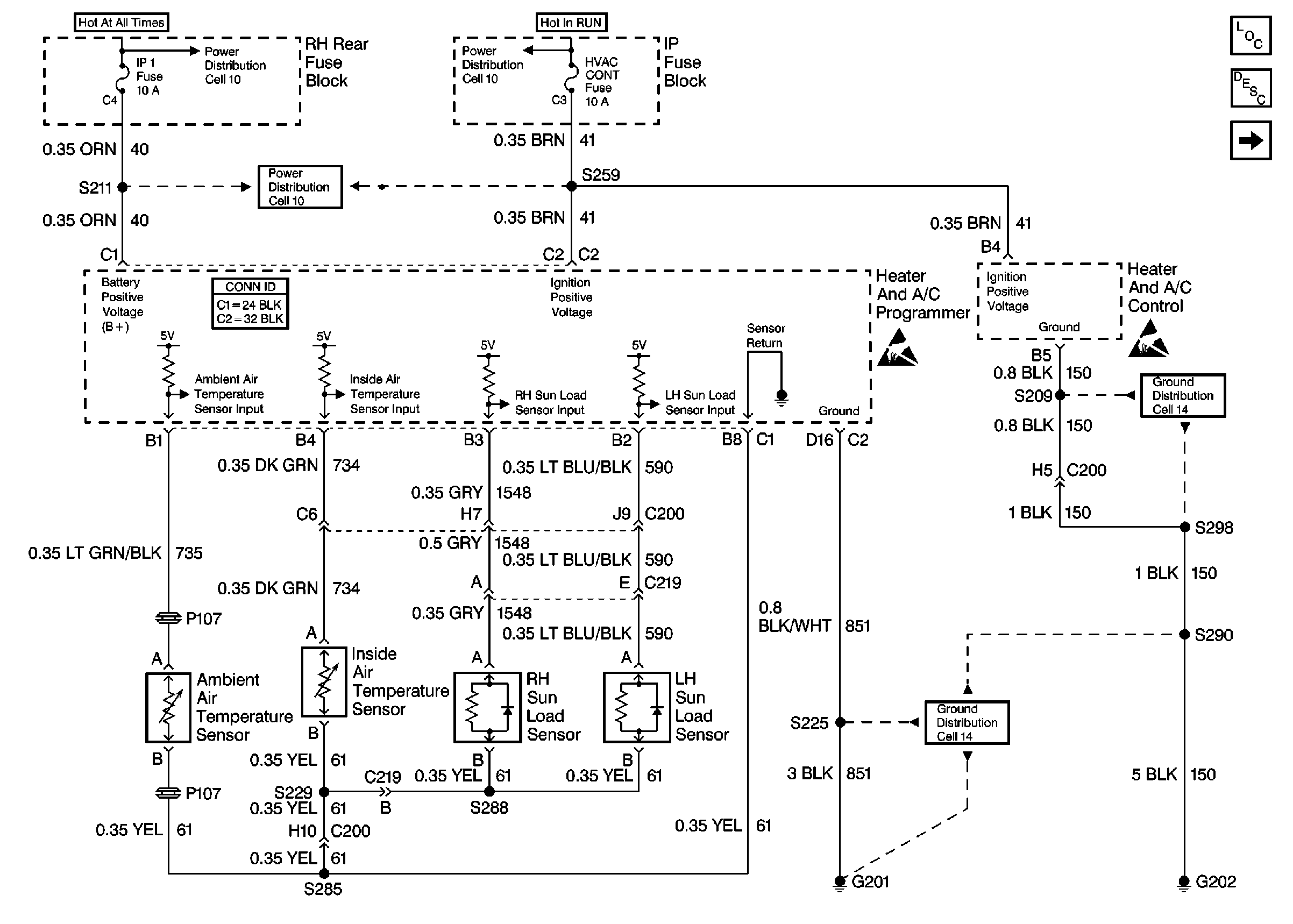
🢒 Cell 68: Temperature Sensors
Cell 68: Temperature Sensors
Cell 68: Temperature Sensors
HVAC Components
HVAC Temperature Controls Circuit Description
Cell 68: Passenger Temperature Control
Cell 10: HTD ST/IP Fuse and EXT LP Fuse
Cell 10: IGN 1 Fuse, Ignition Switch
Cell 10: IP 1 Fuse (1 of 2) (Oldsmobile)
HVAC Connector End Views
Cell 14: G202 (Oldsmobile 1 of 3)
Cell 14: G201 (2 of 2)
Handling ESD Sensitive Parts Notice
Handling ESD Sensitive Parts Notice