GM Service Manual Online
For 1990-2009 cars only
Makes
🢒
Buick
🢒
1999
🢒
Riviera
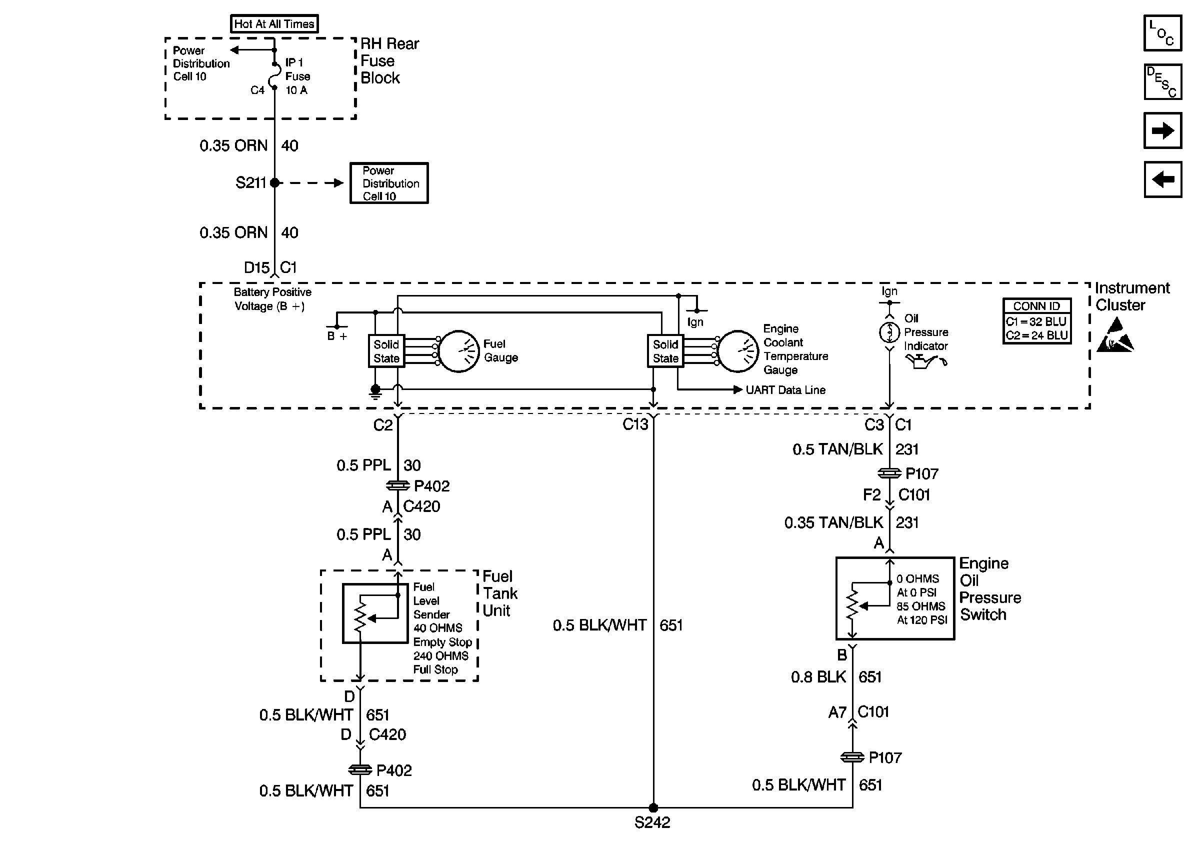
🢒 Cell 81: Oil Pressure Indicator
Cell 81: Oil Pressure Indicator
Cell 81: Oil Pressure Indicator
Instrument Panel, Gages, and Console Component Views
Cell 81: Body Control Module (MALL)
Cell 81: Speedometer
Power Distribution Schematics
Handling ESD Sensitive Parts Notice
Power Distribution Schematics