GM Service Manual Online
For 1990-2009 cars only
Makes
🢒
Buick
🢒
1999
🢒
Riviera
🢒 Cell 15: MALL, DAP Relay, and the Ignition Switch
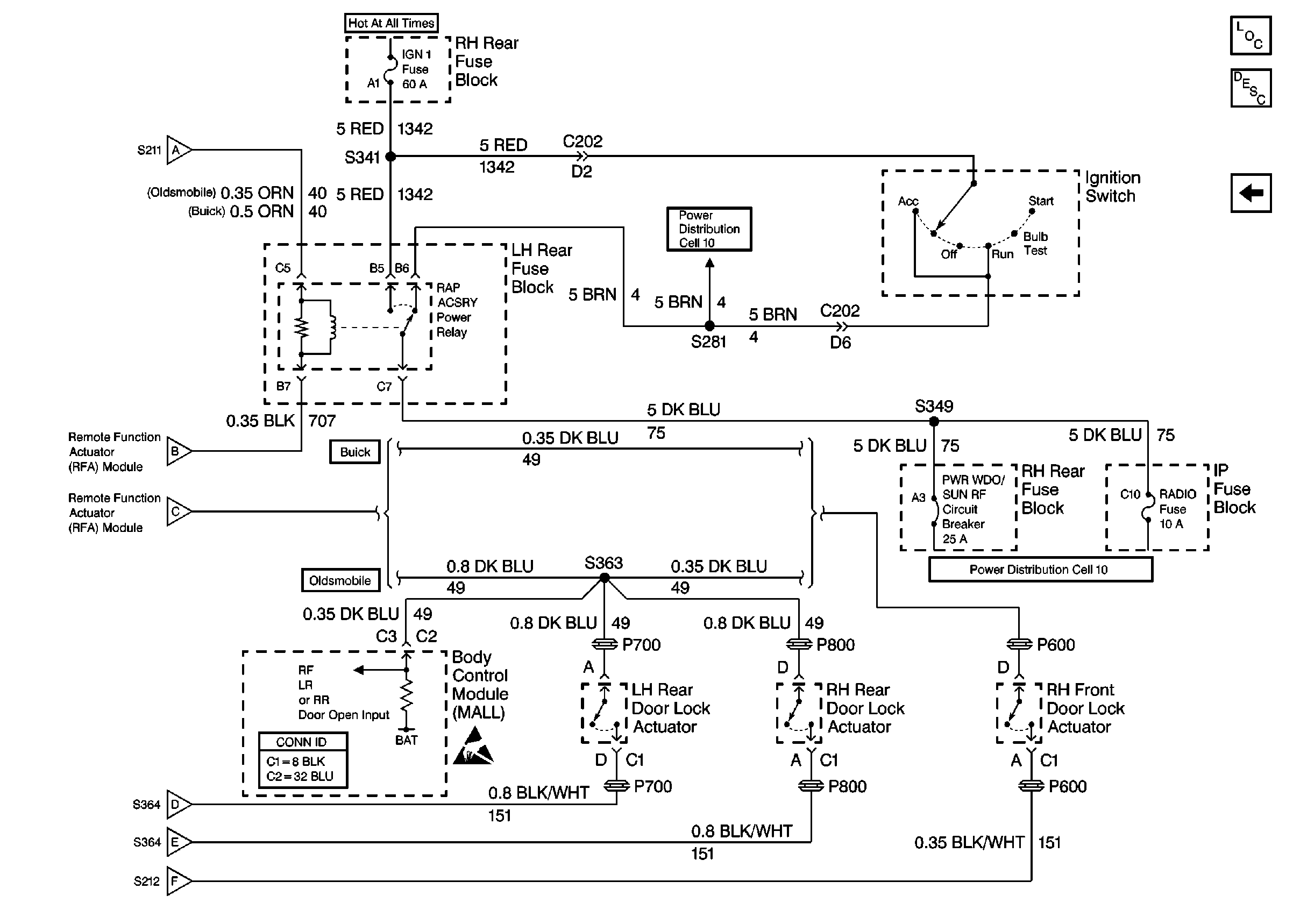
Cell 15: MALL, DAP Relay, and the Ignition Switch
Cell 15: MALL, DAP Relay, and the Ignition Switch
Retained Accessory Power (RAP) Components
Retained Accessory Power (RAP) Description
Cell 15: Power, Ground, and the RFA Module
Cell 15: Power, Ground, and the RFA Module
Cell 15: Power, Ground, and the RFA Module
Cell 15: Power, Ground, and the RFA Module
Cell 15: Power, Ground, and the RFA Module
Cell 15: Power, Ground, and the RFA Module
Power Distribution Schematics
Power Distribution Schematics
Handling ESD Sensitive Parts Notice