GM Service Manual Online
For 1990-2009 cars only
Makes
🢒
Buick
🢒
1999
🢒
Riviera
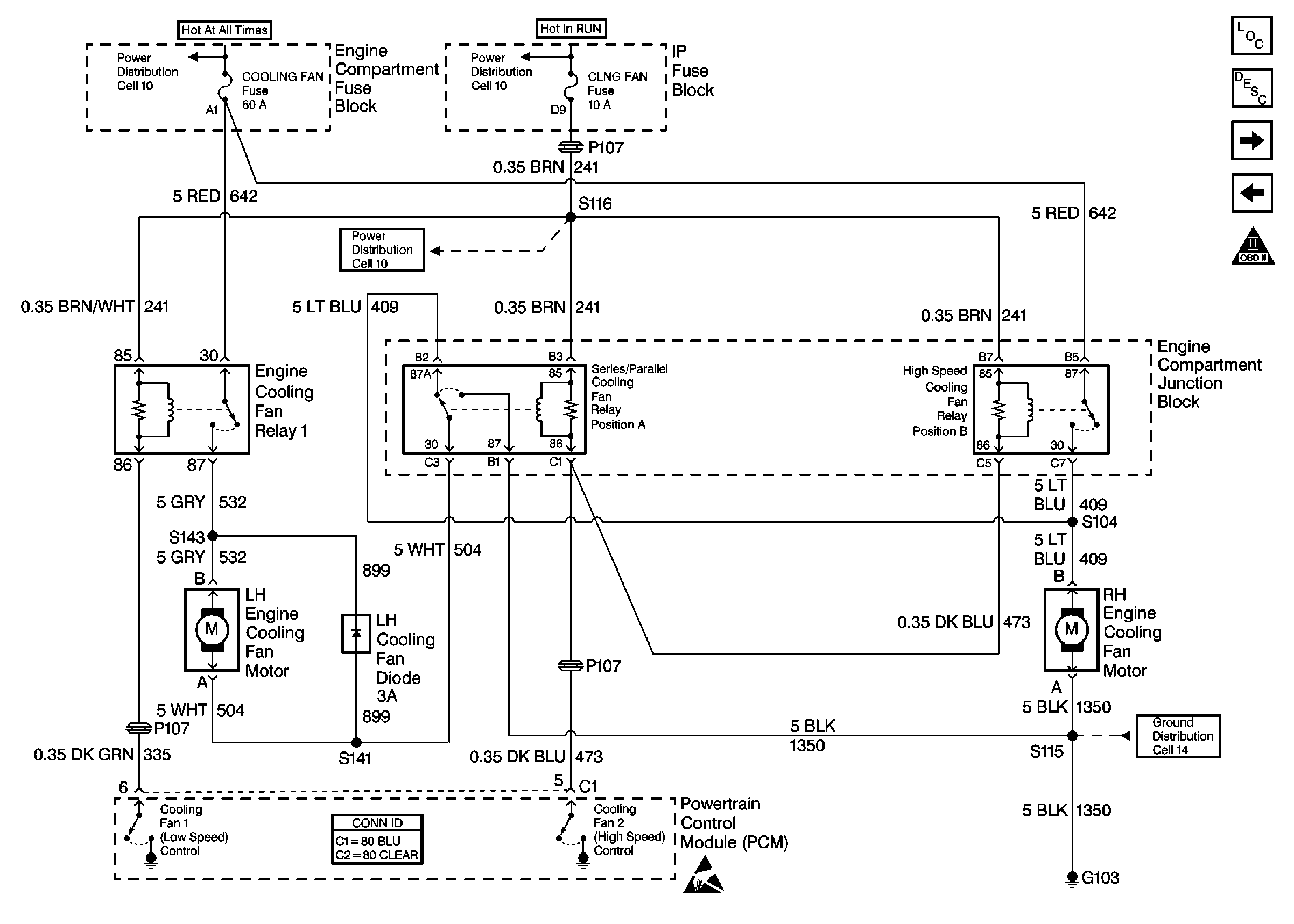
🢒 Cell 20: Cooling Fans
Cell 20: Cooling Fans
Cell 20: Cooling Fans
Engine Controls Components
Powertrain Control Module Description
Cell 20: A/C Compressor Control
OBD II Symbol Description Notice
Cell 10: Battery
Cell 10: HVAC RELAY Fuse and CLNG FAN Fuse (Buick)
Cell 10: HVAC RELAY Fuse and CLNG FAN Fuse (Buick)
Powertrain Control Module Connector End Views
Handling ESD Sensitive Parts Notice
Cell 14: G103 (2 of 2)