GM Service Manual Online
For 1990-2009 cars only
Makes
🢒
Buick
🢒
1999
🢒
Riviera
🢒 Cell 68: Actuator
Cell 68: Actuator
Cell 68: Actuator
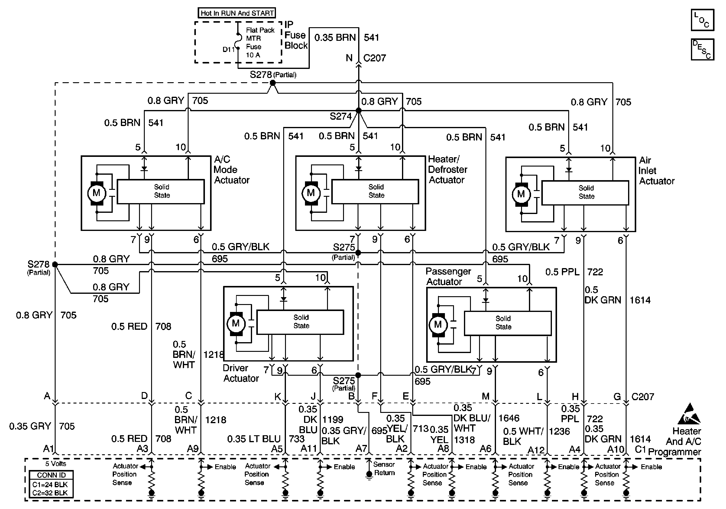
HVAC Components
HVAC Temperature Controls Circuit Description
Handling ESD Sensitive Parts Notice
HVAC Connector End Views