GM Service Manual Online
For 1990-2009 cars only

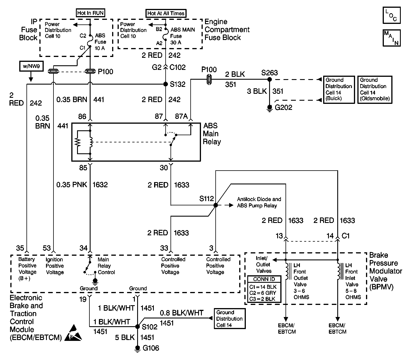
Object Number: 406532  Size: LF
ABS Components
Cell 44: PWR, GND, and ABS Relays
Handling ESD Sensitive Parts Notice
Cell 10: IGN 1 Fuse, Ignition Switch
Cell 10: Battery
Cell 14: G202 (Buick 1 of 3)
Cell 14: G202 (Oldsmobile 2 of 3)
Cell 14: G102, G104, G106, G110, and G301 (Battery Ground)
Cell 44: PWR, GND, and ABS Relays
Cell 44: Stoplamp/BTSI Switch, Inlet/Outlet Solenoid Valve, and WHEEl Speed Sensors
Cell 44: Stoplamp/BTSI Switch, Inlet/Outlet Solenoid Valve, and WHEEl Speed Sensors

Circuit Description

When the ignition is first turned to RUN, the EBCM/EBTCM goes through a self-check which lasts 2-4 seconds.

During this test, the EBCM/EBTCM grounds terminal 34. This energizes the main relay. Once the self-check is completed, the main relay remains energized. This delivers battery voltage to both the EBCM/EBTCM and the BPMV during vehicle operation. The constant voltage supply allows the vehicle to enter ABS mode without delay.

The main relay is de-energized whenever a system malfunction causes the amber ANTILOCK indicator to illuminate. This causes the ABS system to shut down.

Conditions for Setting the DTC

DTC C1211 sets when the ignition switch is in RUN and battery voltage is not detected at the EBCM/EBTCM terminal 3 and/or 33.

Action Taken When the DTC Sets

The following actions are taken when the DTC sets:

    • A malfunction DTC is stored
    • The ABS is disabled
    • The ANTILOCK indicator is turned ON

Conditions for Clearing the DTC

The DTC will be cleared under following conditions:

    • Conditions for the malfunction are no longer present. Use the Scan Tool clear DTCs function.
    • 100 ignition switch key cycles have passed with no malfunctions detected

Diagnostic Aids

The following conditions may cause valve supply voltage interruption:

    • An open fuse
    • An open in any of the following circuits:
      • CKT 242
      • CKT 441
      • CKT 1632
      • CKT 1633
    • A short to ground in any of the following circuits:
      • CKT 242
      • CKT 441
      • CKT 1632
      • CKT 1633
    • A slow reacting or open Main relay

A Main relay that reacts slowly due to a mechanical malfunction may cause an intermittent DTC C1211. If the Diagnostic Table suggests replacing the EBCM/EBTCM, install a new relay and recheck the system before replacing the EBCM/EBTCM.

One of the following conditions may cause intermittent malfunctions:

    • A poor connection
    • Rubbed-through wire insulation
    • A wire that is broken inside the insulation

Inspect any suspect circuitry for the following conditions:

    • Backed out terminals
    • Improper mating
    • Broken locks
    • Improperly formed or damaged terminals
    • Poor terminal to wiring connections
    • Physical damage to the wiring harness

Test Description

The numbers below refer to the step numbers in the diagnostic table.

  1. This step checks for an open power feed for the solenoids internal to the BPMV.

  2. This step ensures that the BPMV is not internally shorted to ground.

  3. This step checks the integrity of CKT 1633 to EBCM/EBTCM and the BPMV.

Step

Action

Value(s)

Yes

No

1

Was the ABS Diagnostic System Check performed?

--

Go to Step 2

Go to Diagnostic System Check - ABS

2

  1. Turn the ignition switch to the OFF position.
  2. Disconnect the BPMV connector C1.
  3. Check the connector for proper terminal contact.
  4. Use the J 39200 to measure the resistance across the BPMV at connector C1 terminals 13 and 14.

Is the resistance less than the specified value?

2 ohms

Go to Step 3

Go to Step 17

3

Use the J 39200 in order to measure the resistance across the BPMV at connector C1 terminal 14 and the BPMV case.

Is the resistance within the specified range?

OL (Infinite)

Go to Step 4

Go to Step 17

4

  1. Disconnect the EBCM/EBTCM connector.
  2. Install the J 38716 pinout box.
  3. Use the J 39200 in order to measure the resistance between the J 38716 terminal 1 and the vehicle ground.

Is the resistance less than the specified value?

2 ohms

Go to Step 5

Go to Step 18

5

  1. Use a fused jumper in order to jump between the J 38716 terminals 1 and 34.
  2. Turn the ignition switch to the RUN position.

Does the ANTILOCK indicator turn OFF?

--

Go to Step 6

Go to Step 7

6

  1. Use the J 39200 in order to measure the voltage between J 38716 terminals 1 and 3.
  2. Use the J 39200 in order to measure the voltage between J 38716 terminals 1 and 33.
  3. Use the J 39200 in order to measure the voltage between the BPMV harness side connector C1 terminal 13 and the vehicle ground.
  4. Use the J 39200 in order to measure the voltage between the BPMV harness side connector C1 terminal 14 and the vehicle ground.

Is the voltage on all of the measurements within the specified range?

Battery Voltage

Go to Step 28

Go to Step 19

7

  1. Turn the ignition switch to the OFF position.
  2. Remove the fused jumper.
  3. Disconnect the main relay.
  4. Use the J 39200 in order to measure the resistance between the relay terminals 30 and 87A.

Is the resistance less than the specified value?

2 ohms

Go to Step 8

Go to Step 14

8

Use the J 39200 in order to measure the resistance between relay terminal 85 and terminal 86.

Is the resistance within the specified range?

40-90 ohms

Go to Step 9

Go to Step 14

9

Use the J 39200 in order to measure the resistance between the main relay harness connector terminal 87A and the vehicle ground.

Is the resistance less than the specified value?

2 ohms

Go to Step 10

Go to Step 20

10

Use the J 39200 in order to measure the voltage between the main relay harness connector terminal 87 and the vehicle ground.

Is the voltage within the specified range?

Battery Voltage

Go to Step 11

Go to Step 21

11

  1. Turn the ignition switch to the RUN position.
  2. Use the J 39200 in order to measure the voltage between the main relay harness connector terminal 86 and the vehicle ground.

Is the voltage within the specified range?

Battery Voltage

Go to Step 12

Go to Step 24

12

  1. Install the fused jumper between the main relay harness connector terminals 30 and 87.
  2. Use the J 39200 in order to measure the voltage between the J 38716 terminals 33 and 1.
  3. Use the J 39200 in order to measure the voltage between the J 38716 terminals 3 and 1.
  4. Use the J 39200 in order to measure the voltage between the BPMV harness connector C1 terminal 14 and the vehicle ground.
  5. Use the J 39200 in order to measure the voltage between the BPMV harness connector C1 terminal 13 and the vehicle ground.

Is the voltage within the specified range?

Battery Voltage

Go to Step 13

Go to Step 19

13

  1. Turn the ignition switch to the OFF position.
  2. Install the fused jumper between the main relay harness connector terminals 85 and 86.
  3. Turn the ignition switch to the RUN position.
  4. Use the J 39200 in order to measure the voltage between the J 38716 terminals 34 and 1.

Is the voltage within the specified range?

Battery Voltage

Go to Step 14

Go to Step 15

14

Replace the ABS Main relay. Refer to Wiring Repairs in Wiring Systems.

Is the repair complete?

--

Go to Diagnostic System Check - ABS

--

15

Remove and check the IP fuse block ABS (10 A) fuse.

Is the fuse open?

--

Go to Step 16

Go to Step 27

16

Repair the short to ground in CKT 1632. Refer to Wiring Repairs in Wiring Systems.

Is the repair complete?

--

Go to Diagnostic System Check - ABS

--

17

Replace the BPMV. Refer to Brake Pressure Modulator Valve Replacement .

Is the repair complete?

--

Go to Diagnostic System Check - ABS

--

18

Repair the open or high resistance in CKT 1451. Refer to Wiring Repairs in Wiring Systems.

Is the repair complete?

--

Go to Diagnostic System Check - ABS

--

19

Repair the open or high resistance in CKT 1633. Refer to Wiring Repairs in Wiring Systems.

Is the repair complete?

--

Go to Diagnostic System Check - ABS

--

20

Repair the open or high resistance in CKT 351. Refer to Wiring Repairs in Wiring Systems.

Is the repair complete?

--

Go to Diagnostic System Check - ABS

--

21

Remove and check the engine compartment fuse block ABS MAIN (30 A) fuse.

Is the fuse open?

--

Go to Step 22

Go to Step 23

22

Repair the short to ground in CKT 1633 or CKT 242. Refer to Wiring Repairs in Wiring Systems.

Is the repair complete?

--

Go to Diagnostic System Check - ABS

--

23

Repair the open or high resistance in CKT 242. Refer to Wiring Repairs in Wiring Systems.

Is the repair complete?

--

Go to Diagnostic System Check - ABS

--

24

Remove and check the IP fuse block ABS (10 A) fuse.

Is the fuse open?

--

Go to Step 25

Go to Step 26

25

Repair the short to ground in CKT 441. Refer to Wiring Repairs in Wiring Systems.

Is the repair complete?

--

Go to Diagnostic System Check - ABS

--

26

Repair the open or high resistance in CKT 441. Refer to Wiring Repairs in Wiring Systems.

Is the repair complete?

--

Go to Diagnostic System Check - ABS

--

27

Repair the open or high resistance in CKT 1632. Refer to Wiring Repairs in Wiring Systems.

Is the repair complete?

--

Go to Diagnostic System Check - ABS

--

28

Replace the EBCM/EBTCM. Refer to Electronic Brake and Traction Control Module Replacement .

Is the repair complete?

--

Go to Diagnostic System Check - ABS

--