GM Service Manual Online
For 1990-2009 cars only

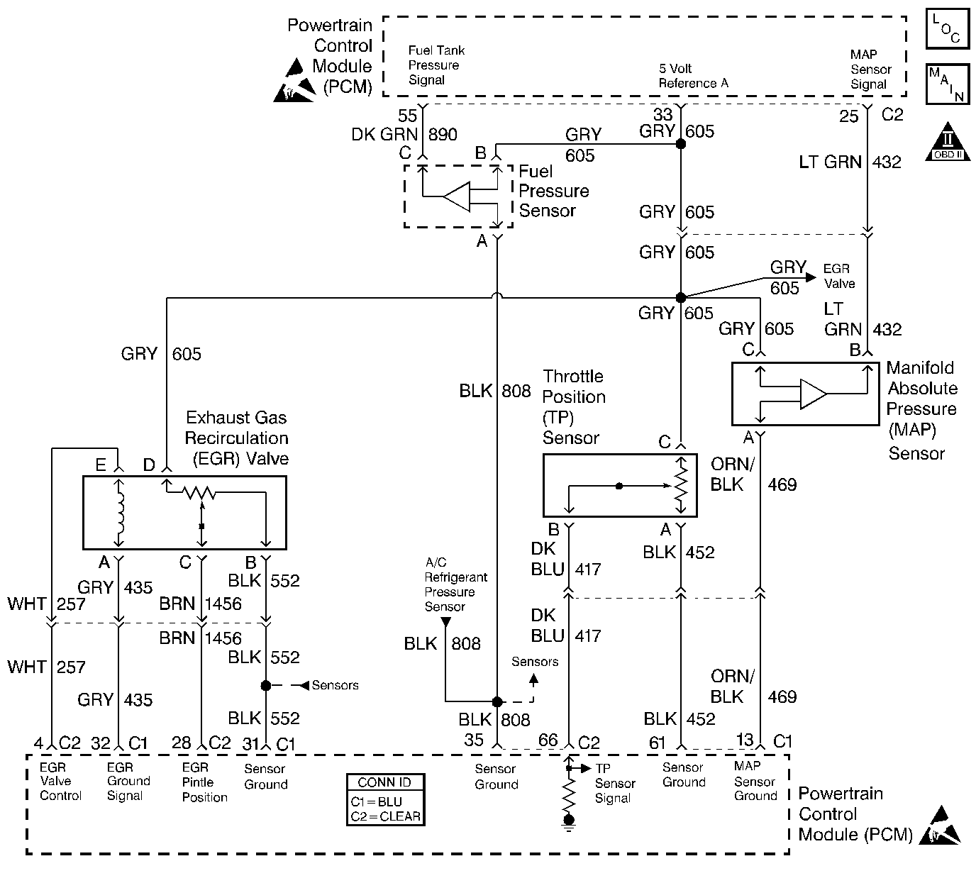
Object Number: 197652  Size: LF
Engine Controls Components
Cell 20: Generator, Oil Level Switch, EBTCM
OBD II Symbol Description Notice
Handling ESD Sensitive Parts Notice

Circuit Description

The PCM uses the 5 Volt Reference A circuit as a sensor feed to the following sensors:

    • The TP sensor.
    • The MAP sensor.
    • The EGR Valve Pintle Position sensor.

The PCM monitors the voltage on the 5 Volt Reference A circuit. If the voltage is out of tolerance, the PCM will set DTC P1635.

Conditions for Running the DTC

The ignition is on.

Conditions for Setting the DTC

    • The PCM detects a voltage out of tolerance condition on the 5 Volt Reference A circuit.
    • The above condition is present for longer than 10 seconds.

Action Taken When the DTC Sets

    • The PCM will illuminate the malfunction indicator lamp (MIL) during the second consecutive trip in which the diagnostic test has been run and failed.
    • The PCM will store conditions which were present when the DTC set as Freeze Frame/Failure Records data.

Conditions for Clearing the MIL/DTC

    • The PCM will turn OFF the malfunction indicator lamp (MIL) during the third consecutive trip in which the diagnostic has run and passed.
    • The history DTC will clear after 40 consecutive warm-up cycles have occurred without a malfunction.
    • The DTC can be cleared by using a scan tool.

Diagnostic Aids

Important: Inspect PCM and engine grounds for being secure and clean.

Check for the following conditions:

    • Poor connection at the PCM.
        Inspect harness connectors for backed out terminals, improper mating, broken locks, improperly formed or damaged terminals, and poor terminal to wire connection.
    • Damaged harness.
        Inspect the wiring harness for damage. If the harness appears to be OK, observe the MAP display on the scan tool with the ignition ON, engine not running while moving connectors and wiring harnesses related to the following sensors. A change in the MAP display will indicate the location of the malfunction.
       - The Fuel Tank Pressure Sensor.
       - The TP sensor
       - The MAP sensor
       - The EGR valve

Reviewing the Fail Records vehicle mileage since the diagnostic test last failed may help you determine how often the condition that caused the DTC to set occurs. This may assist you in diagnosing the condition.

Test Description

The numbers below refer to the step numbers on the diagnostic table.

  1. This vehicle is equipped with a PCM which utilizes an Electrically Erasable Programmable Read Only Memory (EEPROM). When the PCM is being replaced, the new PCM must be programmed. Refer to PCM Replacement/Programming .

DTC P1635 - 5 Volt Reference A Circuit

Step

Action

Value(s)

Yes

No

1

Was the Powertrain On-Board Diagnostic (OBD) System Check performed?

--

Go to Step 2

Go to Powertrain On Board Diagnostic (OBD) System Check

2

  1. Visually/physically check the PCM and engine grounds. Ensure that the grounds are clean and secure. Refer to Ground Distribution Schematics and

    Cell 20: PCM Power and Grounds


    Object Number: 380974  Size: FS
    Engine Controls Components
    Powertrain Control Module Description
    Cell 20: MIL Control, DLC
    OBD II Symbol Description Notice
    Cell 10: PCM Fuse and MAF Fuse (Buick)
    Cell 10: PCM Fuse and MAF Fuse (Buick)
    Cell 10: PCM Fuse and MAF Fuse (Buick)
    Cell 10: PCM Fuse and MAF Fuse (Buick)
    Powertrain Control Module Connector End Views
    Handling ESD Sensitive Parts Notice
    Cell 14: G100 and G101 (Buick)
    Cell 10: Battery
    .
  2. If a problem is found, repair as necessary. Refer to Wiring Repairs .

Was a problem found?

--

Go to Step 11

Go to Step 3

3

  1. Turn OFF the ignition.
  2. Disconnect the EGR.
  3. Turn ON the ignition.
  4. Using a J 39200 Digital Multimeter, measure voltage between the 5 volt reference A circuit and engine ground.

Is voltage near the specified value indicated?

5V

Go to Step 5

Go to Step 4

4

Is voltage near the specified value indicated?

0V

Go to Step 6

Go to Step 8

5

  1. Reconnect EGR Valve.
  2. Disconnect Throttle Position Sensor.
  3. Using a J 39200 Digital Multimeter, measure voltage between the 5 volt reference A circuit and engine ground.

Is voltage near the specified value indicated?

5V

Go to Step 10

Go to Step 9

6

  1. Monitor J 39200 DMM while disconnecting all other devices connected to 5V Ref A one at a time.
  2. If voltage changes when one of the above components is disconnected, replace the component. Refer to appropriate replacement procedure.

Was a component replaced?

--

Go to Step 11

Go to Step 7

7

  1. Turn OFF the ignition.
  2. Disconnect the PCM.
  3. Check the 5 volt reference A circuit for an open or short to ground.
  4. If a problem is found, repair as necessary. Refer to Wiring Repairs .

Was a problem found?

--

Go to Step 11

Go to Step 10

8

  1. Turn OFF the ignition.
  2. Disconnect the PCM.
  3. Turn ON the ignition.
  4. Check the 5 volt reference A circuit for a short to voltage.
  5. If a problem is found, repair as necessary. Refer to Wiring Repairs .

Was a problem found?

--

Go to Step 11

Go to Step 10

9

Replace the EGR valve. Refer to Exhaust Gas Recirculation Valve Replacement .

Is the action complete?

--

Go to Step 11

--

10

Important:: The replacement PCM must be programmed.

Replace PCM. Refer to Powertrain Control Module Replacement/Programming .

Is the action complete?

--

Go to Step 11

--

11

  1. Review and record scan tool Fail Records data.
  2. Clear DTCs.
  3. Operate the vehicle within Fail Records conditions.
  4. Monitor Specific DTC info for DTC P1635 until the DTC P1635 test runs, using a scan tool.

Does the scan tool indicate DTC P1635 failed this ignition?

--

Go to Step 2

System OK