GM Service Manual Online
For 1990-2009 cars only

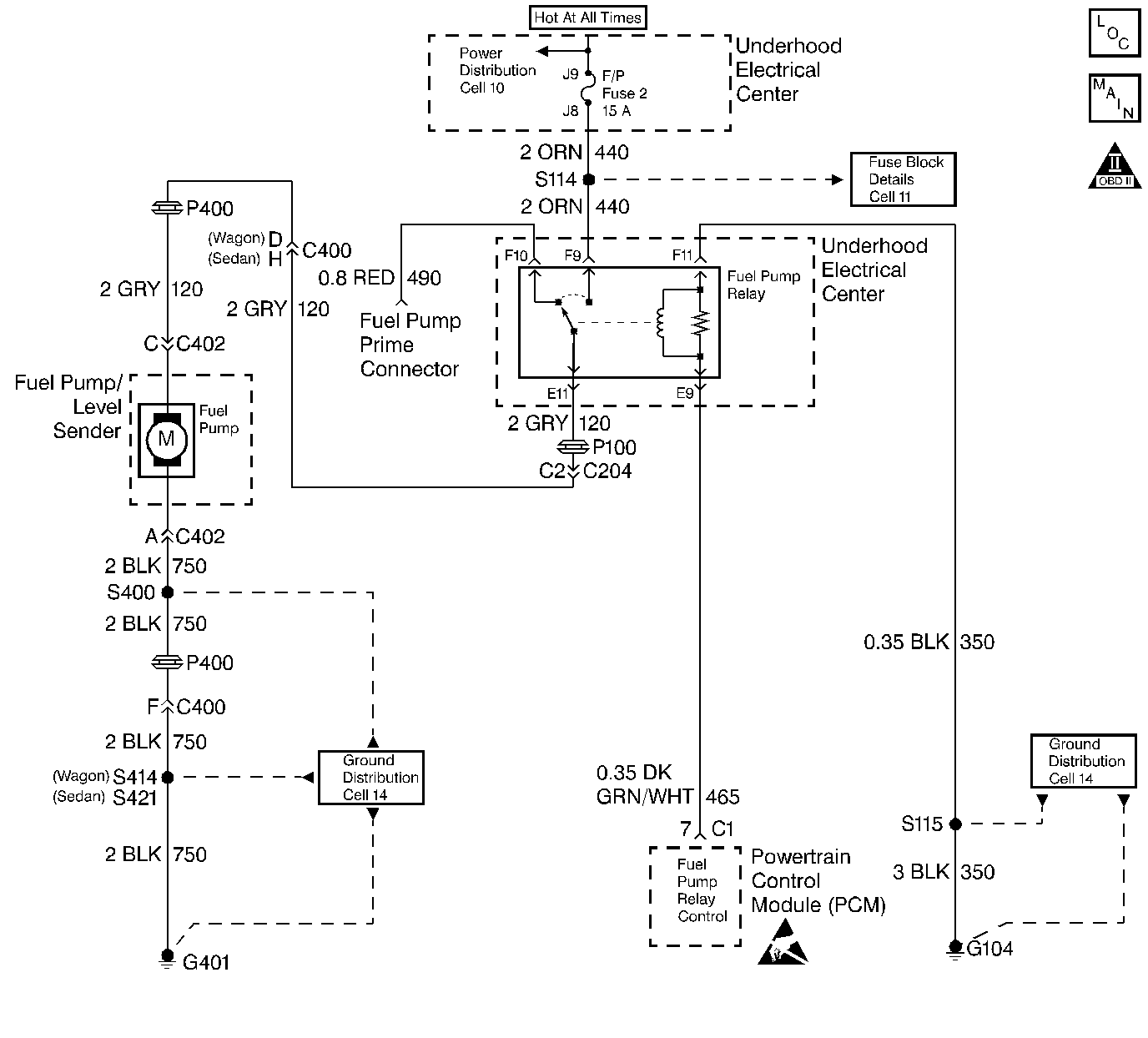
Object Number: 30391  Size: LF
Engine Controls Components
Fuel Pump
OBD II Symbol Description Notice
Handling ESD Sensitive Parts Notice

Circuit Description

When the ignition switch is turned ON, the PCM will activate the in-tank fuel pump. The fuel pump will remain ON as long as the PCM is receiving reference pulses from the distributor ignition system. If there are no reference pulses, the PCM will turn the fuel pump OFF after about 2-3 seconds. The pump will deliver fuel to the fuel rail and injectors, then to the pressure regulator, where the system pressure is controlled at 284-325 kPa (41-47 psi). Excess fuel is returned to the fuel tank. When the engine is stopped, the fuel pump can be turned ON with a scan tool.

    • Improper fuel system pressure will result in one or many of the following symptoms:
    • Cranks but will not run.
    • Cuts out, may feel like an ignition problem.
    • Poor fuel economy.
    • Loss of power.
    • Hesitation.
    • DTCs.

Diagnostic Aids

The following conditions may have caused the fuel pump fuse to open:

    • The fuse was faulty
    • There is an intermittent short in the fuel pump power feed circuit.
    • The fuel pump has an intermittent internal problem. Refer to Symptoms .

Test Description

Number(s) below refer to step numbers on the diagnostic table.

  1. If the fuse is open, this circuit should be checked for a possible short to ground. Refer to Repair Procedures in Electrical Diagnosis (8A Cell 5) for circuit details.

Step

Action

Value(s)

Yes

No

1

Was the Powertrain On-Board Diagnostic (OBD) System Check performed?

--

Go to Step 2

Go to Powertrain On Board Diagnostic (OBD) System Check

2

Check the fuel pump fuse.

Is the fuse open?

--

Go to Step 9

Go to Step 3

3

  1. Disconnect the fuel pump relay.
  2. Probe the battery feed circuit in the fuel pump relay harness connector with test light J 34142-B connected to ground.

Does the test light illuminate?

--

Go to Step 4

Go to Step 12

4

Probe the ground circuit in the fuel pump relay harness connector with test light J 34142-B connected to B+.

Does the test light illuminate?

--

Go to Step 5

Go to Step 13

5

  1. Probe the control circuit in the fuel pump relay harness connector with test light J 34142-B connected to ground.
  2. Using a scan tool, enable the fuel pump.

Does the test light illuminate?

--

Go to Step 6

Go to Step 11

6

Using a fused jumper wire, jumper the battery feed circuit to the fuel pump circuit in the fuel pump relay harness connector.

Does the fuel pump run?

--

Go to Step 18

Go to Step 7

7

  1. Leave the fused jumper wire connected.
  2. Disconnect the fuel pump harness connector at the fuel pump.
  3. Probe the power feed circuit in the fuel pump harness connector with test light J 34142-B connected to ground.

Does the test light illuminate?

--

Go to Step 8

Go to Step 14

8

  1. Leave the fused jumper wire connected.
  2. Connect the test light J 34142-B between the power feed circuit and the ground circuit in the fuel pump harness connector.

Does the test light illuminate?

--

Go to Step 20

Go to Step 15

9

  1. Turn the ignition OFF.
  2. Remove the fuel pump fuse.
  3. Disconnect the fuel pump harness connector at the fuel pump.
  4. Probe the power feed circuit in the fuel pump harness connector with test light J 34142-B connected to B+.

Does the test light illuminate?

--

Go to Step 16

Go to Step 10

10

  1. Reconnect the fuel pump.
  2. Install a new fuel pump fuse.
  3. Turn the ignition ON.
  4. Recheck the fuel pump fuse.

Is the fuse open?

--

Go to Step 20

Go to Diagnostic Aids

11

  1. Turn the ignition OFF.
  2. Disconnect the PCM connector C1.
  3. Using DVM J 39200, check continuity of the fuel pump relay control circuit from the relay harness connector to the PCM connector.

Does the DVM display the specified value (or lower)?

5 ohms

Go to Step 22

Go to Step 17

12

Repair the open relay battery feed circuit.

Is the action complete?

--

Go to Step 24

--

13

Repair the open relay ground circuit.

Is the action complete?

--

Go to Step 24

--

14

Repair the open fuel pump feed circuit.

Is the action complete?

--

Go to Step 24

--

15

Repair the open fuel pump ground circuit.

Is the action complete?

--

Go to Step 24

--

16

Repair the short to ground in the fuel pump feed circuit.

Is the action complete?

--

Go to Step 24

--

17

Repair the fuel pump relay control circuit.

Is the action complete?

--

Go to Step 24

--

18

Check for poor connections at the relay.

Was a problem found and corrected?

--

Go to Step 24

Go to Step 19

19

Replace the relay.

Is the action complete?

--

Go to Step 24

--

20

Check the fuel pump harness for damage.

Was a problem found and corrected?

--

Go to Step 24

Go to Step 21

21

Replace the fuel pump. Refer to Engine Fuel.

Is the action complete?

--

Go to Step 24

--

22

Check for poor connections at the PCM.

Was a problem found and corrected?

--

Go to Step 24

Go to Step 23

23

Important:: Replacement PCM must be programmed. Refer to Powertrain Control Module Replacement/Programming .

Replace the PCM.

Is the action complete?

--

Go to Step 24

--

24

  1. Using the scan tool, select DTC, Clear Info.
  2. Attempt to start the engine.

Does the engine start and continue to run?

--

Go to Step 25

Go to Step 2

25

  1. Allow engine to idle until normal operating temperature is reached.
  2. Select DTC, Fail This Ign.

Are any DTCs displayed?

--

Go to the applicable DTC table

Go to Step 26

26

Using the scan tool, select Capture Info, Review Info.

Are any DTCs displayed that have not been diagnosed?

--

Go to the applicable DTC table

System OK