GM Service Manual Online
For 1990-2009 cars only

CAMPAIGN: FRONT SEAT ANCHOR BOLT BROKEN- INSTALL BRACKET

MODELS AFFECTED: 1983 & 1984 SKYHAWKS WITH MANUALLY ADJUSTABLE DRIVER'S SEAT

The National Traffic and Motor Vehicle Safety Act, as amended, provides that each vehicle which is subject to a recall campaign of this type must be adequately repaired within a reasonable time after the owner has tendered it for repair. A failure to adequately repair within sixty (60) days after tender of a vehicle is prima facie evidence of failure to repair within a reasonable time.

If the condition is not adequately repaired within a reasonable time, the owners may be entitled to an identical or reasonably equivalent vehicle at no charge or to a refund of the purchase price, less a reasonable allowance for depreciation.

To avoid having to provide these burdensome solutions, every effort must be made to promptly schedule an appointment with each owner and to repair their vehicle as soon as possible. As you will see in reading the attached copy of the letter which is being sent to owners, the owners are being instructed to contact the Buick Home Office if their dealer does not remedy the condition within five (5) days of the mutually agreed upon service date. If the condition is not remedied within a reasonable time, they are instructed on how to contact the National Highway Traffic Safety Administration.

CONDITION

General Motors has determined that a defect which relates to motor vehicle safety exists in some 1983 and 1984 Buick Shyhawk models equipped with a manually adjustable driver's seat. The metal floor pan anchor bar could fatigue and break around the left front outer seat adjuster stud of the driver's seat. This could allow the stud to separate from the floor pan anchor bar. Although the seat assembly would still be attached to the floor at three other locations, separation of the left front outer seat adjuster stud from the floor pan anchor bar could cause the driver's seat to tip rearward unexpectedly. This could cause a loss of vehicle control which could result in a vehicle crash without prior warning.

DEALER MATERIAL

If your dealership has vehicles involved in this campaign, you will receive the following items:

- List of all vehicles involved in this campaign shipped to your dealership. - One (1) Campaign Identification Label per vehicle involved.

Involved vehicles have been identified by Vehicle Identification Number computer listings. Computer listings contain the complete vehicle identification number, owner name and address data, and are furnished to the involved dealers with the campaign bulletin. Owner name and address data will enable dealers to follow up with owners involved in this campaign.

These listings may contain owner names and addresses obtained from State Motor Vehicle Registration Records. The use of such motor vehicle registration data for any other purpose is a violation of law in several states. Accordingly, you are urged to limit the use of this listing to the follow up necessary to complete this campaign. Any dealer not receiving a computer listing with the campaign bulletin was not shipped any involved vehicles.

OWNER NOTIFICATION

Owners of vehicles involved in this campaign will be notified by Buick Motor Division (see copy of owner letter included in this bulletin).

CHANGE OF OWNER INFORMATION

Dealers are to use the Dealer Comunication System (D.C.S.) to provide Buick Motor Division with subsequent Buick owner information. By reporting a change of owner name or address of a vehicle in campaign status over the D.C.S., the need to send in a C.V.A.R. form for that vehicle is eliminated. Terminal input instructions are covered in the D.C.S. Manual under Section 9, Page 9-J01A and B. PARTS INFORMATION

Parts required to complete this correction are to be obtained from General Motors Service Parts Operations (GMSPO). To ensure these parts will be obtained as soon as possible, they should be ordered from GMSPO on a C.I.O. order with NO special instruction code, but on an advise code (2). It is estimated that parts will be available June 29, 1987.

Description Part Number Quantity Reinforcement Bracket Kit* 20717579 1

* Reinforcement Bracket Kit Contains: 1 - Floor Pan Anchor Bar Reinforcement Bracket 10 - 3/16" X 112" Button Head Aluminum Rivets

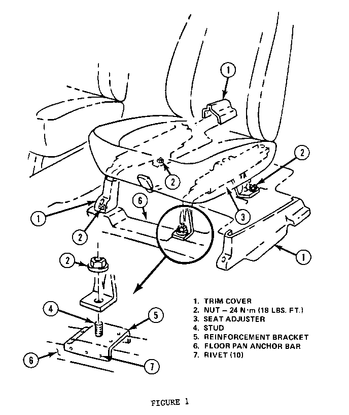
TECHNICAL PROCEDURE (Refer to Figure 1)

A. Left Front Seat Removal 1. Remove seat adjuster trim cover retaining screws and remove trim covers. 2. Remove four (4) seat adjuster-to-floor pan anchor bar nuts and remove seat assembly from car. 3. Remove carpet retainer trim from bottom of door opening. 4. Remove front kick panel. 5. Remove seat belt (shoulder belt) anchor bolt. 6. Lift and roll carpet back to expose the left front outboard floor pan anchor bar stud. 7. Examine floor pan anchor bar at stud location and determine condition of stud to anchor bar attachment.

o If stud is loose, i.e. can be rotated in anchor bar or if stud is beginning to tear or has torn away from anchor bar, proceed to Part B, Step 1 of this service procedure. o If stud attachment to anchor bar is secure, proceed to Part C, Step 1, of this service procedure. (Small cracks in anchor bar sheet metal at stud location are acceptable if stud will not rotate when seat adjuster-to-floor pan anchor bar nut is tightened. B. Anchor Bar Stud Loose

1. Remove stud from floor pan anchor bar. Stud removal can be accomplished by using a 1/4" drill bit and drilling through any anchor bar sheet metal still attached to stud head. To prevent drilling into the stud head, drill through anchor bar sheet metal approximately 1/2" from stud center. Care must be taken not to damage threads on stud.

2. Using a bench grinder, grind off jagged edges of sheet metal on stud head. It is not necessary to remove the sheet metal remaining on the inside (thread side) of stud head.

3. From underside of reinforcement bracket, place stud through hole and tack weld stud to bracket. (Purpose of weld is to keep stud from rotating when seat adjuster-to-floor pan anchor bar nut is tightened.)

4. Position reinforcement bracket (sloped end inboard) on top of floor pan anchor bar. Head on the stud should be positioned into the hole left in anchor bar where stud was removed. Be sure underside of reinforcement bracket evenly contacts top surface of anchor bar.

5. With reinforcement bracket correctly positioned on top of anchor bar, drill four (4) 3/16" holes in top of anchor bar using the pre-drilled holes in reinforcement bracket as a guide.

6. Proceed to Part C, Step 3 of this Service Procedure.

C. Anchor Bar Stud Secure

1. Place reinforcement bracket (sloped end inboard) over anchor bar stud and allow bracket to self-locate on top of anchor bar. Be sure underside of reinforcement bracket evenly contacts top surface of anchor bar.

2. With reinforcement bracket correctly positioned on top of anchor bar, drill four (4) 3/16" holes in top of anchor bar using the pre-drilled holes in reinforcement bracket as a guide.

3. To secure reinforcement bracket to anchor bar,install and fasten four (4) 3/16" x 1/2" rivets in drilled holes.

4. Repeat drilling and rivet installation procedure for the remaining six (6) holes (3 each side) in the reinforcement bracket. Using a magnet, remove and dispose of metal shavings left from drilling operation.

5. To reassemble, reverse Steps 1 through 5 in Part A of this procedure. Tighten adjuster to floor pan anchor bar nuts to 24 N.m (18 lb. ft.) When reinstalling seat belt anchor bolt, be sure belt is not twisted. Tighten seat belt anchor bolt to 42 N-m (31 lb. ft.).

6. Check seat adjuster for proper operation.

D. Campaign Identification Label Installation

Install a Campaign Identification Label. Each vehicle modified in accordance with the instructions outlined in this procedure will require a Campaign Identification Label. Each label provides a space to include the campaign number, the five (5) digit dealer code of the dealer performing the campaign service, and the date vehicle was campaigned. This information may be inserted with a typewriter or ballpoint pen. When installing label, clean and dry the surface of the radiator upper mounting support and apply the campaign label where it is readily visible.

WARRANTY INFORMATION

LIST THE ONE APPLICABLE LABOR OPERATION

SUBLET PART PART FAILURE LABOR LABOR OTHER* DEALER OPER. COUNT PART NO. ALLOW. CODE OP NO HOURS HOURS MTL TWG ---- ----- ------- ----- ----- ----- ----- ----- ------- o Install floor pan anchor bar reinforcement bracket kit. 1 20717579 *** 96 V3980 .6 .1 ---

o Remove "loose" stud from floor Pan anchor bar, tack weld to Reinforcement Bracket, and install Reinforcement Bracket Kit --- 1 20717579 *** 96 V3981 .7** .1

* Dealer Administrative Allowance ** Includes added .1 labor hour to remove loose stud and tack weld to reinforcement bracket. *** List current dealer price of kit, plus 30%.

Dear Buick Owner:

This notice is sent to you in accordance with the requirements of the National Traffic and Motor Vehicle Safety Act.

General Motors has determined that a defect which relates to motor vehicle safety exists in some 1983 and 1984 Buick Skyhawk models equipped with a manually adjustable driver's seat. The metal floor pan anchor bar could fatique and break around the left front outer seat adjuster stud of the driver's seat. This could allow the stud to separate from the floor pan anchor bar. Although the seat assembly would still be attached to the floor at three other locations, separation of the left front outer seat adjuster stud from the floor pan anchor bar could cause the driver's seat to tip rearward unexpectedly. This could cause a loss of vehicle control which could result in a vehicle crash without prior warning.

To prevent this from occurring on your vehicle, please contact your Buick dealer to arrange a service date. The dealer will install a reinforcement bracket on the floor pan anchor bar at the left front outer seat adjuster position of the driver's seat. This service will be completed for you at no charge.

Instructions have been sent to your Buick dealer. It is estimated that parts will be available on or about . The labor time to install the floor pan anchor bar reinforcement bracket is approximately 35 minutes. Please ask your dealer if you wish to know how much additional time will be required to process your vehicles.

Your Buick dealer is best equipped to provide service to ensure your vehicle is corrected as promptly as possible. However, if you take your vehicle to your dealer on the agreed service date, and your vehicle's condition is not remedied on that date or within five days, we recommend that you contact the Customer Assistance Department, Flint Home Office by calling 800-521-8350.

If you are still not satisfied that we have done our best to remedy this condition, without charge, within a reasonable time, you may wish to write the Administrator, National Highway Traffic Safety Administration, 400 Seventh Street, S.W., Washington, DC, 20590; or call 1-800-424-9393 (Washington, DC residents use 426-0123).

The enclosed owner reply card identifies your vehicle. Presentation of this card to your dealer will assist in making the correction in the shortest possible time. If you have sold or traded your vehicle, please let us know by completing the postage paid owner reply card and returning it to us.

We are sorry to cause you this inconvenience; however, we have taken this action in the interest of your safety and continued satisfaction with our products.

BUICK MOTOR DIVISION General Motors Corporation


Object Number: 90065  Size: LF


Object Number: 87625  Size: SF

General Motors bulletins are intended for use by professional technicians, not a "do-it-yourselfer". They are written to inform those technicians of conditions that may occur on some vehicles, or to provide information that could assist in the proper service of a vehicle. Properly trained technicians have the equipment, tools, safety instructions and know-how to do a job properly and safely. If a condition is described, do not assume that the bulletin applies to your vehicle, or that your vehicle will have that condition. See a General Motors dealer servicing your brand of General Motors vehicle for information on whether your vehicle may benefit from the information.