GM Service Manual Online
For 1990-2009 cars only
Makes
🢒
Buick
🢒
1997
🢒
Skylark
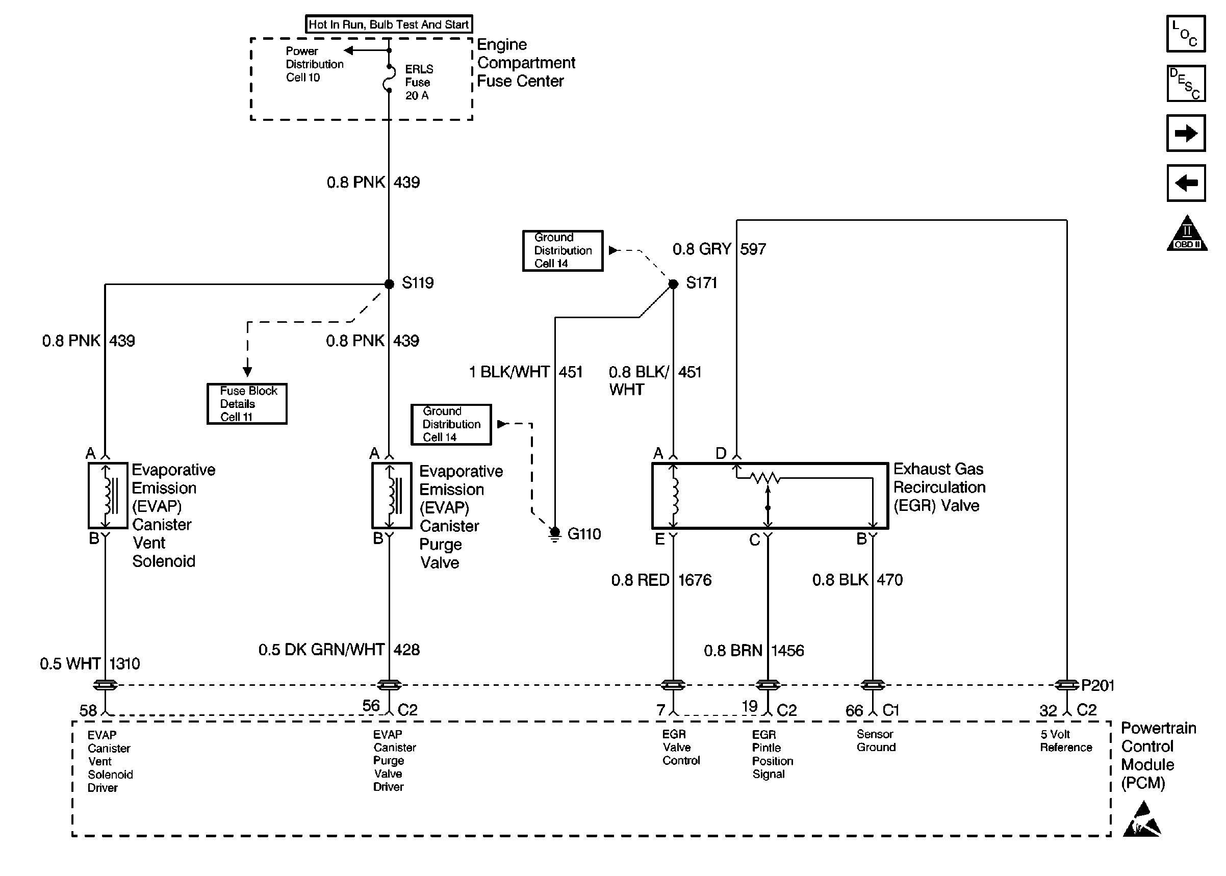
🢒 EVAP and EGR Controls
EVAP and EGR Controls
EVAP and EGR Controls
Engine Controls Components
Information Sensors
Oxygen Sensors
Engine Data Sensors
OBD II Symbol Description Notice
Handling ESD Sensitive Parts Notice