GM Service Manual Online
For 1990-2009 cars only
Makes
🢒
Buick
🢒
1997
🢒
Skylark
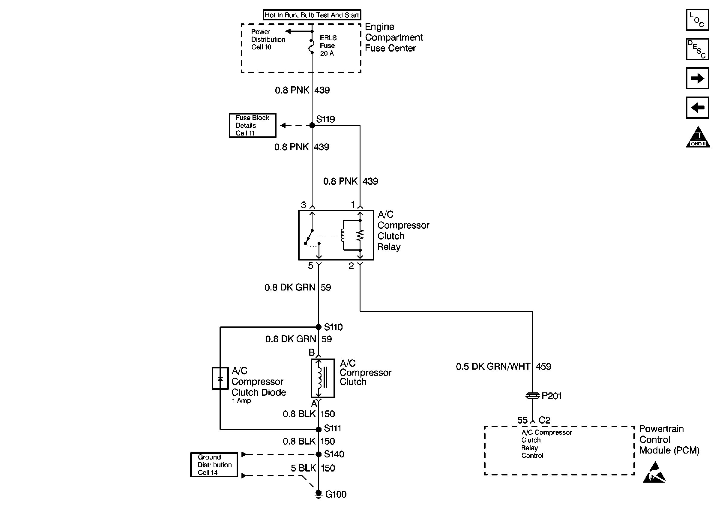
🢒 A/C Controls
A/C Controls
A/C Controls
Engine Controls Components
Information Sensors
Cooling Fan Controls
Transaxle Controls
OBD II Symbol Description Notice
Handling ESD Sensitive Parts Notice