GM Service Manual Online
For 1990-2009 cars only
Makes
🢒
Buick
🢒
1997
🢒
Skylark
🢒 Oxygen Sensors
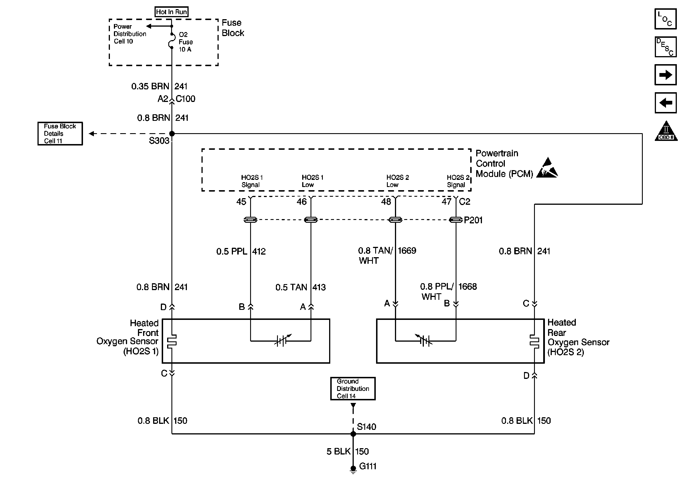
Oxygen Sensors
Oxygen Sensors
Engine Controls Components
Information Sensors
IAC Valve, Generator, TR, Oil, and Coolant Switches
EVAP and EGR Controls
OBD II Symbol Description Notice
Handling ESD Sensitive Parts Notice