GM Service Manual Online
For 1990-2009 cars only

Refer to

Ignition Controls


Object Number: 32965  Size: FS
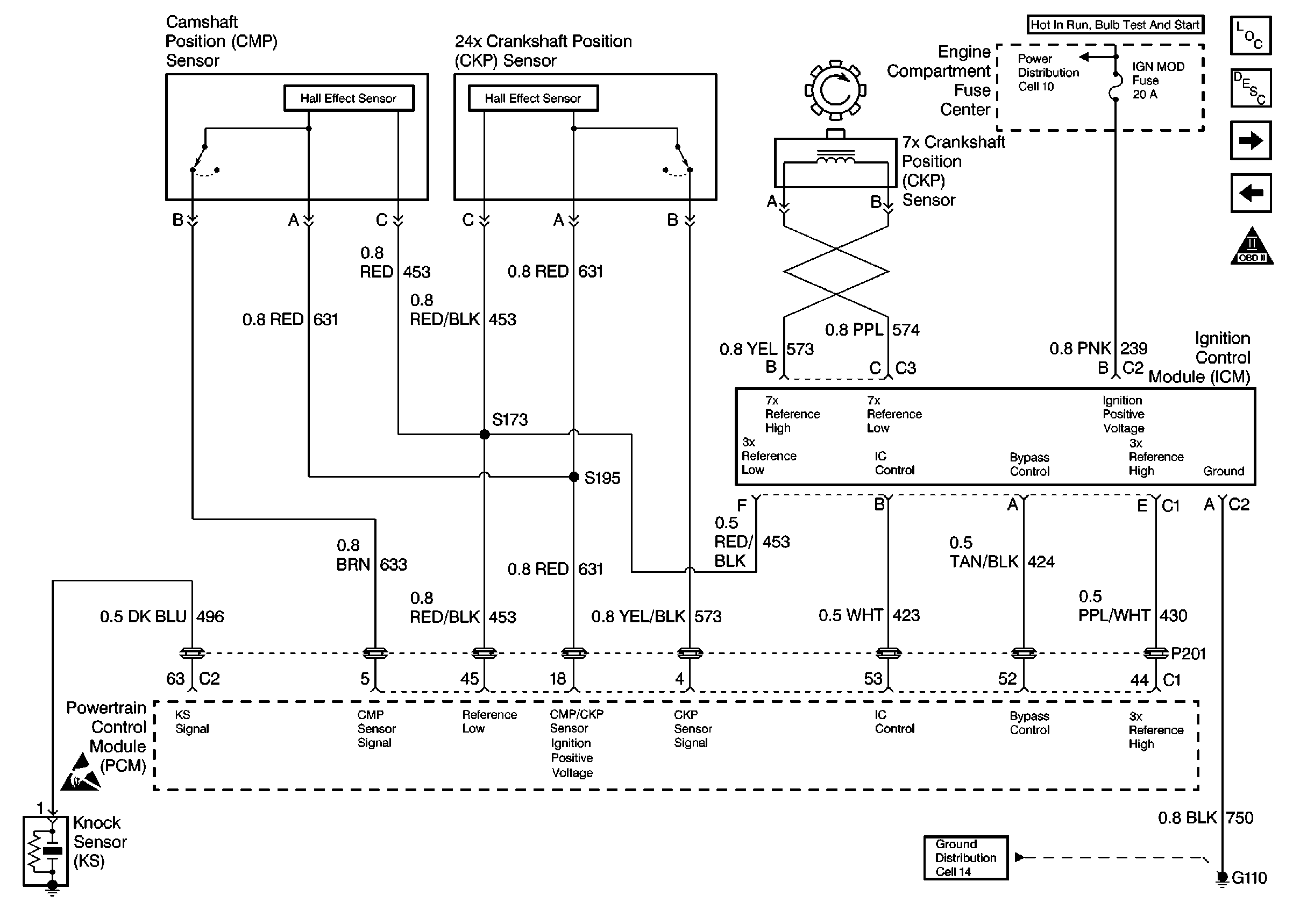
Engine Controls Components
Information Sensors
Fuel Controls
Power, Ground, MIL, and DLC
OBD II Symbol Description Notice
Handling ESD Sensitive Parts Notice
schematic.

Circuit Description

The 24X reference signal is used to improve idle spark control at low engine speeds. The PCM uses the 24X reference signal to calculate engine rpm and crankshaft position at engine speeds below 1200 rpm. The PCM constantly monitors the number of pulses on the 24X reference circuit and compares the number of 24X reference pulses to the number of 3 X reference pulses and CAM signal pulses being received. If the PCM receives an incorrect number of pulses on the 24X reference circuit, DTC P0336 will set and the PCM will use the 3X reference signal circuit for fuel and ignition control. The engine will continue to start and run using the 3X reference and CAM signals only.

Conditions for Setting the DTC

    • The engine is running (3X reference pulses are being received).
    • The ratio of 24X reference pulses to 3X reference pulses received by the PCM is incorrect.
    • Above conditions for 450 occurrences.

Action Taken When the DTC Sets

    • The PCM will illuminate the malfunction indicator lamp (MIL) during the second consecuitive trip in which the diagnostic has been run and failed.
    • If equipped with traction control, the PCM will command the EBTCM via the serial data circuit to turn OFF traction control, and the EBTCM will illuminate the TRACTION OFF lamp.
    • The PCM will store conditions which were present when the DTC set as Freeze Frame and Failure Records data.

Conditions for Clearing the MIL/DTC

    • The PCM will turn OFF the MIL during the third consecutive trip in which the diagnostic has been run and passed.
    • The History DTC will clear after 40 consecutive warm-up cycles have occurred without a malfunction.
    • The DTC can be cleared by using the scan tool.

Diagnostic Aids

DTC P0336 can be caused by secondary components leaking high voltage into the ignition module. Check for the following conditions:

    • Incorrect harness routing near secondary ignition components.
    • Ignition coil arcing to wiring harness or Ignition Control Module (check ignition coils for cracks, carbon tracking, or other signs of damage).
    • Secondary ignition wire(s) arcing to wiring harness.

An intermittent may be caused by a poor connection, rubbed through wire insulation or a wire broken inside the insulation. Check for:

    • Poor connection. Inspect the PCM harness and connectors for improper mating, broken locks, improperly formed or damaged terminals, and poor terminal to wire connection.
    • Damaged harness. Inspect the wiring harness for damage. If the harness appears to be OK, disconnect the PCM, turn the ignition on and observe a voltmeter connected to the 24X reference circuit at the PCM harness connector while moving connectors and wiring harnesses related to the 24X Crankshaft Position Sensor and Camshaft Position Sensor. The 24X and Camshaft Position sensors share the same sensor feed from the PCM. A change in voltage will indicate the location of the fault.

It also may be helpful to monitor the 24X rpm on the scan tool, to look for erratic rpm fluctuations.

Reviewing the Fail Records vehicle mileage since the diagnostic test last failed may help determine how often the condition that caused the DTC to be set occurs. This may assist in diagnosing the condition.

Test Description

Number(s) below refer to the step number(s) on the Diagnostic Table:

  1. If sent here from DTC P0327 proceed with DTC P0336 Diagnostic even if P0336 has not failed this ignition.

  2. The 24X RPM on the scan tool should change each time the signal circuit is touched.

  3. If the fuse blows in the jumper wire, there is a short to ground on the signal circuit.

  4. This vehicle is equipped with a PCM which utilizes an Electrically Erasable Programmable Read Only Memory (EEPROM). When the PCM is being replaced, the new PCM must be programmed. Refer to Powertrain Control Module Replacement/Programming

DTC P0336 - 24X Reference Signal Circuit

Step

Action

Value(s)

Yes

No

1

Was the Powertrain On Board Diagnostic (OBD) System Check performed?

--

Go to Step 2

Go to Powertrain On Board Diagnostic (OBD) System Check

2

  1. Turn the ignition ON, review and record scan tool fail records data.
  2. Operate vehicle within fail records condtion as noted.
  3. Using a scan tool, monitor specific DTC info for DTC P0336 until DTC P0336 test runs.

Does scan tool indicate DTC P0336 failed this ignition?

--

Go To Step 3

Go To Diagnostic Aids

3

Using the scan tool monitor 24X RPM. Does 24X RPM vary with engine speed up to approximately 1600 RPM?

--

Go To Diagnostic Aids

Go To Step 4

4

  1. Turn the ignition OFF.
  2. Disconnect the 24X CKP sensor connector.
  3. Turn the ignition ON leaving the engine OFF.
  4. Using J39200 DMM, check for voltage at 24X sensor feed circuit.

Does DMM display a voltage near the specified value?

B+

Go To Step 6

Go To Step 5

5

  1. Turn the ignition OFF.
  2. Disconnect the PCM.
  3. Check for an open or short to ground in the 24X CKP sensor feed circuit, repair as necessary. Refer to Repair Procedure in Electrical Diagnosis.

Was a problem found?

--

Go To Step 16

Go To Step 12

6

  1. Connect an unpowered test lamp to battery positive voltage.
  2. Touch 24X CKP sensor ground circuit.

Does test lamp light?

--

Go To Step 8

Go To Step 7

7

  1. Turn the ignition OFF.
  2. Disconnect the PCM.
  3. Check for an open in the 24X CKP sensor ground, repair as necessary. Refer to Wiring Repairs in Electrical Diagnosis.

Was a problem found?

--

Go To Step 16

Go To Step 12

8

  1. Monitor 24X RPM on the scan tool.
  2. Using a 5 amp fused jumper wire connected to battery positive voltage momentarily touch the signal circuit 5 times for a duration of 1 second each.

Does 24X RPM change EACH time the signal circuit is touched?

--

Go To Step 14

Go To Step 9

9

Did the fuse in the jumper wire blow?

--

Go To Step 11

Go To Step 10

10

Check signal circuit for an open or a short to voltage, repair as necessary. Refer to Repair Procedures in Electrical Diagnosis.

Was a problem found?

--

Go To Step 16

Go To Step 12

11

Check signal circuit for a short to ground, repair as necessary. Refer to Repair Procedures in Electrical Diagnosis.

Was a problem found?

--

Go To Step 16

Go To Step 12

12

Check connections at PCM and replace terminals as necessary. Refer to Repair Procedures in Electrical Diagnosis.

Did any terminals require replacement?

--

Go To Step 16

Go To Step 13

13

Replace PCM.

Import: Replacement PCM must be reprogrammed. Refer to Powertrain Control Module Replacement/Programming .

Is action complete?

--

Go To Step 16

--

14

Check connections at 24X CKP sensor and replace terminals as necessary. Refer to Repair Procedure in Electrical Diagnosis.

Did any terminals require replacement?

--

Go To Step 16

Go To Step 15

15

Replace 24X CKP sensor. Refer to Crankshaft Position Sensor Replacement .

Is action complete?

--

Go to Step 16

--

16

  1. Review and record fail records data.
  2. Clear DTCs.
  3. Operate vehicle within fail records parameters as noted.
  4. Using scan tool monitor Specific DTC for DTC P0336 until the DTC P0336 test runs.
  5. Does scan tool indicate DTC P0336 failed this ignition?

--

Go To Step 2

Repair Complete.