GM Service Manual Online
For 1990-2009 cars only

Automatic Transmission Controls Schematics 3.1L

Figure 1:

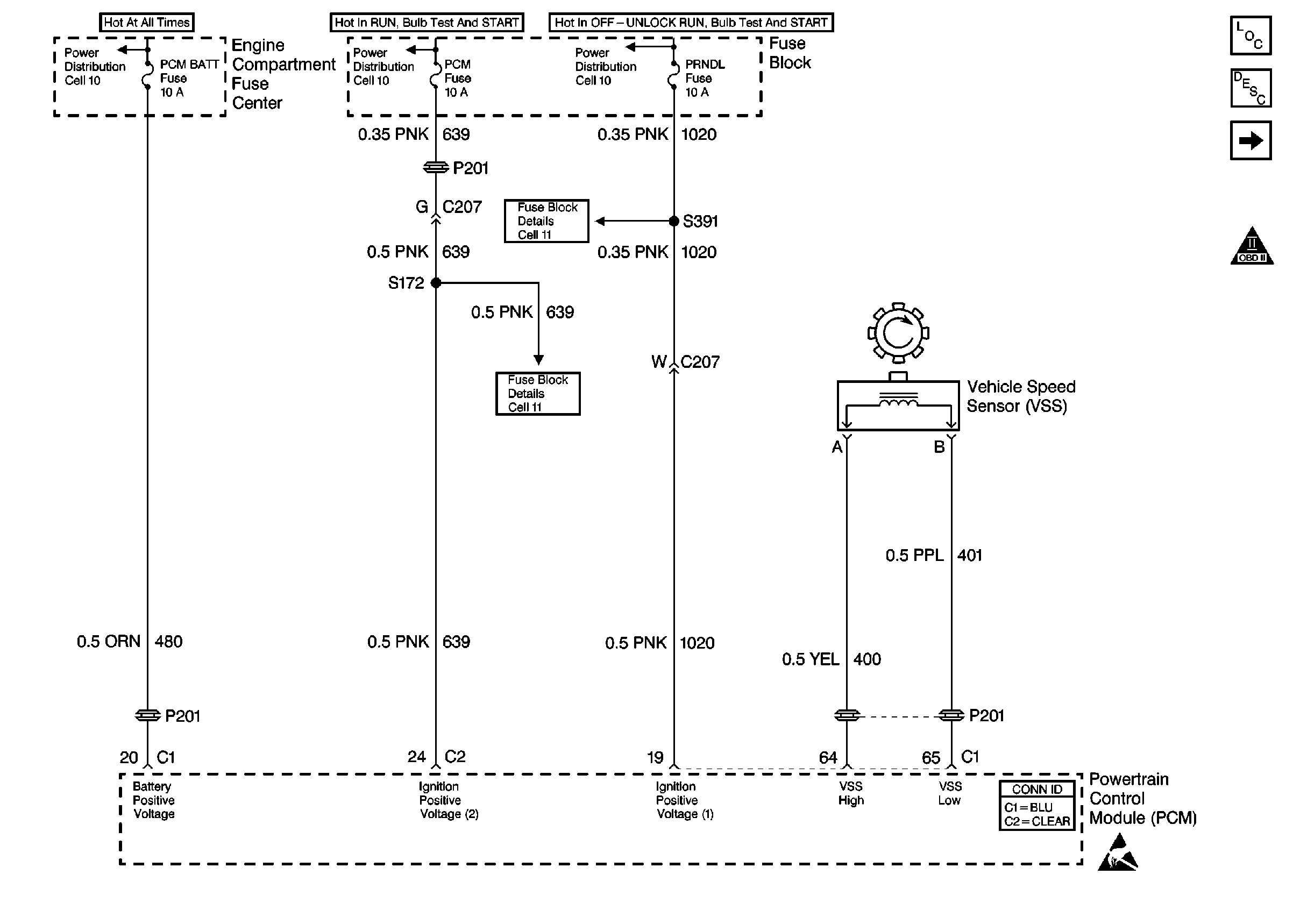
PCM, Power and VSS: VIN M


Object Number: 184768  Size: FS
Automatic Transmission Components 3.1L
Transmission Component and System Description
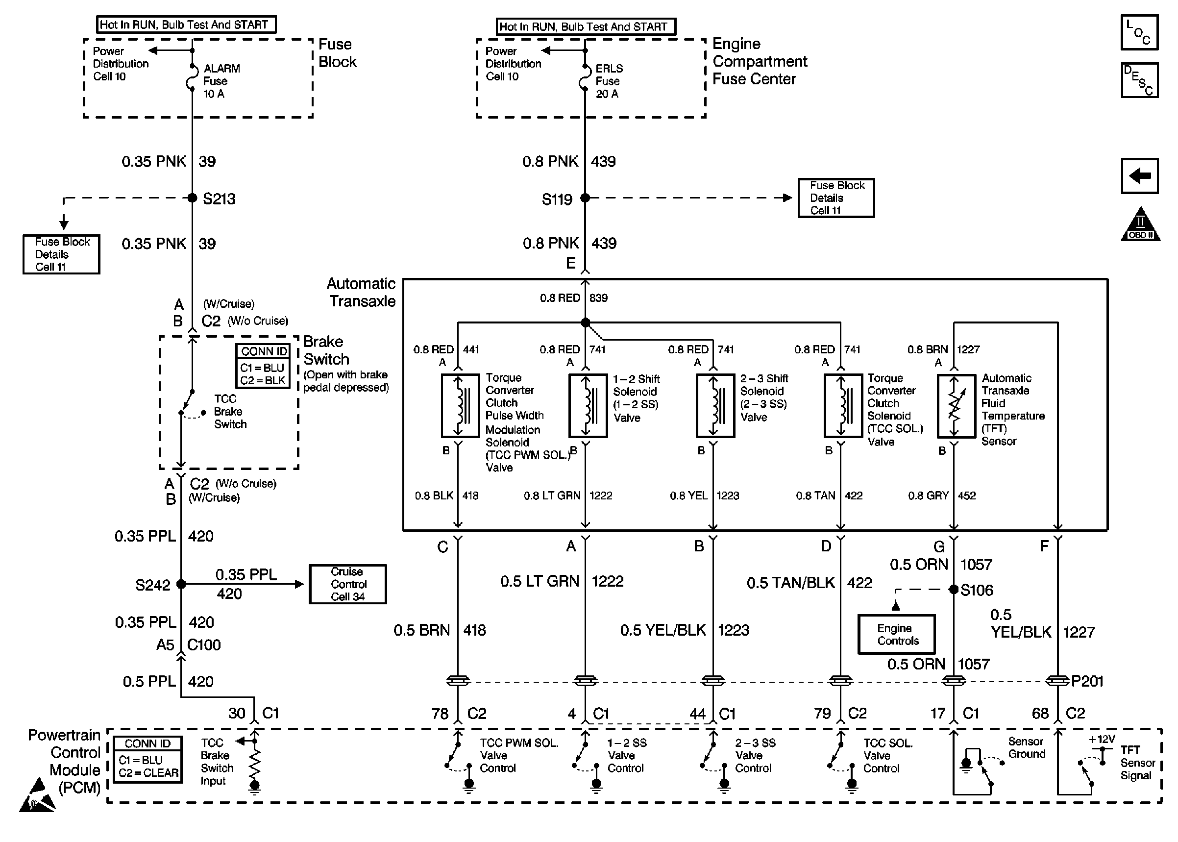
Brake Switch, Solenoids, and TFT Sensor: VIN M
OBDII Symbol Description Notice
Handling Electrostatic Discharge Sensitive Parts Notice
Figure 2:

Brake Switch, Solenoids, and TFT Sensor: VIN M


Object Number: 184770  Size: FS
Automatic Transmission Components 3.1L
Transmission Component and System Description
PCM, Power and VSS: VIN M
OBDII Symbol Description Notice
Handling Electrostatic Discharge Sensitive Parts Notice

Automatic Transmission Controls Schematics 2.4L

Figure 1:

PCM, Power and VSS: VIN T


Object Number: 184762  Size: FS
Automatic Transmission Components 3.1L
Transmission Component and System Description
Brake Switch and Solenoids: VIN T
OBDII Symbol Description Notice
Handling Electrostatic Discharge Sensitive Parts Notice
Figure 2:

Brake Switch and Solenoids: VIN T


Object Number: 184773  Size: FS
Automatic Transmission Components 3.1L
Transmission Component and System Description
PCM, Power and VSS: VIN T
OBDII Symbol Description Notice
Handling Electrostatic Discharge Sensitive Parts Notice