GM Service Manual Online
For 1990-2009 cars only
Makes
🢒
Buick
🢒
2005
🢒
Terraza
🢒
Body
🢒
Lighting Systems
🢒 Headlights/Daytime Running Lights (DRL) Schematics
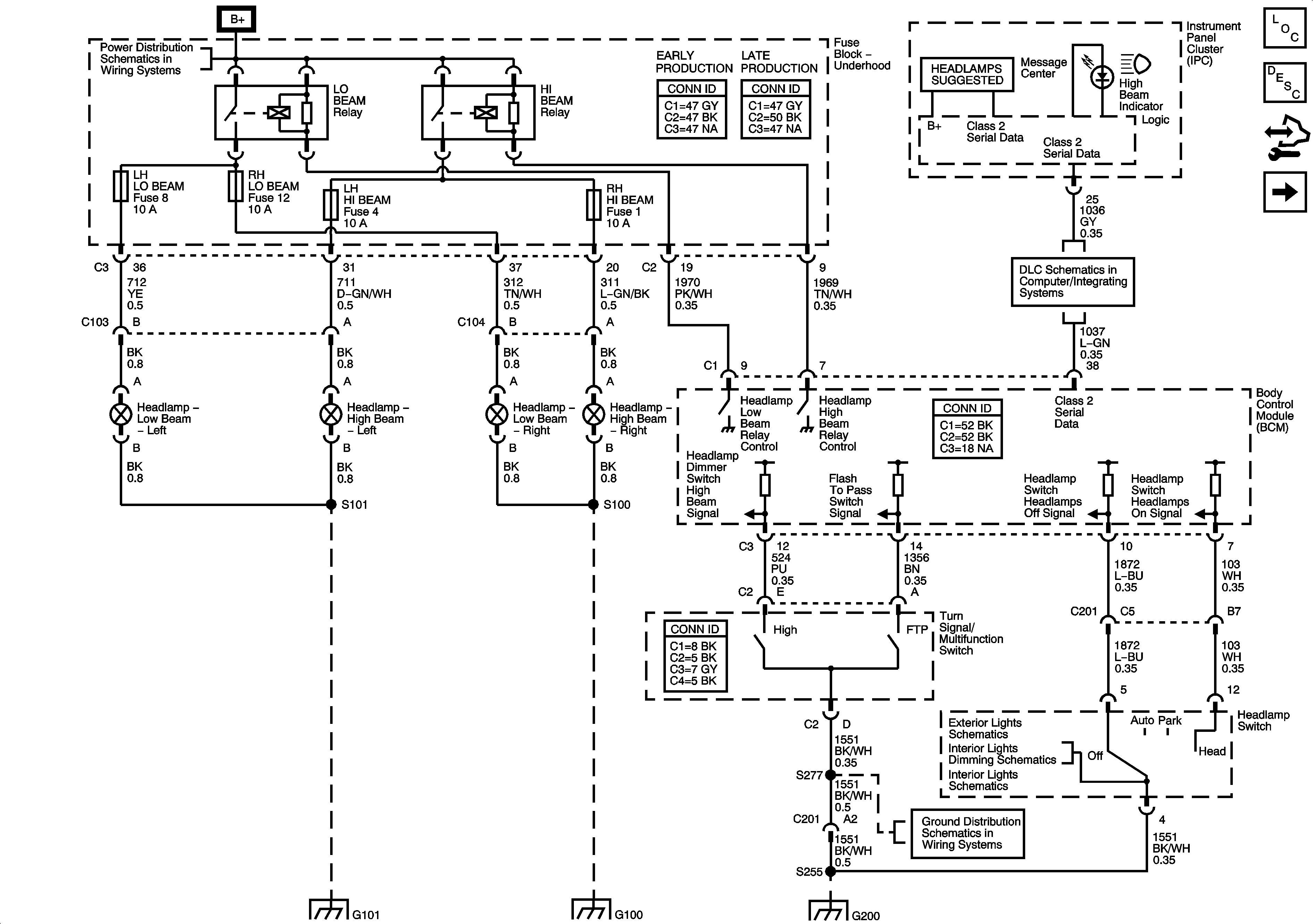
Figure
1:
Headlights
Master Electrical Component List
Exterior Lighting Systems Description and Operation
Control Module References
Daytime Running Lights
FRT/BLWR, HTD/MIR, LH HI BEAM, LH LOW BEAM, RH LOW BEAM, RH HI BEAM, RR BLWR/110VAC, and RR DEFOG Fuses
DLC Schematics
G100 and G101
G100 and G101
G200 2 of 2
Park, Marker, and License Lamps
Control, I/P and Passenger Door Lamps
Switches
Figure
2:
Daytime Running Lights
Master Electrical Component List
Exterior Lighting Systems Description and Operation
Control Module References
Headlights
G200 2 of 2
G100 and G101
G100 and G101