GM Service Manual Online
For 1990-2009 cars only
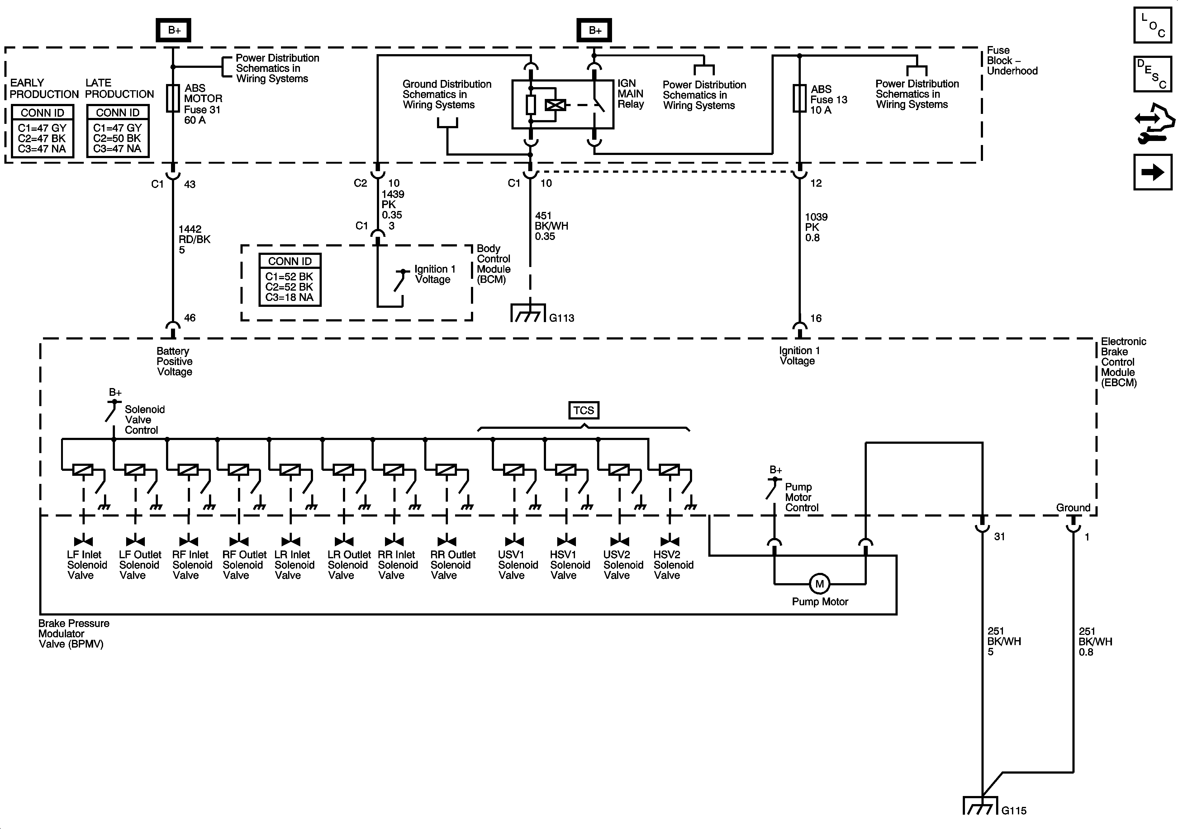
Figure 1:

Ground, Power, Pump, and Solenoid Valves


Object Number: 1486242  Size: FS
Master Electrical Component List
ABS Description and Operation
Control Module References
Driver Inputs, Indicators
ABS MOTOR, AC/DC INVRTR, AUX/PWR 12VDC, FRT WSW, and PCM ETC Fuses
G102, G113 and G115
ABS, AIRBAG, CRUISE/SWTCH, HVAC/RPA/CRUISE, PCM IGN, and TRANS SOLS Fuses
ABS, AIRBAG, CRUISE/SWTCH, HVAC/RPA/CRUISE, PCM IGN, and TRANS SOLS Fuses
G102, G113 and G115
G102, G113 and G115
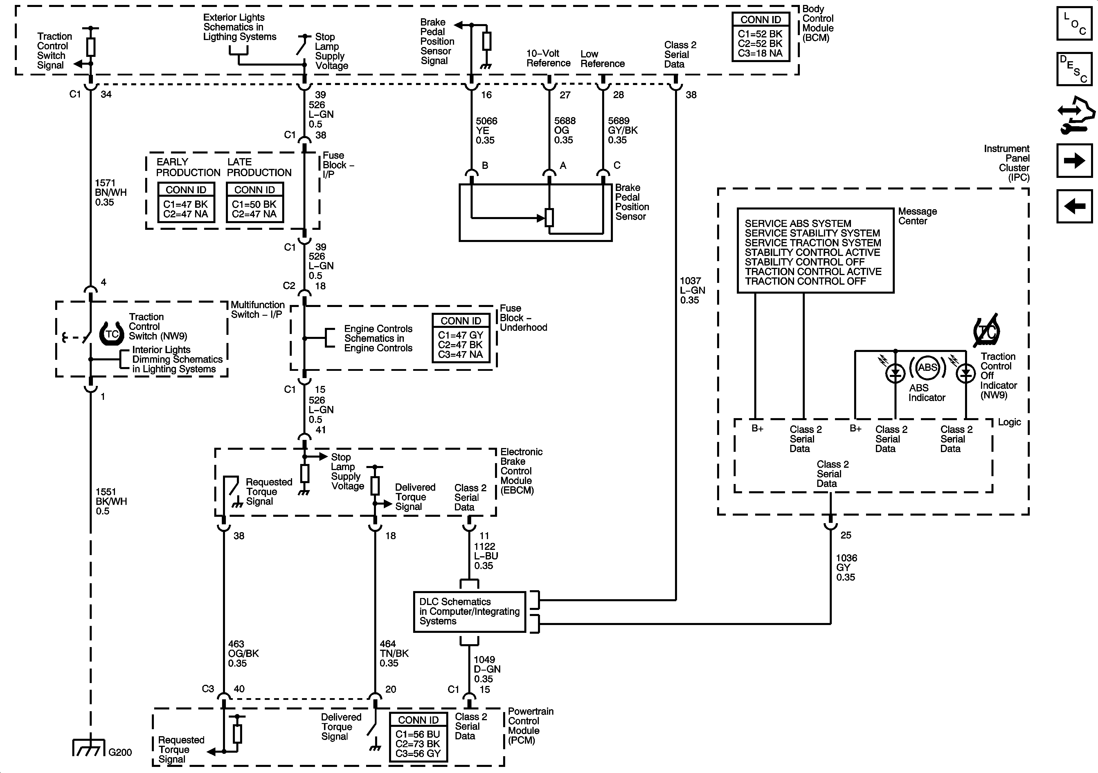
Figure 2:

Driver Inputs, Indicators


Object Number: 1486247  Size: FS
Master Electrical Component List
ABS Description and Operation
Control Module References
Wheel Speed Sensors
Ground, Power, Pump, and Solenoid Valves
Backup Lamps
Control, I/P and Passenger Door Lamps
Engine Data Sensors - Throttle Actuator Controls
DLC Schematics
G200 2 of 2
Figure 3:

Wheel Speed Sensors


Object Number: 1486249  Size: FS
Master Electrical Component List
ABS Description and Operation
Control Module References
Stability Control Sensors - JL4
Driver Inputs, Indicators
Antilock Brake System Schematic Icons
Antilock Brake System Schematic Icons
Antilock Brake System Schematic Icons
Antilock Brake System Schematic Icons
Antilock Brake System Schematic Icons
Figure 4:

Stability Control Sensors - JL4


Object Number: 1486248  Size: FS
Master Electrical Component List
ABS Description and Operation
Control Module References
Wheel Speed Sensors