GM Service Manual Online
For 1990-2009 cars only
Makes
🢒
Buick
🢒
2005
🢒
Terraza
🢒 Lamps
Lamps
Lamps
Master Electrical Component List
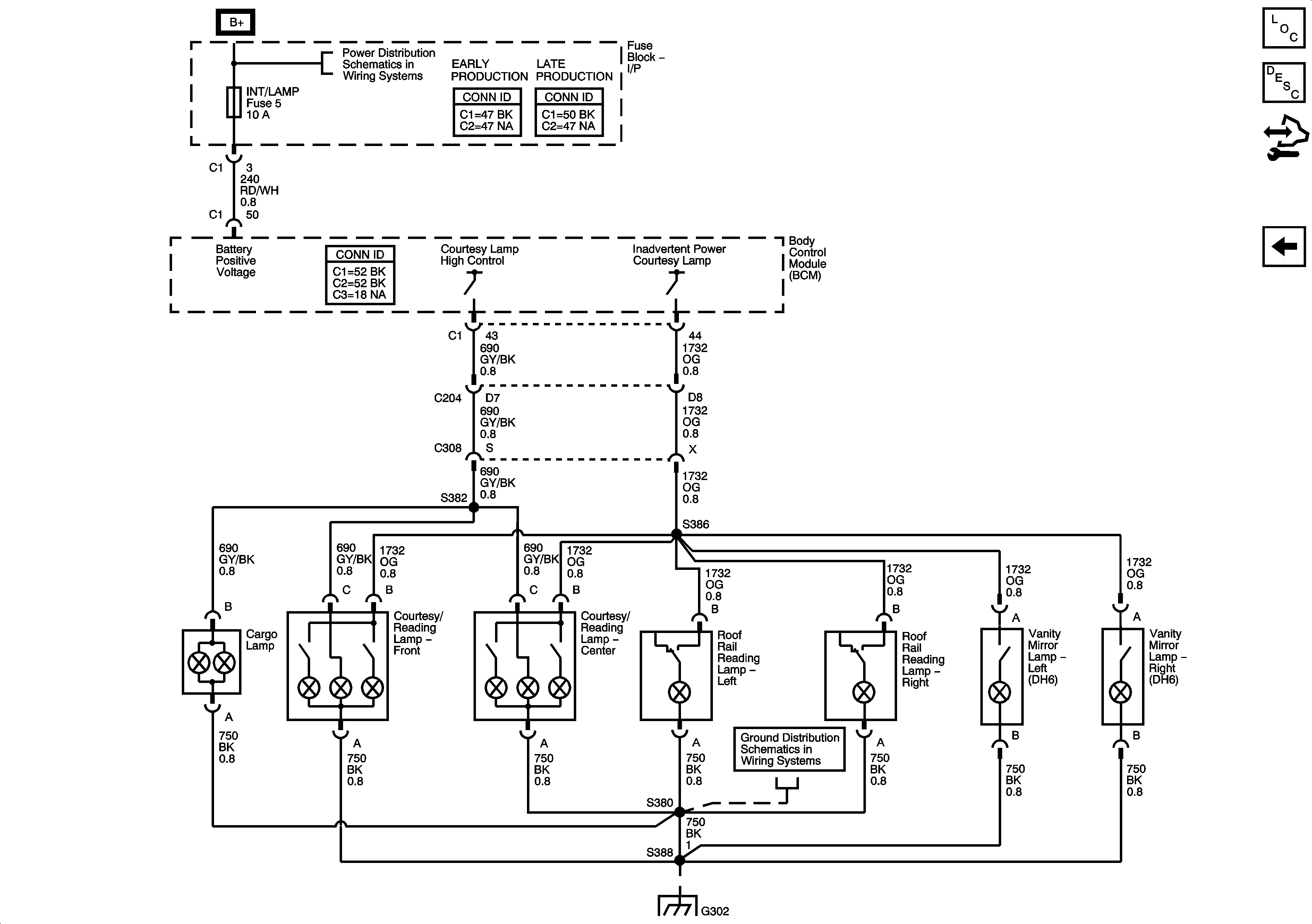
Interior Lighting Systems Description and Operation
Control Module References
Switches
CAN VENT, CLSTR/HVAC, INT/LAMP, ONSTAR, and RADIO AMP Fuses
G302 - 2 of 2
G302 - 1 of 2