GM Service Manual Online
For 1990-2009 cars only
Makes
🢒
Buick
🢒
2005
🢒
Terraza
🢒 Indicators
Indicators
Indicators
Master Electrical Component List
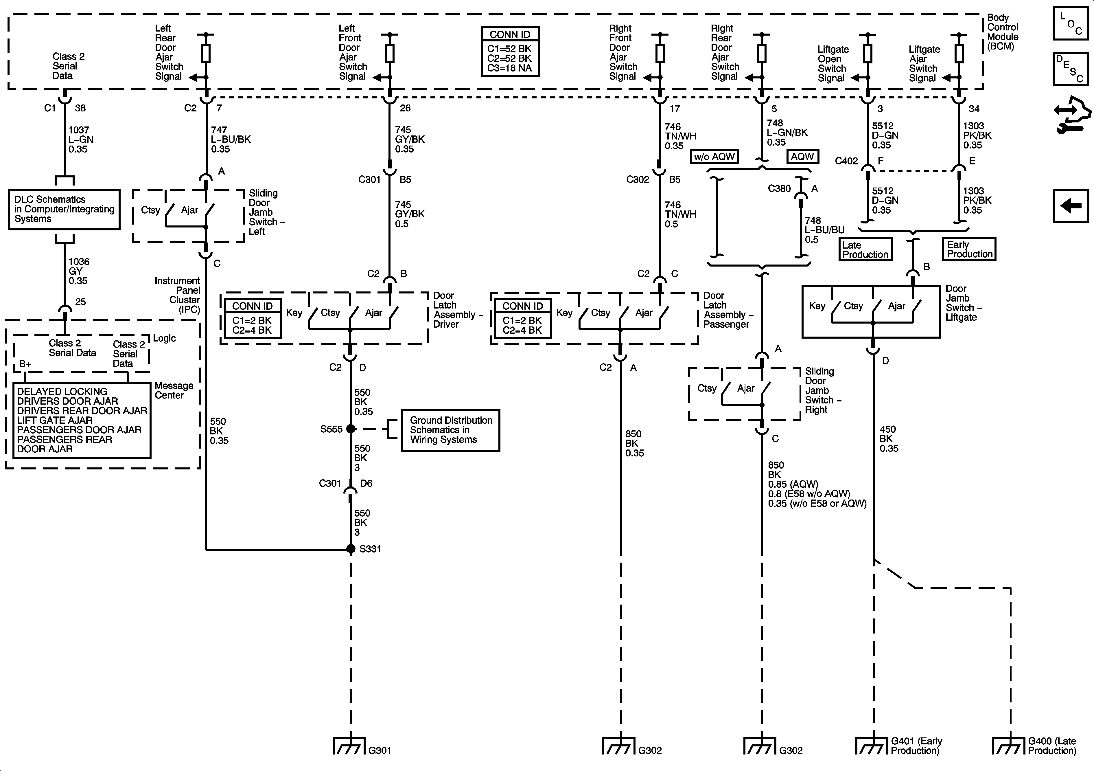
Door Ajar Indicator Description and Operation
Control Module References
Actuators
G301
G302 - 1 of 2
G301
G302 - 1 of 2
G302 - 2 of 2
G400
G401