GM Service Manual Online
For 1990-2009 cars only
Makes
🢒
Buick
🢒
2005
🢒
Terraza Ext.
🢒
Driveline/Axle
🢒
Drive Axle - Locking/Limited Slip
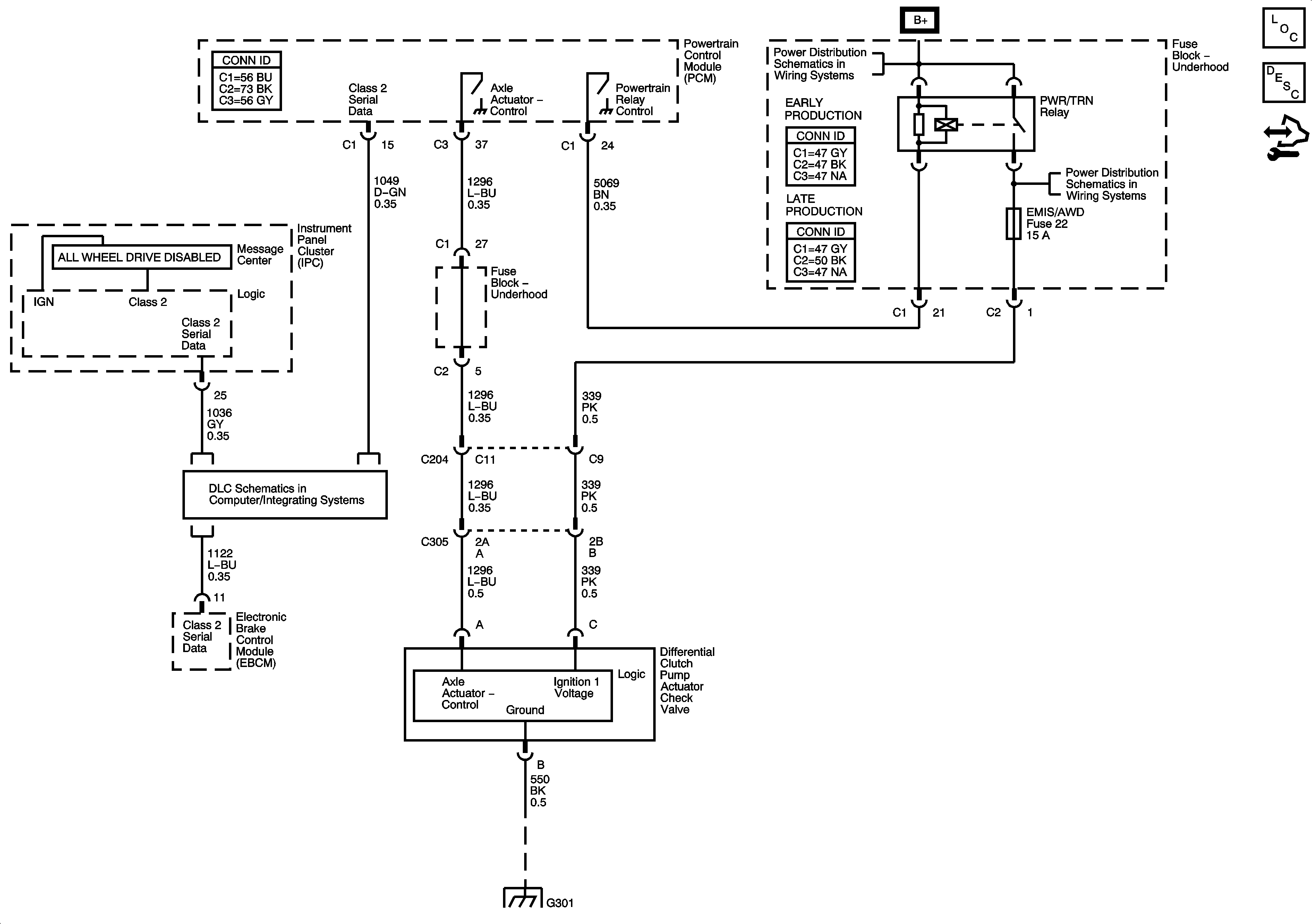
🢒 All-Wheel Drive Schematics
Master Electrical Component List
Locking Differential Description and Operation
Control Module References
ELEC IGN, EMIS/AWD, ENG SNSR/EVAP, ETC, FRT BLWR HI, and FUEL INJ Fuses
ELEC IGN, EMIS/AWD, ENG SNSR/EVAP, ETC, FRT BLWR HI, and FUEL INJ Fuses
DLC Schematics
G301