GM Service Manual Online
For 1990-2009 cars only
Makes
🢒
Buick
🢒
2005
🢒
Terraza Ext.
🢒
Body
🢒
Body Rear End
🢒 Body Rear End Schematics
Master Electrical Component List
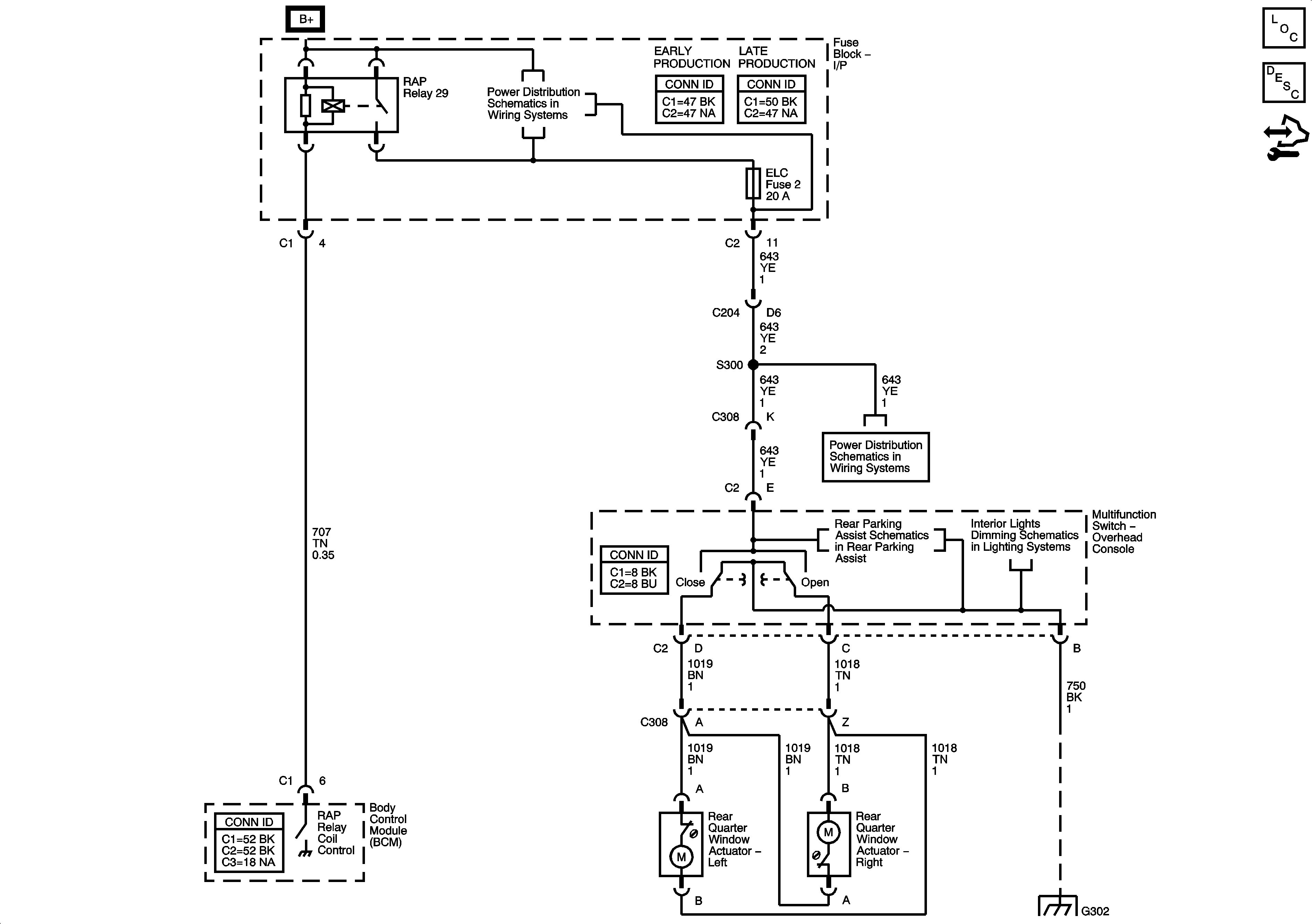
Rear Quarter Window Description and Operation
Control Module References
ELC, RR WPR, and STRG WHL ILLUM Fuses PWR WNDW Circuit Breaker
ELC, RR WPR, and STRG WHL ILLUM Fuses PWR WNDW Circuit Breaker
Rear Parking Assist Schematics
Control, I/P and Passenger Door Lamps
G302 - 2 of 2