GM Service Manual Online
For 1990-2009 cars only
Figure 1:

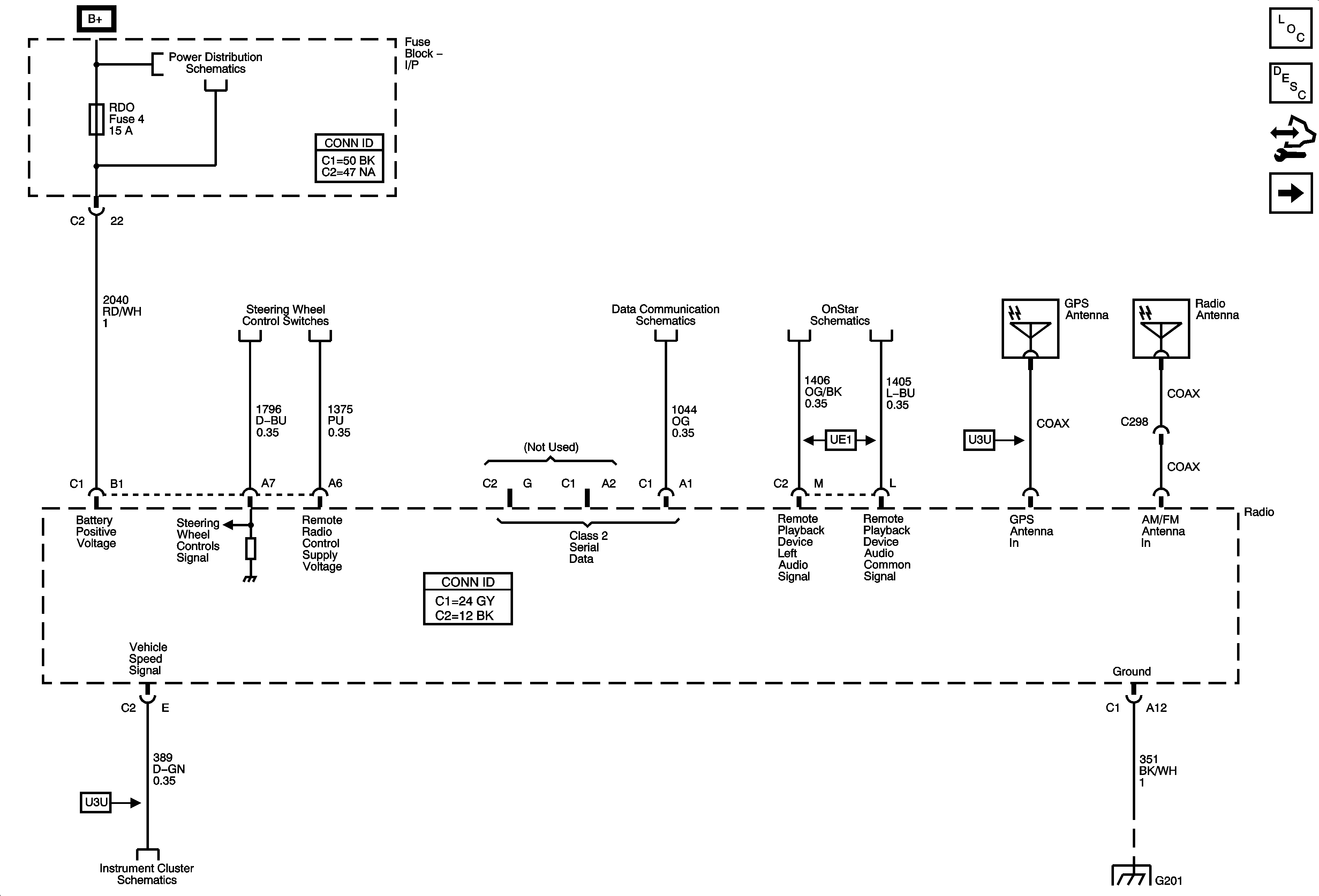
Antennas, Ground, Power, and Subsystem References


Object Number: 1740144  Size: FS
Master Electrical Component List
Radio/Audio System Description and Operation
Control Module References
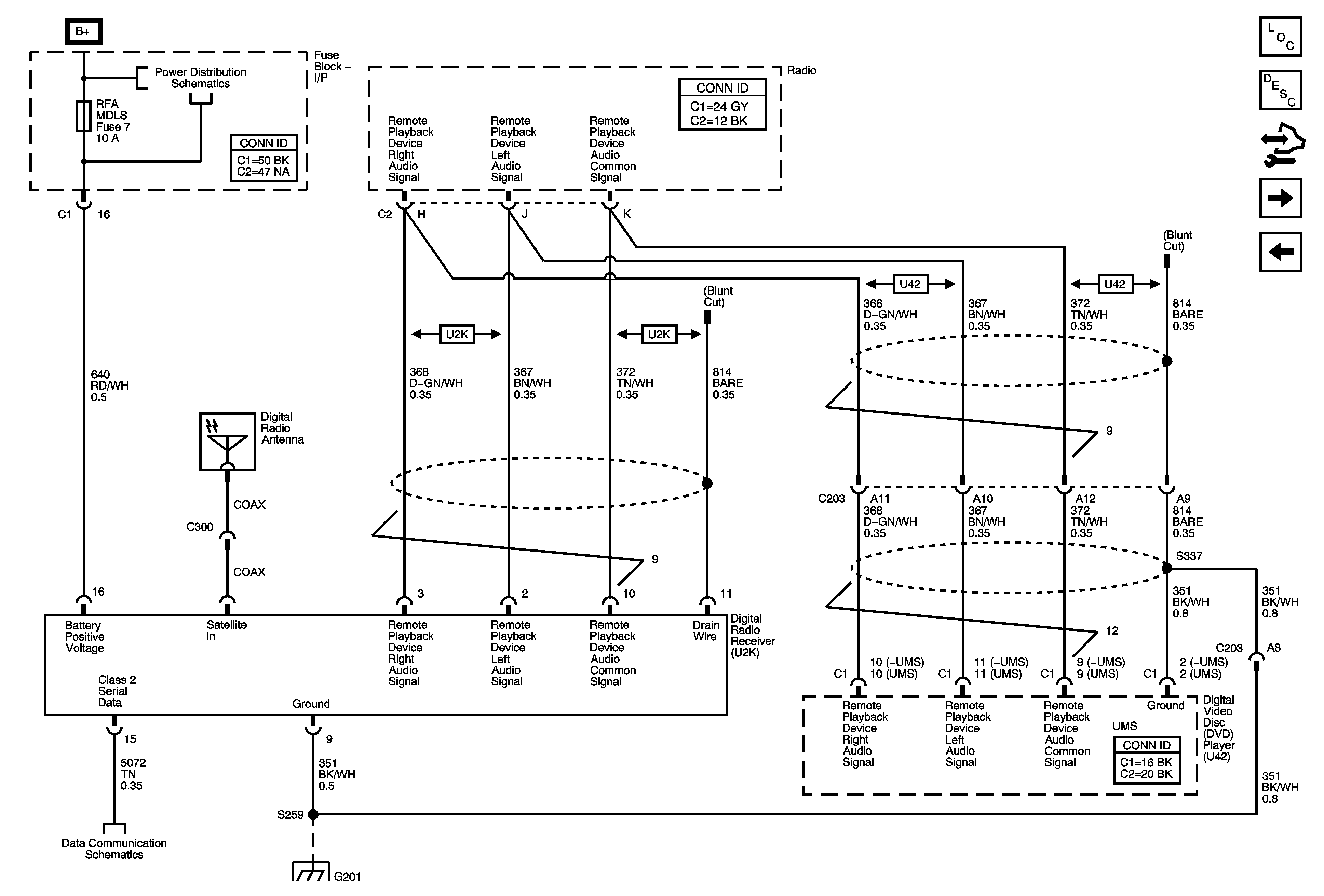
DVD and Satellite Audio Sources
CNSTR/VENT, CLSTR/HVAC, INT/LAMP, ONSTAR, and RDO Fuses
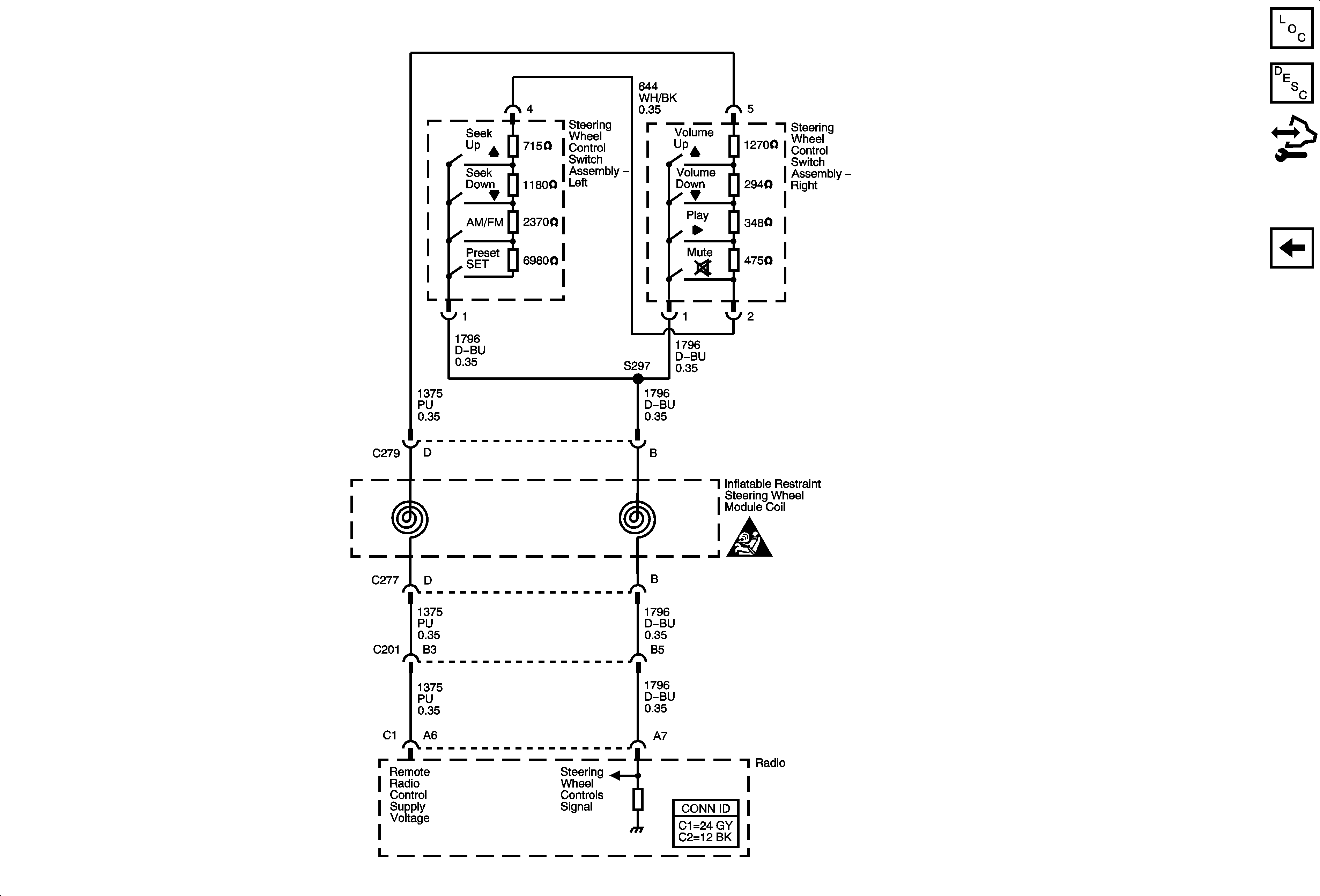
Steering Wheel Controls
Data Communication Schematics
OnStar Schematics
Gages, Ground, and Power
G201
Figure 2:

DVD and Satellite Audio Sources


Object Number: 1740145  Size: FS
Master Electrical Component List
Radio/Audio System Description and Operation
Control Module References
Front Speakers
Antennas, Ground, Power, and Subsystem References
CHMSL BCK/UP, PRK LAMP, PWR SLD DR, and RFA MDLS Fuses
Data Communication Schematics
G201
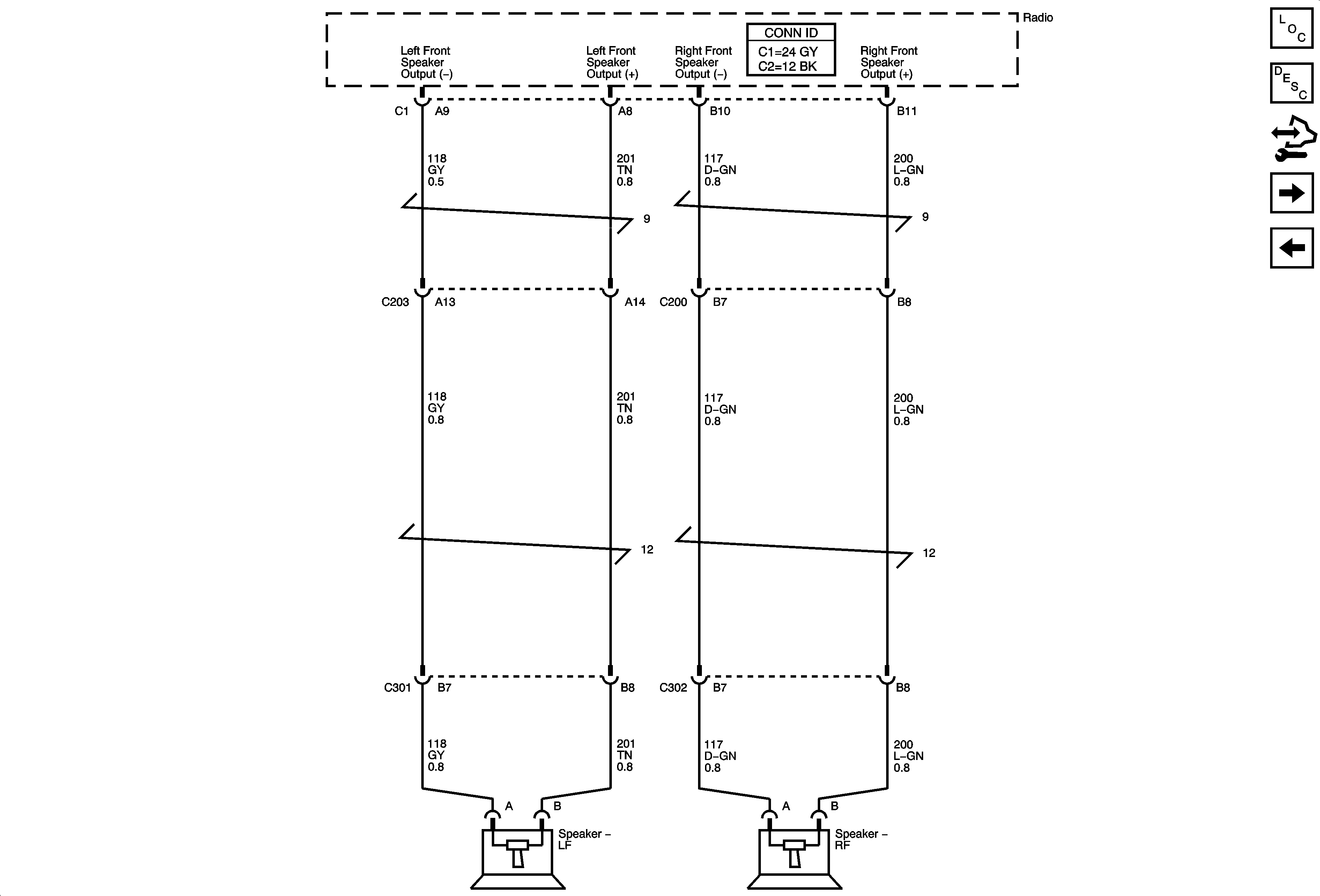
Figure 3:

Front Speakers


Object Number: 1740147  Size: FS
Master Electrical Component List
Radio/Audio System Description and Operation
Control Module References
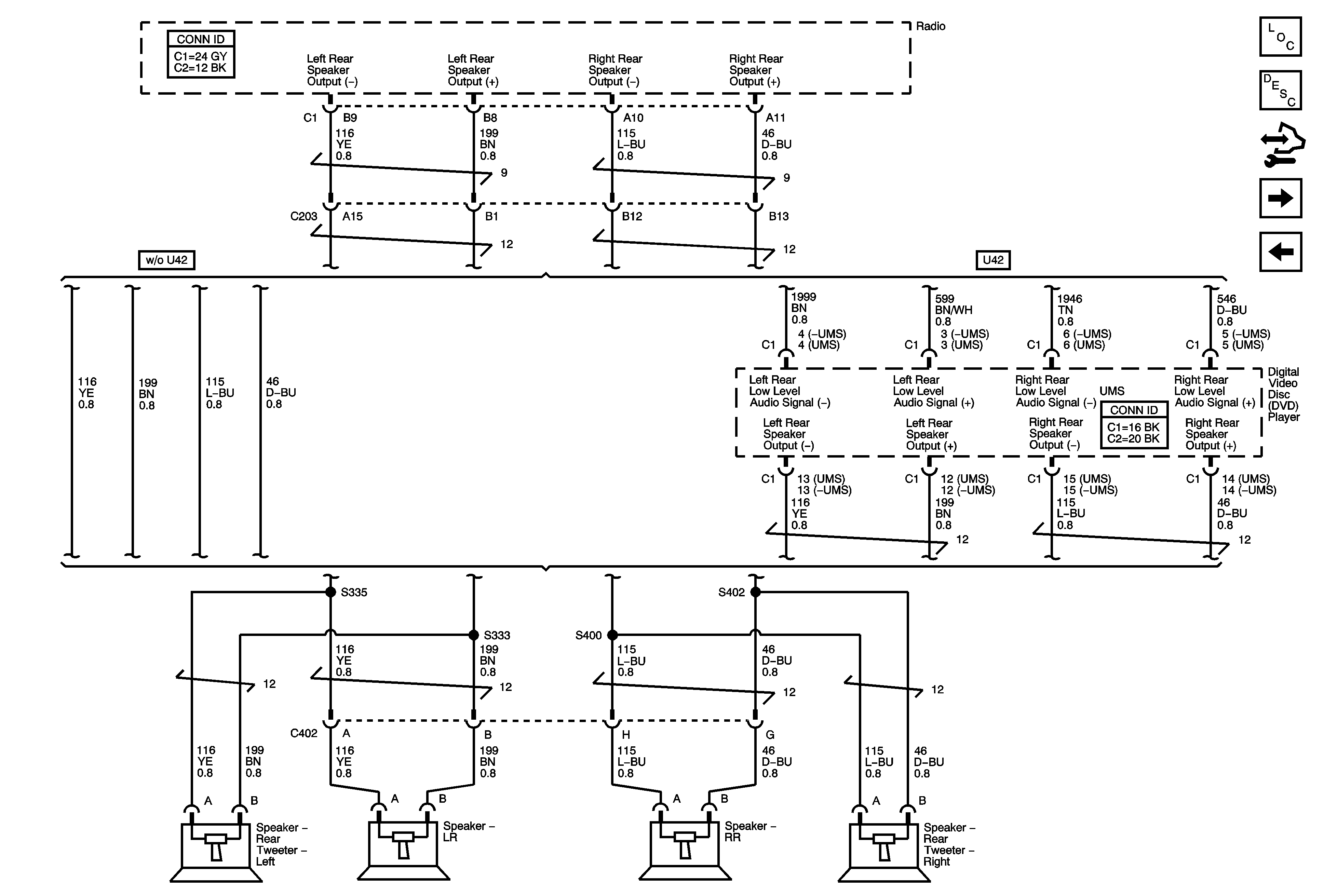
Rear Speakers
DVD and Satellite Audio Sources
Figure 4:

Rear Speakers


Object Number: 1740148  Size: FS
Master Electrical Component List
Radio/Audio System Description and Operation
Control Module References
Front Speakers
Figure 5:

Steering Wheel Controls


Object Number: 1740150  Size: FS
Master Electrical Component List
Radio/Audio System Description and Operation
Control Module References
Entertainment Schematic Icons