GM Service Manual Online
For 1990-2009 cars only
Makes
🢒
Buick
🢒
2007
🢒
Terraza Ext.
🢒
Diagnostic Navigation
🢒
Vehicle Diagnostic Information
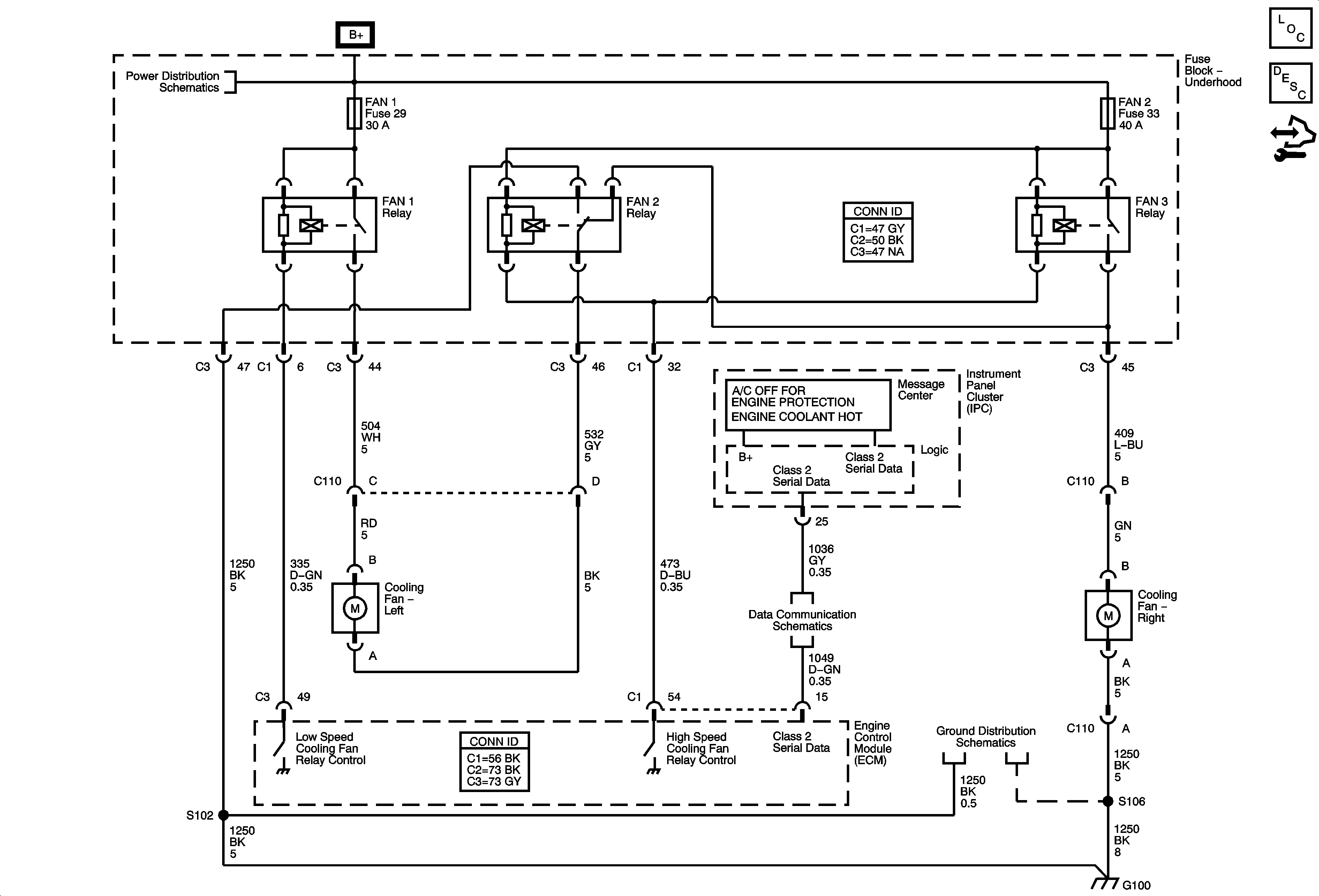
🢒 Engine Cooling Schematics
Master Electrical Component List
Cooling System Description and Operation
Control Module References
B+ Bus
Data Communication Schematics
G100 and G101