GM Service Manual Online
For 1990-2009 cars only
Makes
🢒
Buick
🢒
2007
🢒
Terraza Ext.
🢒
Diagnostic Navigation
🢒
Vehicle Diagnostic Information
🢒 Automatic Transmission Controls Schematics
Figure
1:
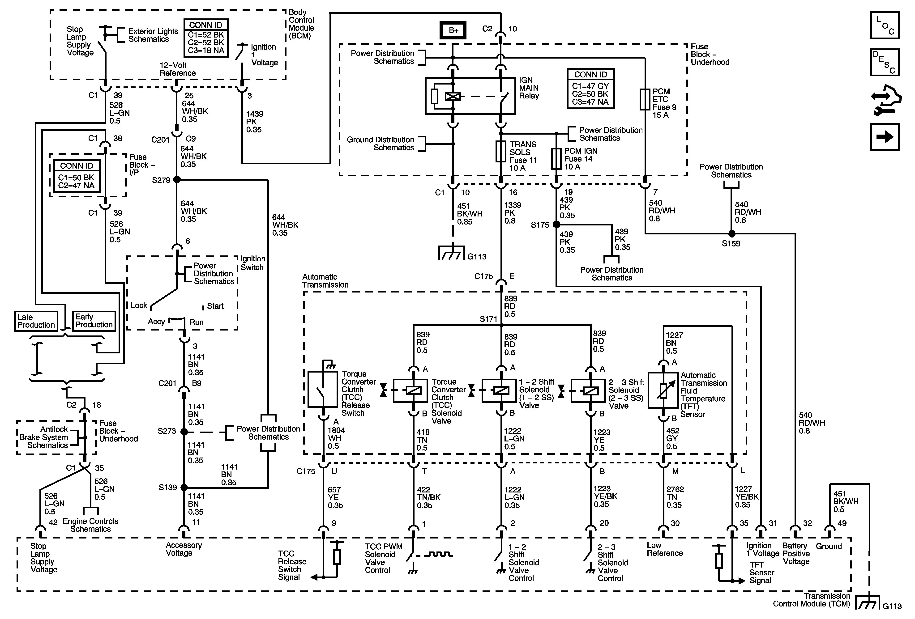
Ground, Power, Shift Solenoids, Stop Lamp Switch, TCC, and TFT
Master Electrical Component List
Electronic Component Description
Control Module References
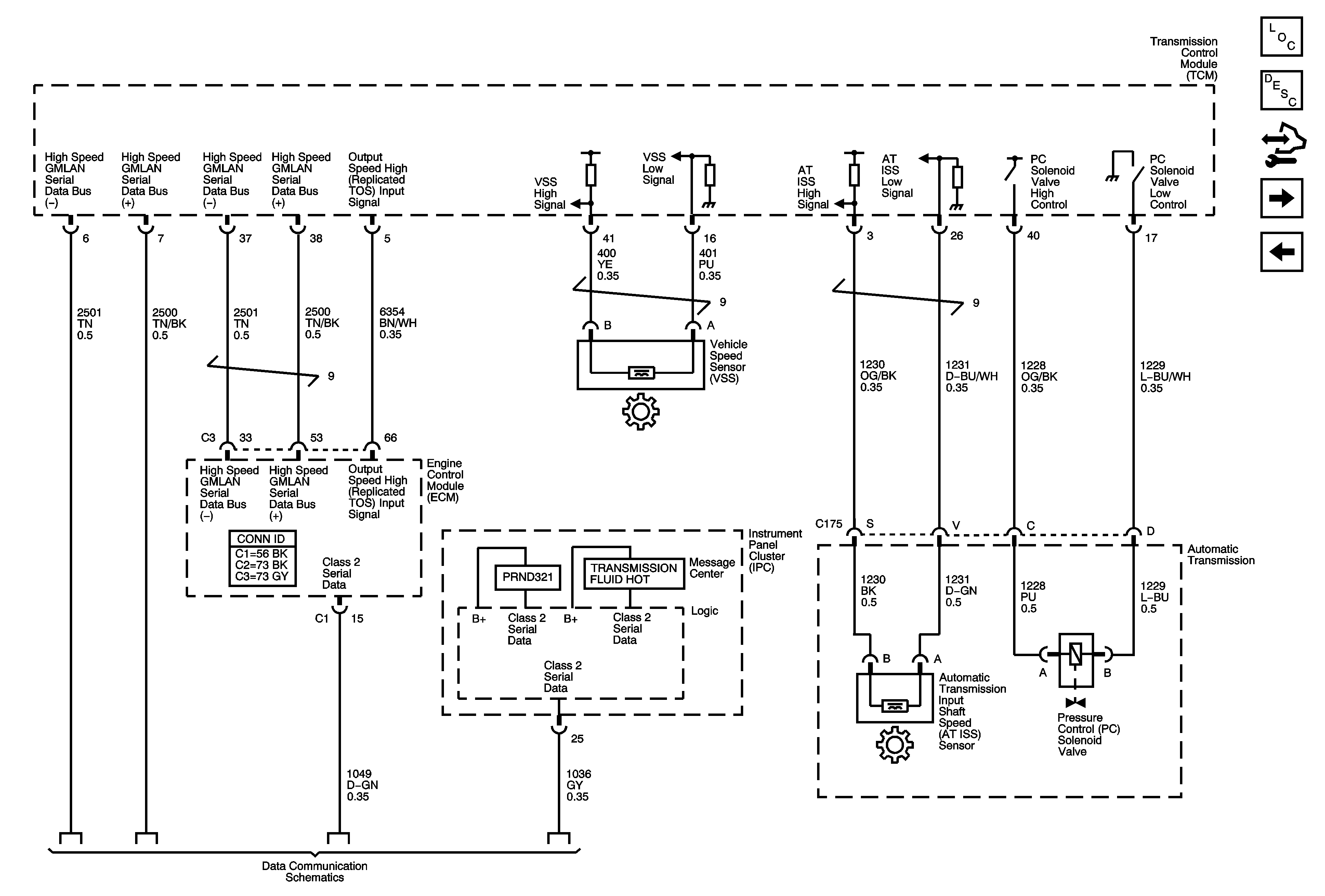
Indicators, ISS, Pressure Control, Serial Data, and VSS
Park/Turn and Stop/Turn Signal Lamps
Ignition Switch
Driver Inputs, Indicators
Engine Data Sensors - Pressure, Temperature, Extended Brake Travel, and VSS
Ignition Switch
B+ Bus
G102, G113 and G115
ABS, AIRBAG, CRUISE/SWTCH, HVAC/RPA/CRUISE, PCM IGN, and TRANS SOLS Fuses
ABS MOTOR, AC/DC INVRTR, AUX/PWR 12VDC, FRT WSW, and PCM ETC Fuses
G102, G113 and G115
ABS, AIRBAG, CRUISE/SWTCH, HVAC/RPA/CRUISE, PCM IGN, and TRANS SOLS Fuses
G102, G113 and G115
Figure
2:
Indicators, ISS, Pressure Control, Serial Data, and VSS
Master Electrical Component List
Electronic Component Description
Control Module References
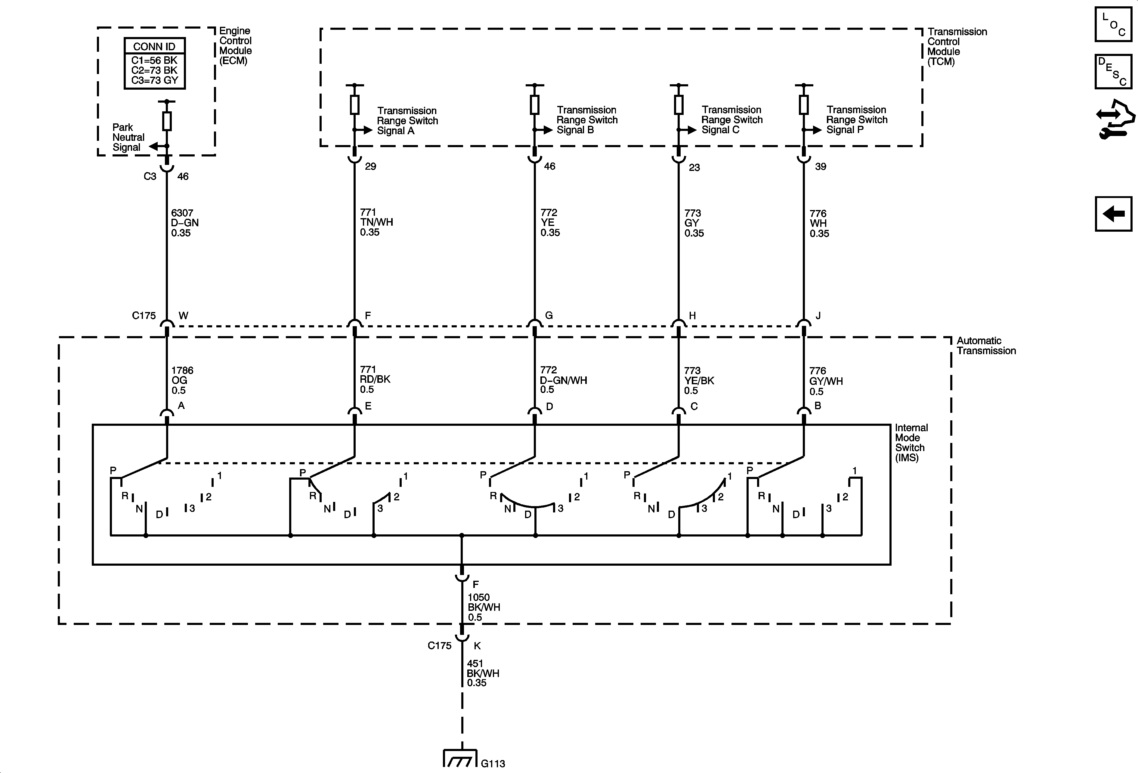
Internal Mode Switch
Ground, Power, Shift Solenoids, Stop Lamp Switch, TCC, and TFT
Data Communication Schematics
Figure
3:
Internal Mode Switch
Master Electrical Component List
Electronic Component Description
Control Module References
Indicators, ISS, Pressure Control, Serial Data, and VSS
G102, G113 and G115