GM Service Manual Online
For 1990-2009 cars only

SIR Schematics AK5 or AJ7

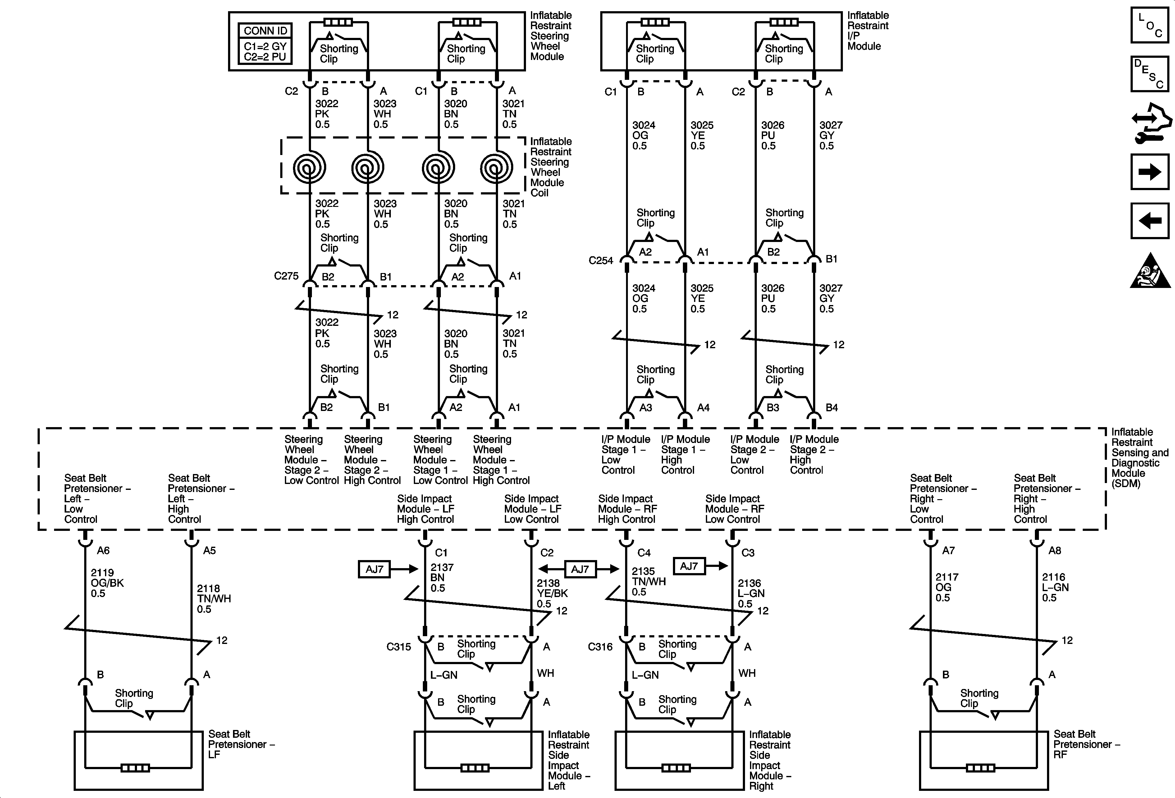
Figure 1:

Ground, Impact Sensors, Indicator, and Power


Object Number: 1740059  Size: FS
Master Electrical Component List
SIR System Description and Operation
Control Module References
Impact Modules and Pretensioners
SIR Schematic Icons
G102, G113 and G115
ABS, AIRBAG, CRUISE/SWTCH, HVAC/RPA/CRUISE, PCM IGN, and TRANS SOLS Fuses
B+ Bus
Data Communication Schematics
G102, G113 and G115
Occupant Sensing
Occupant Sensing
G302 - 1 of 2
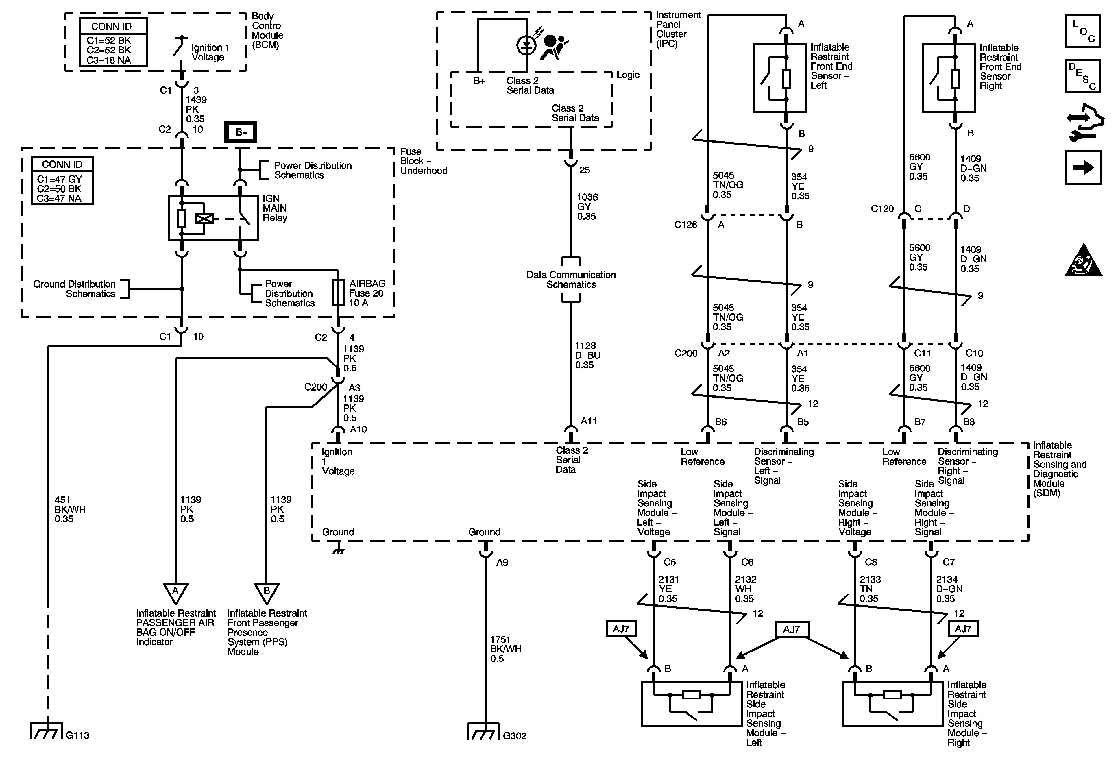
Figure 2:

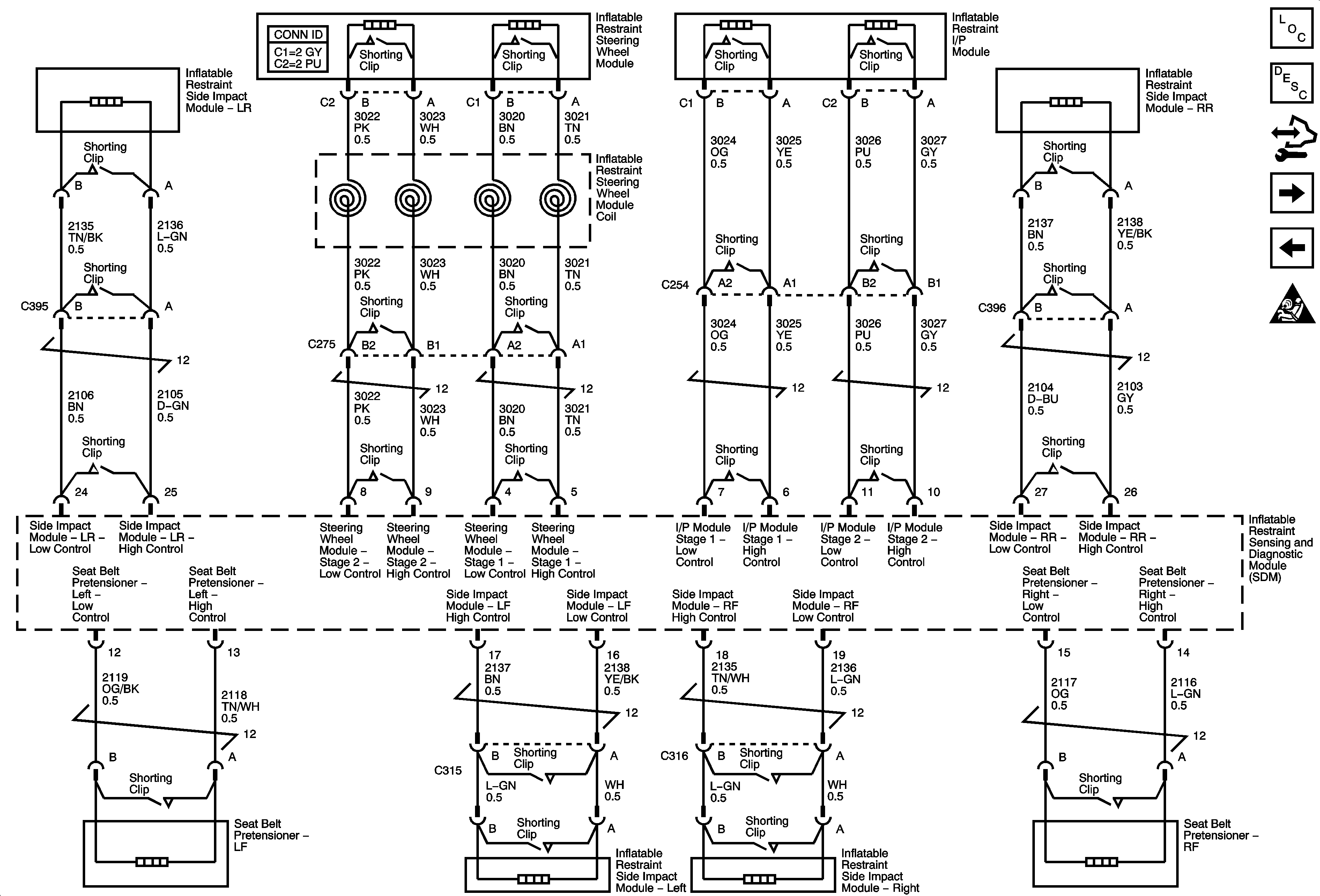
Impact Modules and Pretensioners


Object Number: 1740060  Size: FS
Master Electrical Component List
SIR System Description and Operation
Control Module References
Occupant Sensing
Ground, Impact Sensors, Indicator, and Power
SIR Schematic Icons
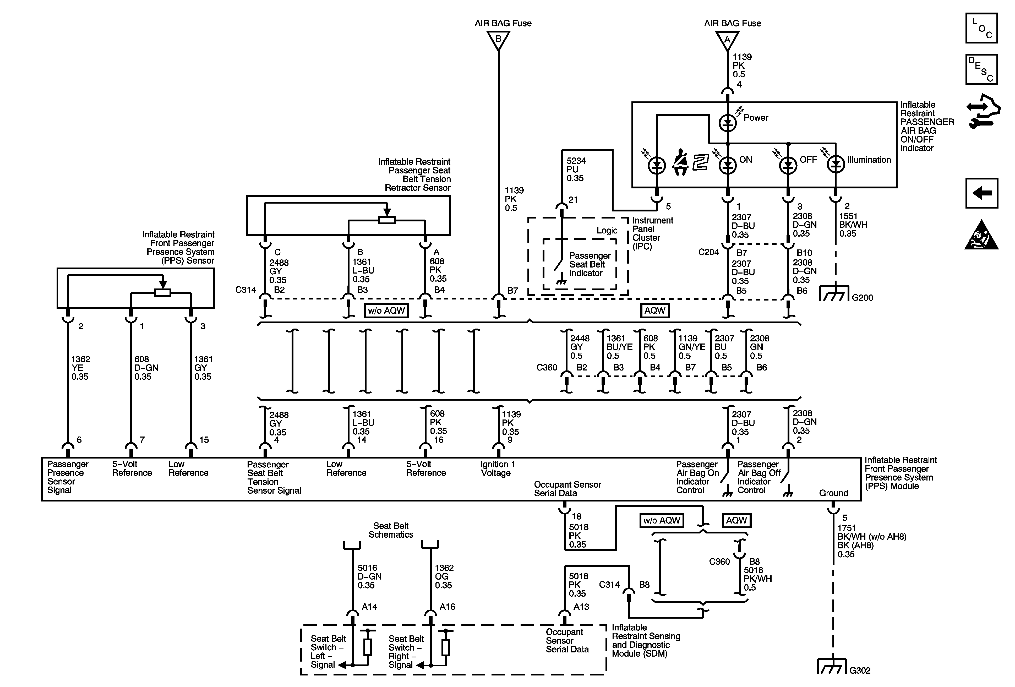
Figure 3:

Occupant Sensing


Object Number: 1740062  Size: FS
Master Electrical Component List
SIR System Description and Operation
Control Module References
Impact Modules and Pretensioners
SIR Schematic Icons
Ground, Impact Sensors, Indicator, and Power
Ground, Impact Sensors, Indicator, and Power
G200 - 2 of 2
Seat Belt Schematics
G302 - 1 of 2

SIR Schematics AW9

Figure 1:

Ground, Impact Sensors, Indicator, and Power


Object Number: 1740063  Size: FS
Master Electrical Component List
SIR System Description and Operation
Control Module References
Impact Modules and Pretensioners
SIR Schematic Icons
B+ Bus
G102, G113 and G115
ABS, AIRBAG, CRUISE/SWTCH, HVAC/RPA/CRUISE, PCM IGN, and TRANS SOLS Fuses
G102, G113 and G115
Occupant Sensing
Occupant Sensing
Data Communication Schematics
G302 - 1 of 2
SIR Schematic Icons
SIR Schematic Icons
SIR Schematic Icons
SIR Schematic Icons
Figure 2:

Impact Modules and Pretensioners


Object Number: 1740065  Size: FS
Master Electrical Component List
SIR System Description and Operation
Control Module References
Occupant Sensing
Ground, Impact Sensors, Indicator, and Power
SIR Schematic Icons
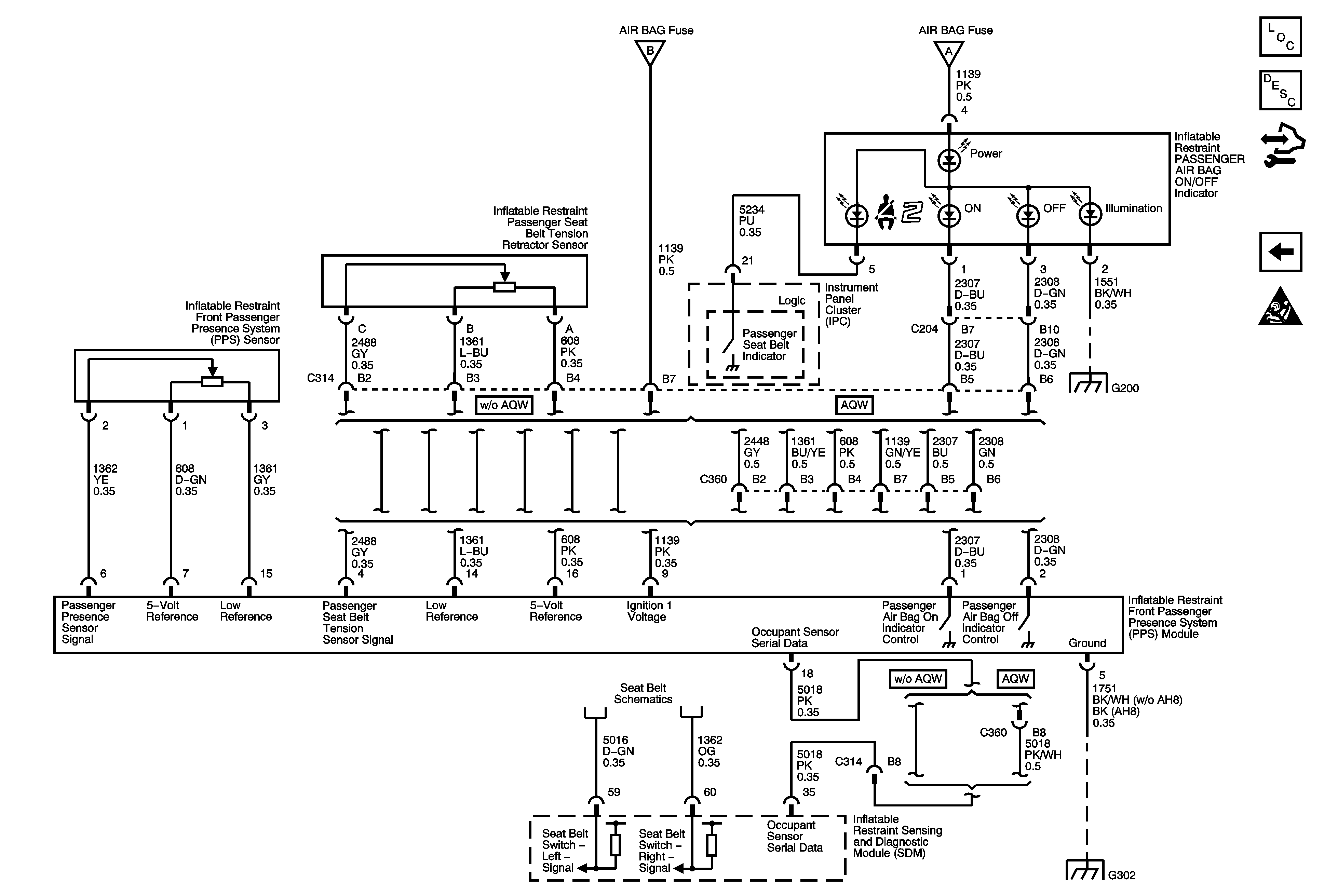
Figure 3:

Occupant Sensing


Object Number: 1740066  Size: FS
Master Electrical Component List
SIR System Description and Operation
Control Module References
Impact Modules and Pretensioners
SIR Schematic Icons
Ground, Impact Sensors, Indicator, and Power
Ground, Impact Sensors, Indicator, and Power
G200 - 2 of 2
Seat Belt Schematics
G302 - 1 of 2