GM Service Manual Online
For 1990-2009 cars only
Makes
🢒
Buick
🢒
2007
🢒
Terraza Ext.
🢒
Power and Signal Distribution
🢒
Wiring Systems and Power Management
🢒 Wiper/Washer Schematics
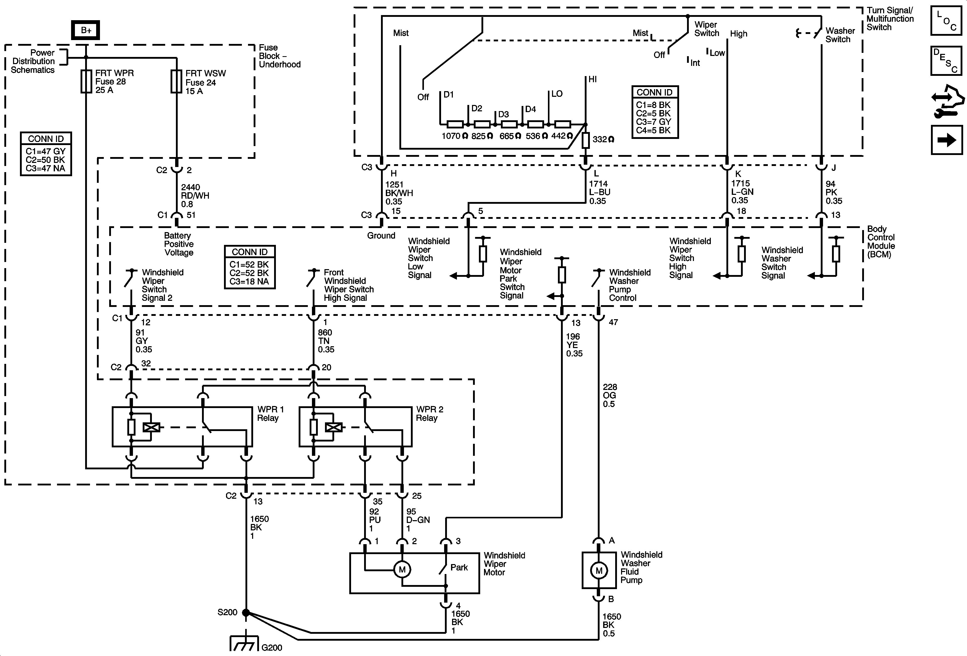
Figure
1:
Front
Master Electrical Component List
Wiper/Washer System Description and Operation
Control Module References
Rear
B+ Bus
G200 - 1 of 2
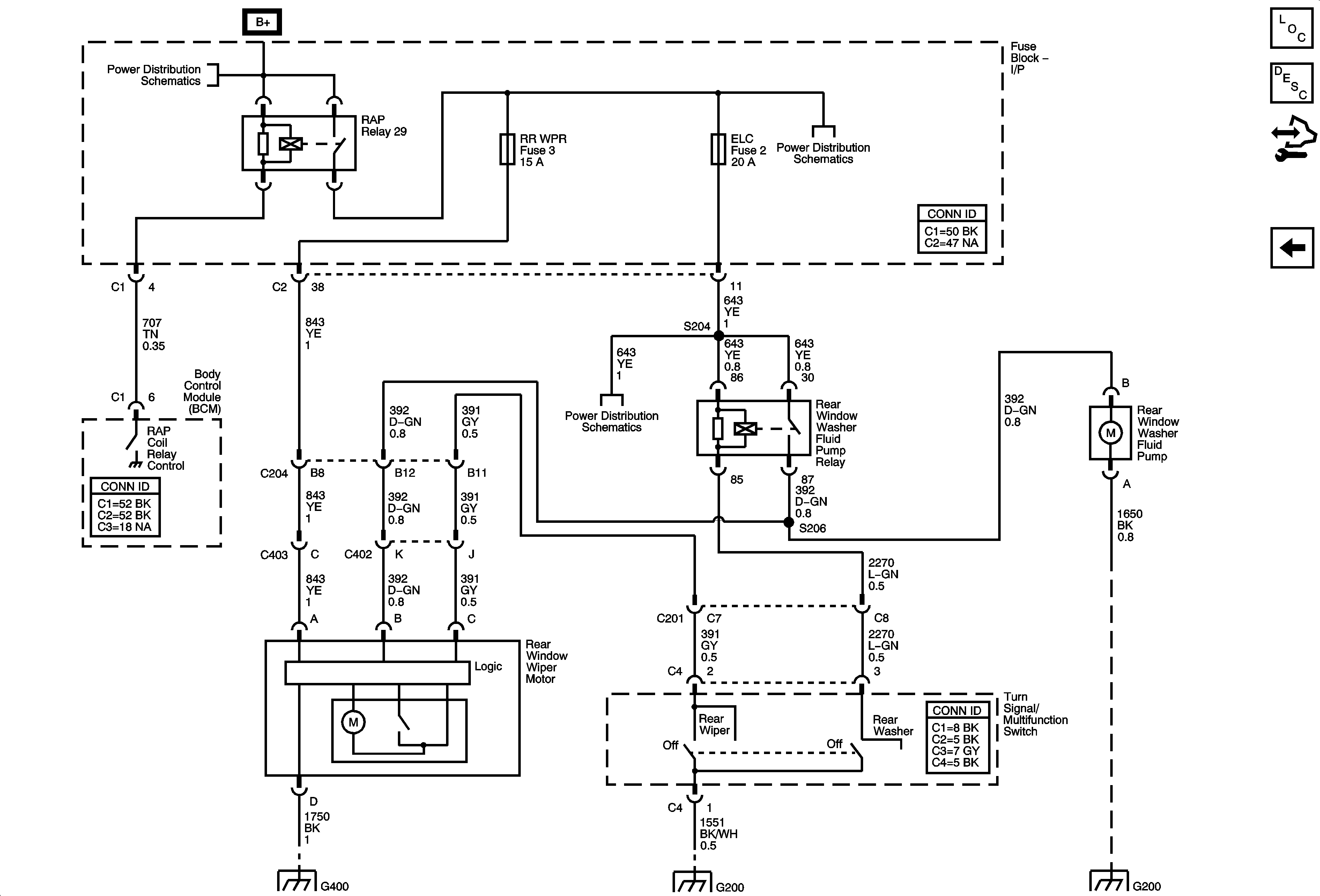
Figure
2:
Rear
Master Electrical Component List
Rear Wiper/Washer System Description and Operation
Control Module References
Front
ELC, REAR/WPR, and STR/WHL/ILLUM Fuses, PWR WNDW Circuit Breaker
ELC, REAR/WPR, and STR/WHL/ILLUM Fuses, PWR WNDW Circuit Breaker
ELC, REAR/WPR, and STR/WHL/ILLUM Fuses, PWR WNDW Circuit Breaker
G400
G200 - 2 of 2