GM Service Manual Online
For 1990-2009 cars only
Makes
🢒
Buick
🢒
2007
🢒
Terraza Ext.
🢒 Power ModingSchematics
Power ModingSchematics
Master Electrical Component List
Retained Accessory Power (RAP) Description and Operation
Control Module References
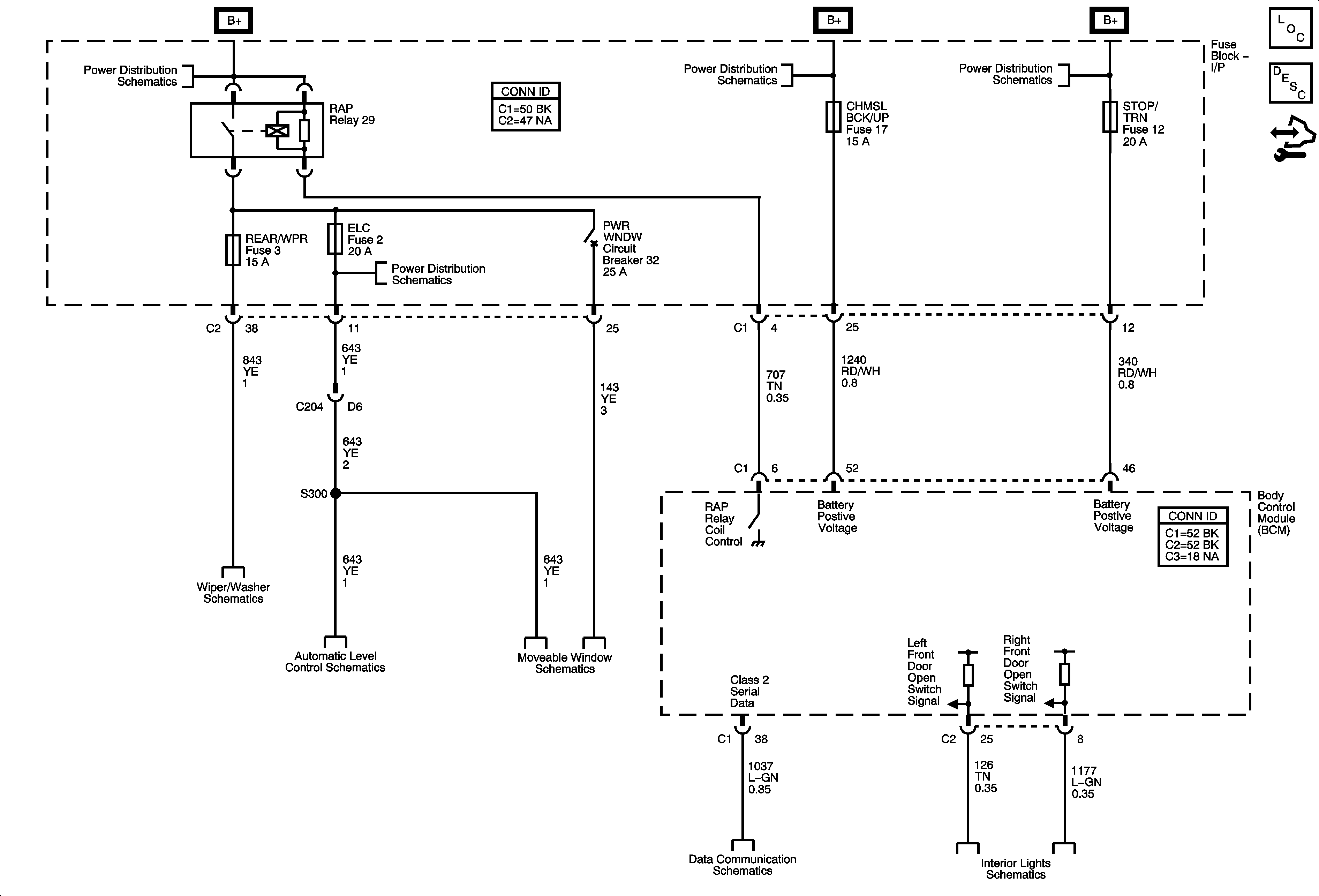
ELC, REAR/WPR, and STR/WHL/ILLUM Fuses, PWR WNDW Circuit Breaker
CHMSL BCK/UP, PRK LAMP, PWR SLD DR, and RFA MDLS Fuses
BATT MAIN 2, HTD/SEATS, LT PWR SLD DR, PWR/MIR UGDO, RT PWR SLD DR, Sit-N-Lift Seat, and STOP/TRN Fuses, PWR SEATS and Sit-N-Lift Circuit Breaker
ELC, REAR/WPR, and STR/WHL/ILLUM Fuses, PWR WNDW Circuit Breaker
Rear
Automatic Level Control Schematics
Front Door Windows
Data Communication Schematics
Switches