GM Service Manual Online
For 1990-2009 cars only
Makes
🢒
Buick
🢒
2007
🢒
Terraza Ext.
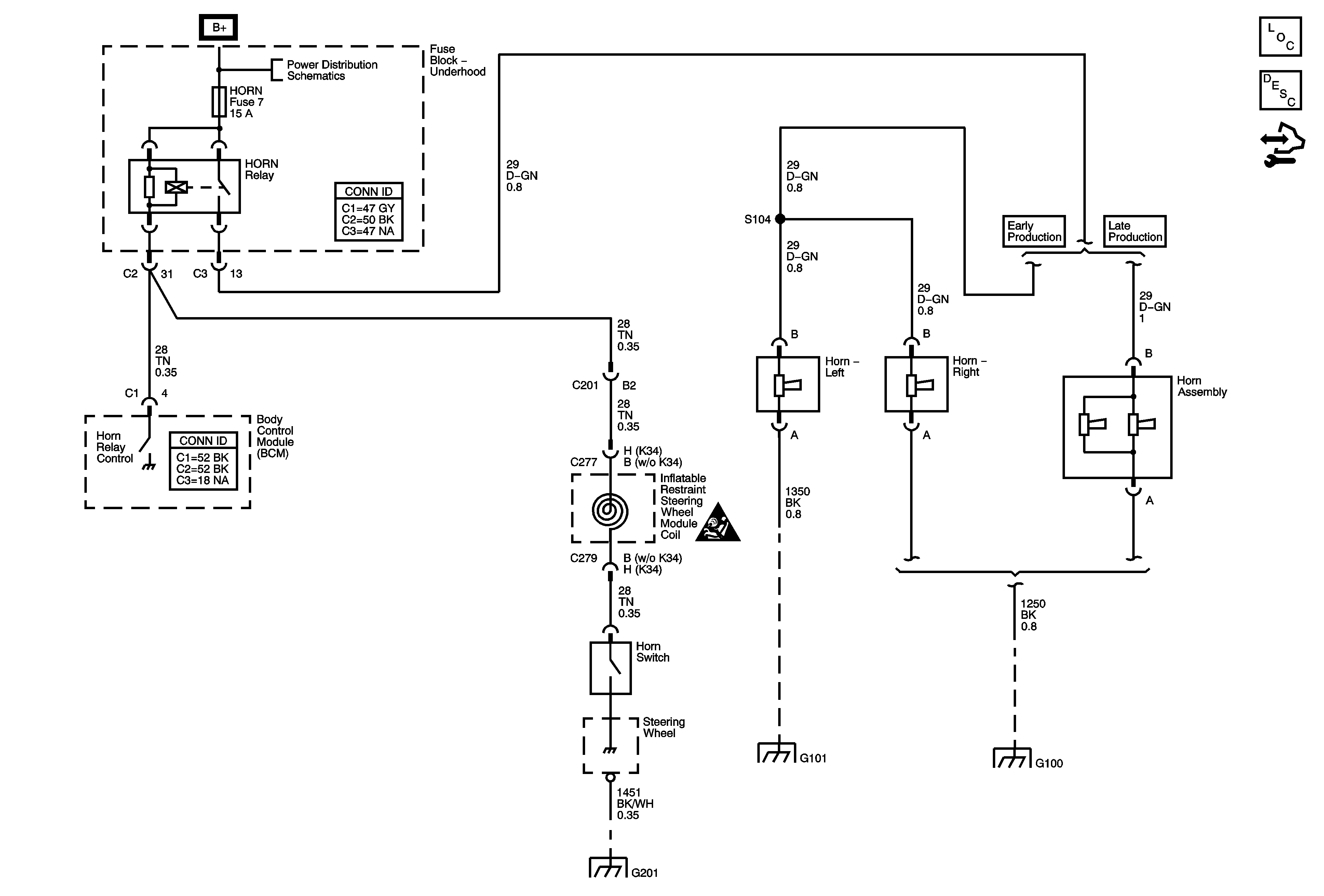
🢒 HornSchematics
HornSchematics
Master Electrical Component List
Horns System Description and Operation
Control Module References
B+ Bus
Horn Schematic Icons
G100 and G101
G100 and G101
G201