GM Service Manual Online
For 1990-2009 cars only
Makes
🢒
Buick
🢒
2007
🢒
Terraza Ext.
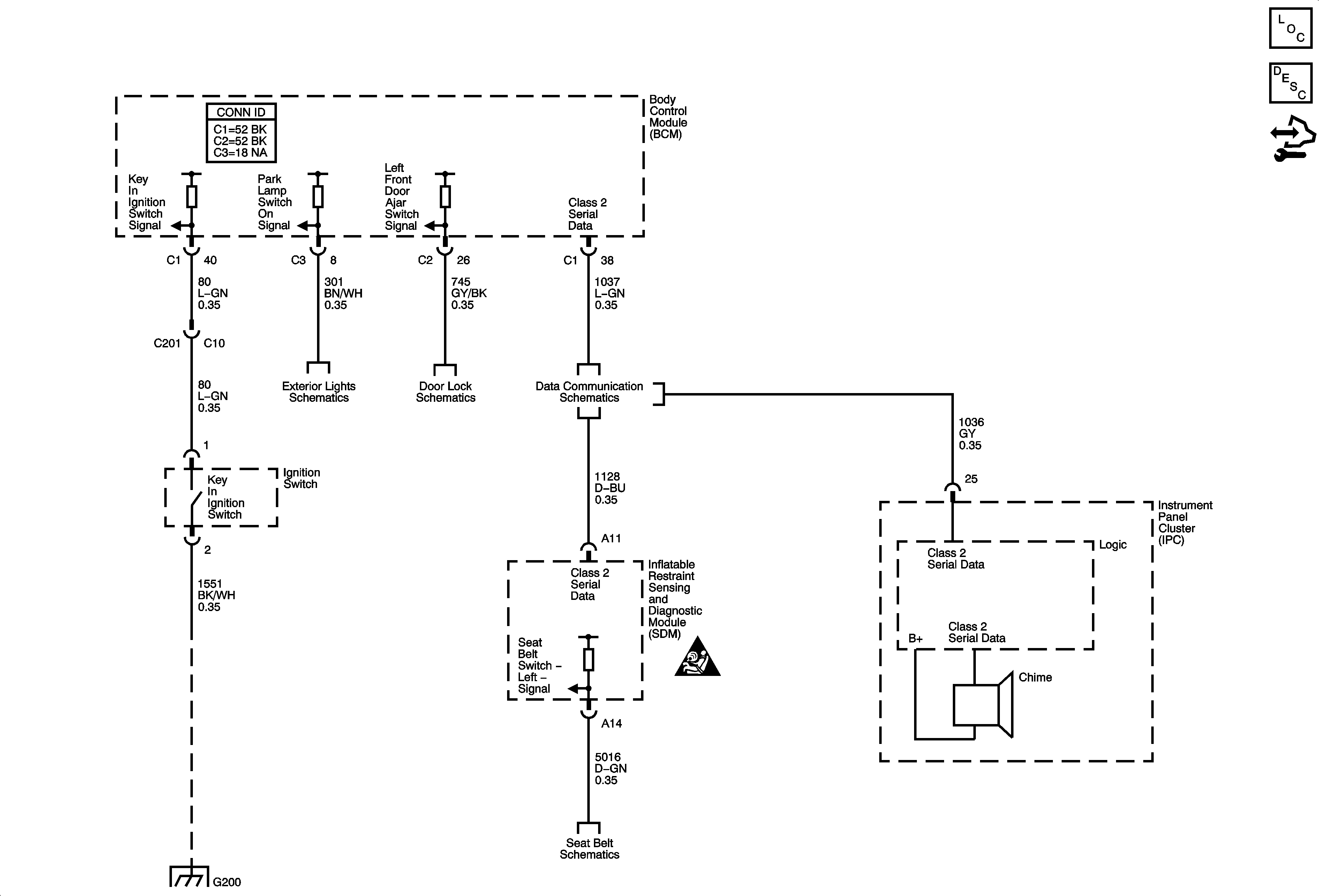
🢒 Audible WarningsSchematics
Audible WarningsSchematics
Master Electrical Component List
Audible Warnings Description and Operation
Control Module References
Park, Marker, and License Lamps
Indicators
Data Communication Schematics
Instrument Panel, Gages, and Console Schematic Icons
G200 - 2 of 2
Seat Belt Schematics