GM Service Manual Online
For 1990-2009 cars only
Makes
🢒
Buick
🢒
2007
🢒
Terraza Ext.
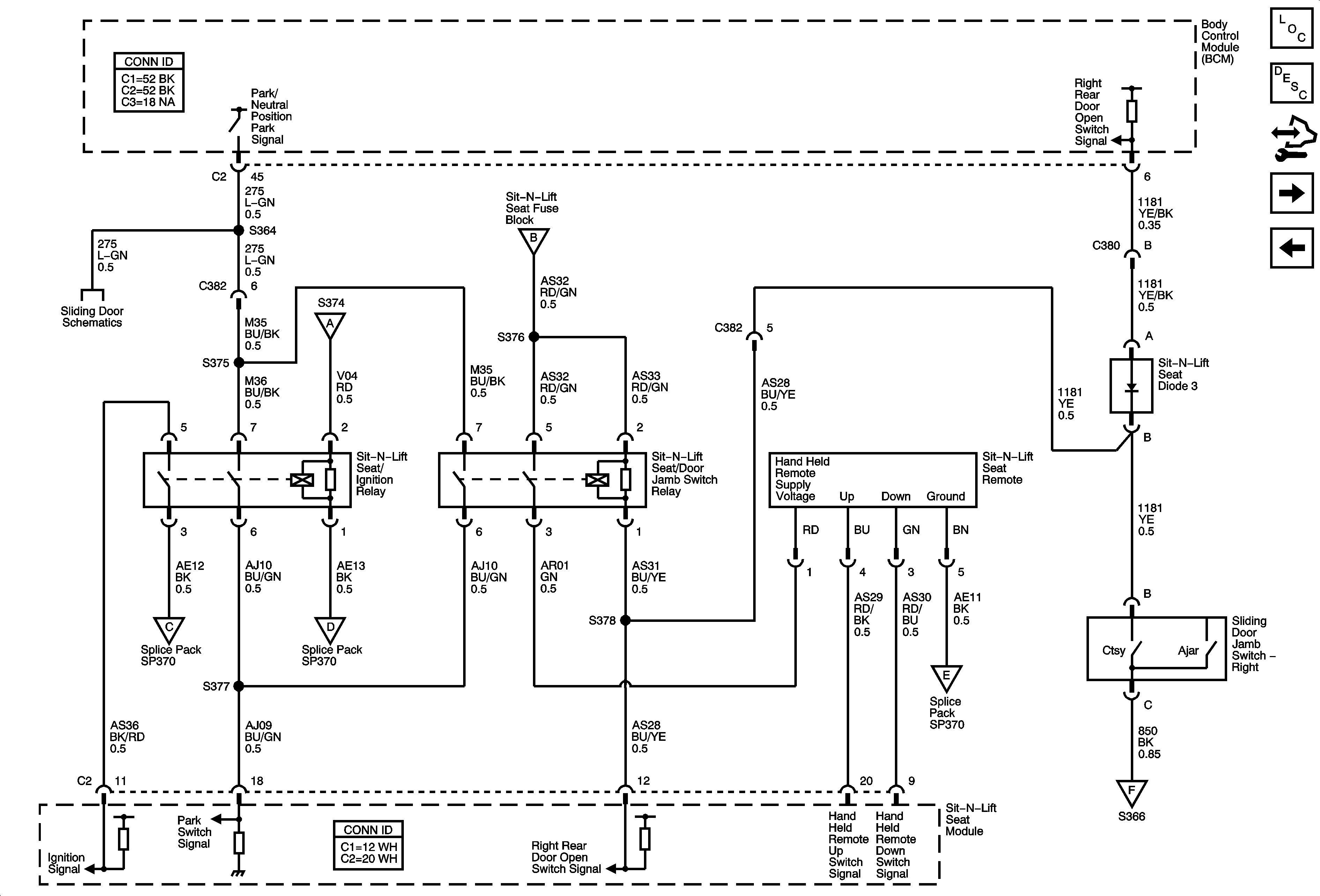
🢒 Sit-N-Lift Seat Door and PNP Interlocks, and Remote
Sit-N-Lift Seat Door and PNP Interlocks, and Remote
Sit-N-Lift Seat Door and PNP Interlocks, and Remote
Master Electrical Component List
Sit-N-Lift Mobility Seat Description and Operation
Control Module References
Sit-N-Lift Seat Grounds and Motors Controls
Sit-N-Lift Seat Power and A/T Shift Interlock
Right Door Controls
Sit-N-Lift Seat Grounds and Motors Controls
Sit-N-Lift Seat Power and A/T Shift Interlock
Sit-N-Lift Seat Power and A/T Shift Interlock
Sit-N-Lift Seat Grounds and Motors Controls
Sit-N-Lift Seat Grounds and Motors Controls
Sit-N-Lift Seat Grounds and Motors Controls