GM Service Manual Online
For 1990-2009 cars only

ANTI-LOCK BRAKE & TRACTION CONTROL SYSTEM DIAGNOSING

Due to a shortage of wiring connectors, the delivery of the 1990 essential tools J-36210-90 (Adapter) and J-36210-OLY (Overlay) will be delayed until May, 1990. Service procedures in Section 5E1 of the New Product Information Manual can still be used for diagnosing the Allante Anti-Lock Brake and Traction Control System (ABS/TCS), but with the following modifications:

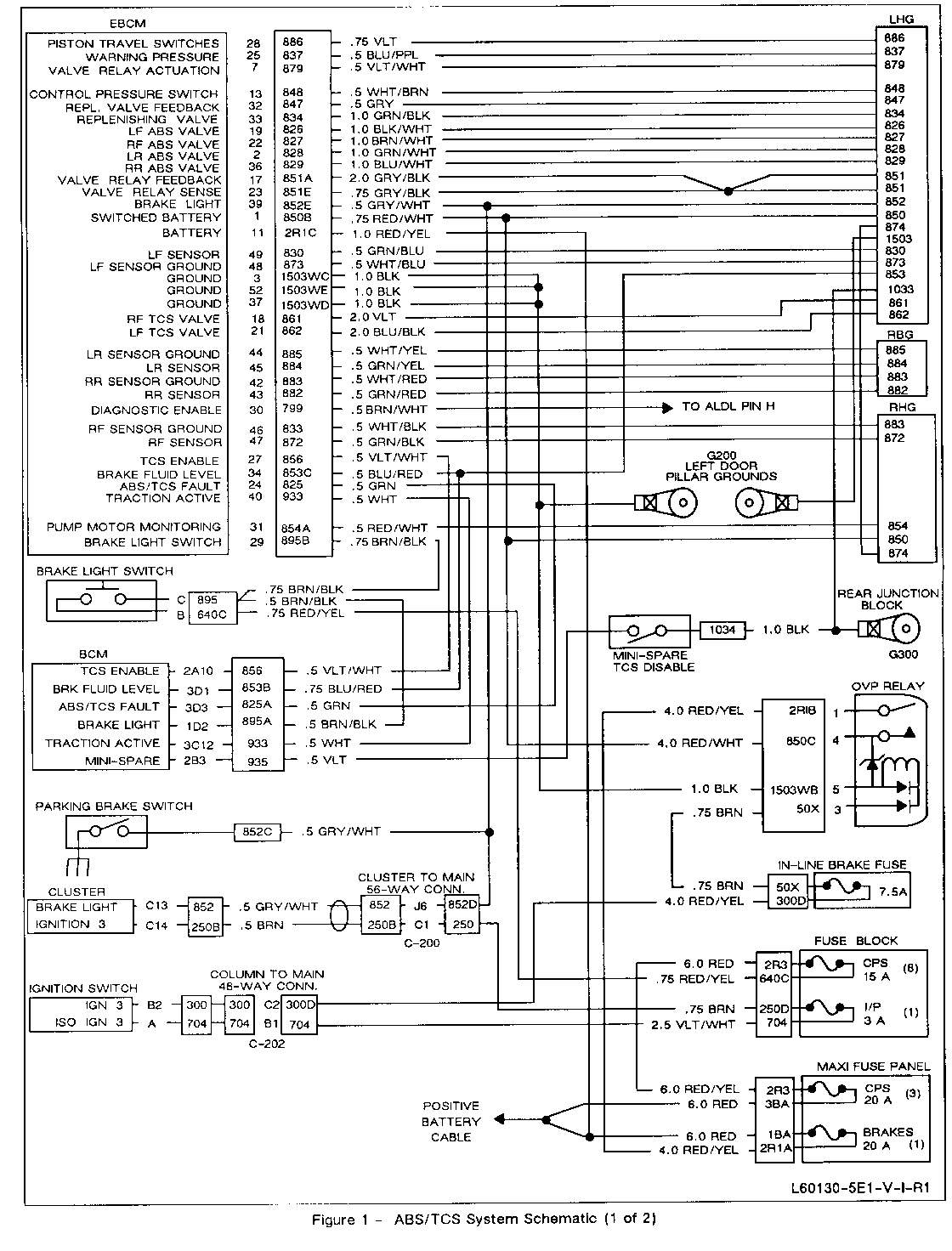
1. Use the revised ABS/TCS schematic which is included in this bulletin. Refer to Figures 1 and 2.

2. Disregard using the pinout box tool (J-36210-OLY) and adapter tool (J-36210-90) when instructed to do so by the diagnostic procedures. Instead, remove the EBCM connector from the EBCM and perform the necessary circuit checks directly at the harness side of the EBCM connector. Pinout box cavity numbers called out in the trouble trees correspond with the pin/cavity numbers shown on the EBCM harness connector. A view of the EBCM connector is shown on page 5E1-l6 and includes cavity locations and circuit numbers. Use care when probing the connector to avoid damage to the ABS/TCS harness.

3. When performing diagnosis procedures for wheel speed sensor or solenoid valve diagnostic codes, disregard using the ABS tester (J-36210) when instructed. Instead, clear the code, test drive the vehicle, and verify if the code resets. If the code resets, replace the EBCM. If the code does not reset, see the note on intermittents on page 5E1-l2.

4. For diagnostic codes 62 through 66, use the diagnostic charts included in this bulletin. These charts should be used instead of those shown in the NPI manual until the adapter and overlay tools have been received. Refer to Figures 3 through 8.

The following information provides some additional troubleshooting hints when performing diagnostic routines in Section 5E1:

1. Perform the ABS/TCS Visual Inspection and Functional Check (pages 5E1-l4 and 5E1-l5) before proceeding with code readout and diagnosis. This will aid in identifying the cause of an obvious system malfunction and may eliminate the need for additional diagnostic procedures.

2. For 1990 the EBCM stores one ABS/TCS diagnostic code until it is erased. On 1987-1989 Allantes codes were automatically erased when the ignition was turned off.

3. If the ABS/TCS is disabled and the red BRAKE lamp is on when the vehicle is in for service, the code stored in most cases will indicate a current fault. If the system is not disabled and the red brake light is off, the code is a history code.

4. The procedure for reading and clearing ABS/TCS diagnostic codes has changed for 1990. Refer to the New Product Information Manual for a complete explanation of all ABS/TCS diagnostic features.


Object Number: 80222  Size: FS


Object Number: 76469  Size: FS


Object Number: 78039  Size: FS


Object Number: 79076  Size: FS


Object Number: 78038  Size: FS


Object Number: 79075  Size: FS


Object Number: 78037  Size: FS


Object Number: 77354  Size: FS

General Motors bulletins are intended for use by professional technicians, not a "do-it-yourselfer". They are written to inform those technicians of conditions that may occur on some vehicles, or to provide information that could assist in the proper service of a vehicle. Properly trained technicians have the equipment, tools, safety instructions and know-how to do a job properly and safely. If a condition is described, do not assume that the bulletin applies to your vehicle, or that your vehicle will have that condition. See a General Motors dealer servicing your brand of General Motors vehicle for information on whether your vehicle may benefit from the information.