GM Service Manual Online
For 1990-2009 cars only

INSTRUMENT PANEL/COWL JITTER/ VIB. (REPL. INSULATORS/TRANS)

SUBJECT: INSTRUMENT PANEL/COWL JITTER/VIBRATION (REPLACE FRONT AND STABILIZER BAR INSULATORS AND TRANSAXLE MOUNT)

VEHICLES AFFECTED: 1993 "V" MODEL

THIS BULLETIN SUPERSEDES AND REPLACES CORPORATE BULLETIN REFERENCE NUMBER 218306.** THIS BULLETIN IS BEING REVISED TO ADD STEPS 7-11 CONCERNING TIRE PRESSURE, FRONT END ALIGNMENT, AND RSS MODULE CALIBRATION.

Some 1993 Cadillac Allantes built prior to production option code V4J may exhibit instrument panel or inside rearview mirror jitter or vibration when driving on smooth roads. The following procedure may improve cars which exhibit this condition.

NOTE: Cars with code V4J already contain the new parts listed in this bulletin. See the Service Parts Identification label on the spare tire well cover to check for option code V4J.

SERVICE PROCEDURE:

1. Replace the front stabilizer bar insulators with new insulators, P/N 3520942. These are tighter and increase clamp load.

2. Remove and discard the upper insulator (doughnut) of the #3 frame mount on each side. Refer to Figure 1. Inspect the lower insulator of the #3 mount for excess rubber flashing which may prevent the mount from fully seating into the frame. Remove any excess rubber, and reinstall the lower mount and upper metal spacer.

IMPORTANT: IT IS CRITICAL THAT THE LOWER INSULATOR OF THE #3 MOUNT FULLY SEATS INTO THE FRAME. USE A RUBBER MALLET TO DRIVE THE MOUNT INTO THE FRAME COMPLETELY.

3. Replace the LH transaxle mount with new higher rate mount, P/N 22145407. Refer to Figure 2.

4. Replace rear stabilizer bar insulators with new insulators, P/N 3539798. These mounts are less tight and reduce the clamp load.

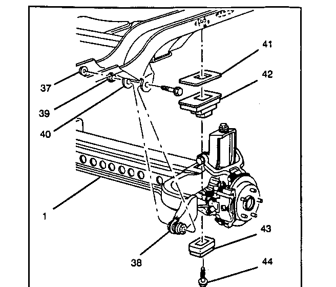
5. Inspect the rear suspension cross member insulators for proper seating and installation. Refer to Figure 3. Check for insulators that are out of alignment with lower body rail and be sure the fasteners are properly torqued to 102 Nm (75 lbs. ft.).

6. Ensure the engine torque struts are not pre-loaded with the engine off. Refer to Figure 4. These struts should not be under any pre-load. To check this loosen the attachment bolt for each strut at their front mounting brackets, and let the struts seek an unloaded position. Then, retorque the attachment bolts to 60 Nm (45 lbs. ft.). The bracket hole is slotted to allow for strut adjustment. In some rare cases you may have to file these slotted holes further to allow for unloaded strut positioning.

7. Check tire inflation pressure and adjust to the following cold tire inflation pressure specifications:

PSI/KPA ------- Front 28/190

Rear 26/180

8. Inspect the tire inflation pressure specifications shown on the tire placard (label) on the left door. If necessary, change (write over) the indicated tire speed rating and inflation pressures so the tire placard reads as follows:

Front Speed Rating Cold Tire Pressure PSI/KPA Rear S S 28/190 26/180

9. Install an additional "High Speed" tire Label, P/N 3543815 on the left door in the employ space below the existing tire placard.

NOTE: This additional label was introduced during the 1993 model year and may already be installed on some cars. This step is absolutely mandatory if the tire pressures are reduced.

10. Check front end alignment and reset caster to minimum allowable value of + 1.5 degrees on both sides. Camber and toe can be set anywhere within the ranges given in Section 3A of the Service Information Manual.

11. Using on-board diagnostics, check the EEPROM I.D. (RTD data parameter "SD99") of the Road Sensing Suspension (RSS) module. If the EEPROM I.D. is 12" or greater, no further action is required. If the EEPROM I.D. is "11" install a new RSS Module (P/N 22121948)

For vehicles repaired under warranty use:

Labour Time: 1.5 hours.

PLEASE SEE FIGURE 1

1 FRAME ASSEMBLY 4 CAGE NUT 7 LOWER INSULATOR

2 BODY ASSEMBLY 5 NUT 9 Nm (89 lb. in.) 8 RETAINER

3 SPACER 6 UPPER INSULATOR 9 BOLT 100 Nm (74 1b.ft.)

PLEASE SEE FIGURE 2

1 TRANSAXLE

2 LEFT TRANSAXLE MOUNT

3 LEFT TRANSAXLE MOUNT BRACKET

4 FRAME

5 NUT (47 Nm/35 LB. FT.)

6 BOLT (47 Nm/35 LB. FT.)

PLEASE SEE FIGURE 3

1 SUSPENSION SUPPORT

37 NUT, SUSPENSION SUPPORT FORWARD ARM - [RIGHT SIDE 63 N.m (46 FT. LBS.)]

38 BUSHING, SUSPENSION SUPPORT FORWARD ARM

39 WASHER, SUSPENSION SUPPORT FORWARD ARM (USED ON LH SIDE ONLY)

40 BOLT, SUSPENSION SUPPORT FORWARD ARM - (LEFT SIDE 102 N.m (75 FT. LBS.)]

41 SPACER, SUSPENSION SUPPORT

42 INSULATOR, SUSPENSION SUPPORT UPPER

43 INSULATOR, SUSPENSION SUPPORT LOWER

44 BOLT, SUSPENSION SUPPORT UPPER MOUNTING - 102 N.m (75 FT. LBS.)

PLEASE SEE FIGURE 4

1 RIGHT TORQUE STRUT

2 LEFT TORQUE STRUT

3 REAR TRANSMISSION HYDROMOUNT

4 TRANSMISSION HYDROMOUNT

5 ENGINE HYDROMOUNT


Object Number: 77263  Size: FS


Object Number: 78857  Size: FS


Object Number: 90313  Size: MF


Object Number: 88860  Size: LF

General Motors bulletins are intended for use by professional technicians, not a "do-it-yourselfer". They are written to inform those technicians of conditions that may occur on some vehicles, or to provide information that could assist in the proper service of a vehicle. Properly trained technicians have the equipment, tools, safety instructions and know-how to do a job properly and safely. If a condition is described, do not assume that the bulletin applies to your vehicle, or that your vehicle will have that condition. See a General Motors dealer servicing your brand of General Motors vehicle for information on whether your vehicle may benefit from the information.