GM Service Manual Online
For 1990-2009 cars only

Removal Procedure


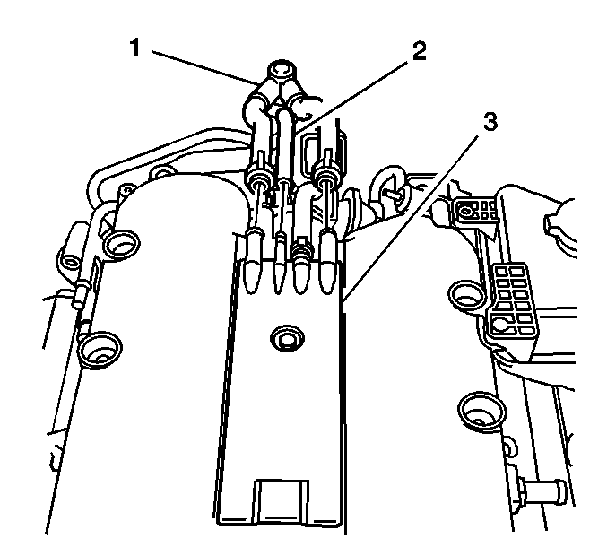
    Object Number: 821094  Size: SH
  1. Disconnect the following from the engine vent adapter (3):
  2. • The crankcase ventilation fresh air hoses (1)
    • The crankcase ventilation dirty air hose (2)

    Object Number: 794128  Size: SH
  3. Disconnect the crankcase ventilation dirty air hose retainer (2) from the fuel pipe.

  4. Object Number: 821095  Size: SH
  5. Disconnect the following from the crankcase vent housing (4):
  6. • The crankcase ventilation fresh air hose (2)
    • The crankcase ventilation dirty air hose (3)

Installation Procedure


    Object Number: 821095  Size: SH
  1. Connect the following to the crankcase vent housing (4):
  2. • The crankcase ventilation fresh air hose (2)
    • The crankcase ventilation dirty air hose (3)

    Object Number: 794128  Size: SH
  3. Connect the crankcase ventilation dirty air hose retainer (2) to the fuel pipe.

  4. Object Number: 821094  Size: SH
  5. Connect the following to the engine vent adapter (3):
  6. • The crankcase ventilation fresh air hoses (1)
    • The crankcase ventilation dirty air hose (2)