GM Service Manual Online
For 1990-2009 cars only
Figure 1:

Power, Ground, Serial Data, and MIL


Object Number: 866172  Size: FS
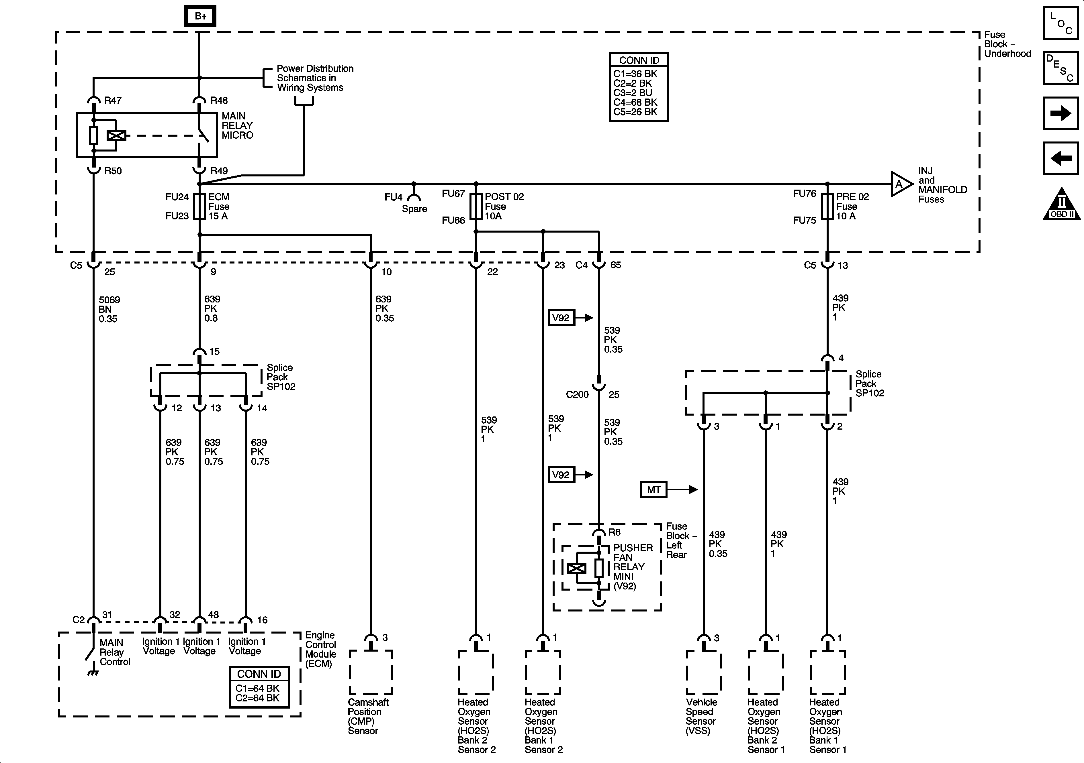
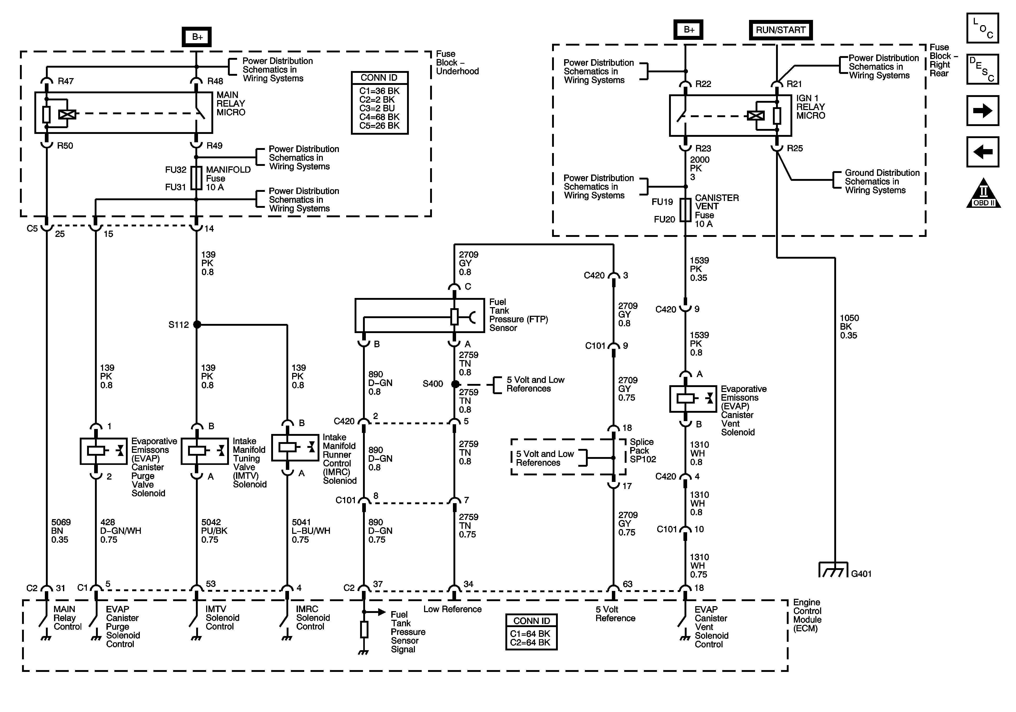
Figure 2:

Underhood Fuse Block Main Relay 1 of 2


Object Number: 866228  Size: FS
Figure 3:

Underhood Fuse Block Main Relay 2 of 2


Object Number: 866232  Size: FS
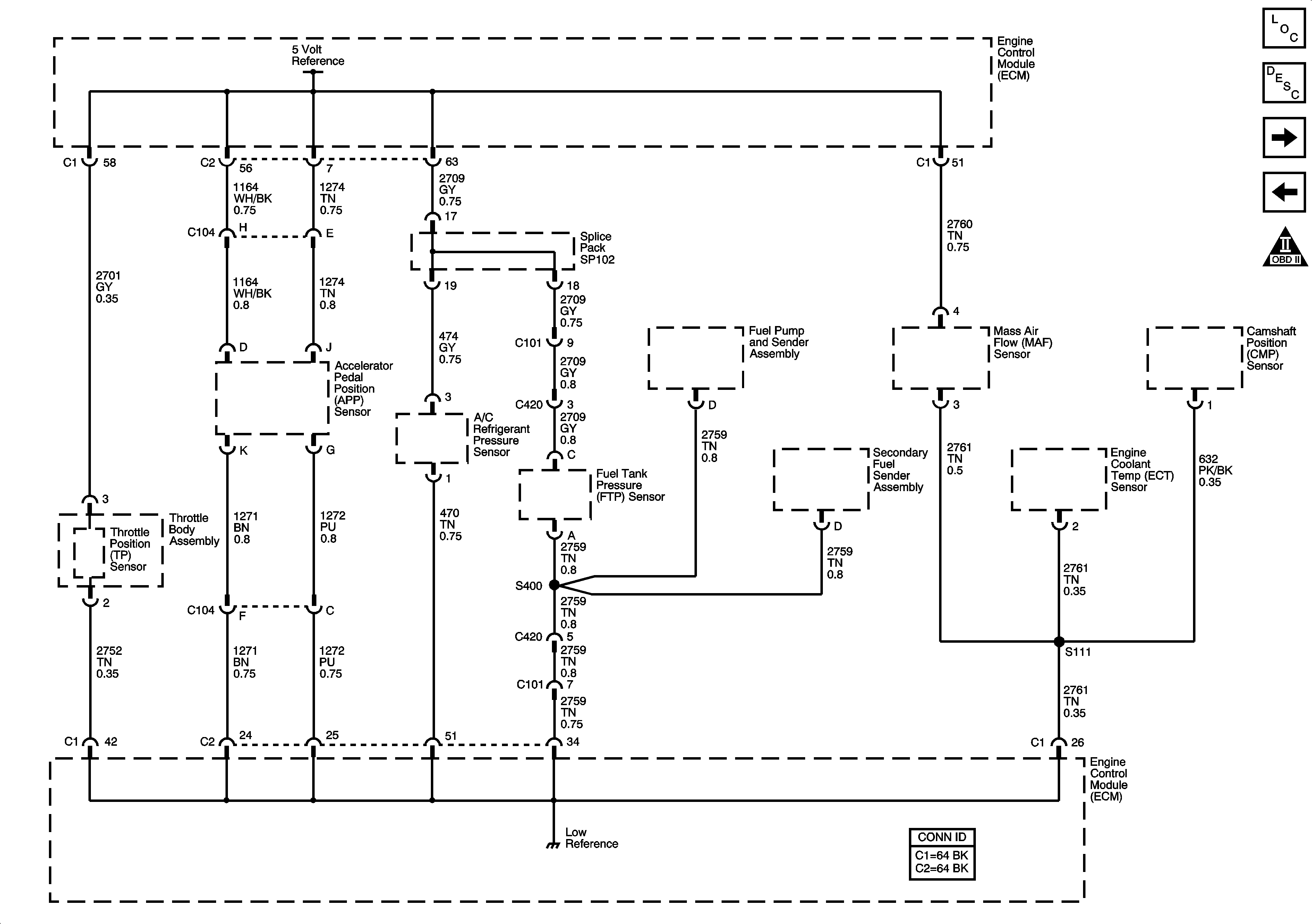
Figure 4:

5 Volt and Low References


Object Number: 821462  Size: FS
Figure 5:

Extended Travel Brake Switch, ECT and MAF/IAT Sensors


Object Number: 866233  Size: FS
Figure 6:

Engine Data Sensors - Oxygen Sensors


Object Number: 866237  Size: FS
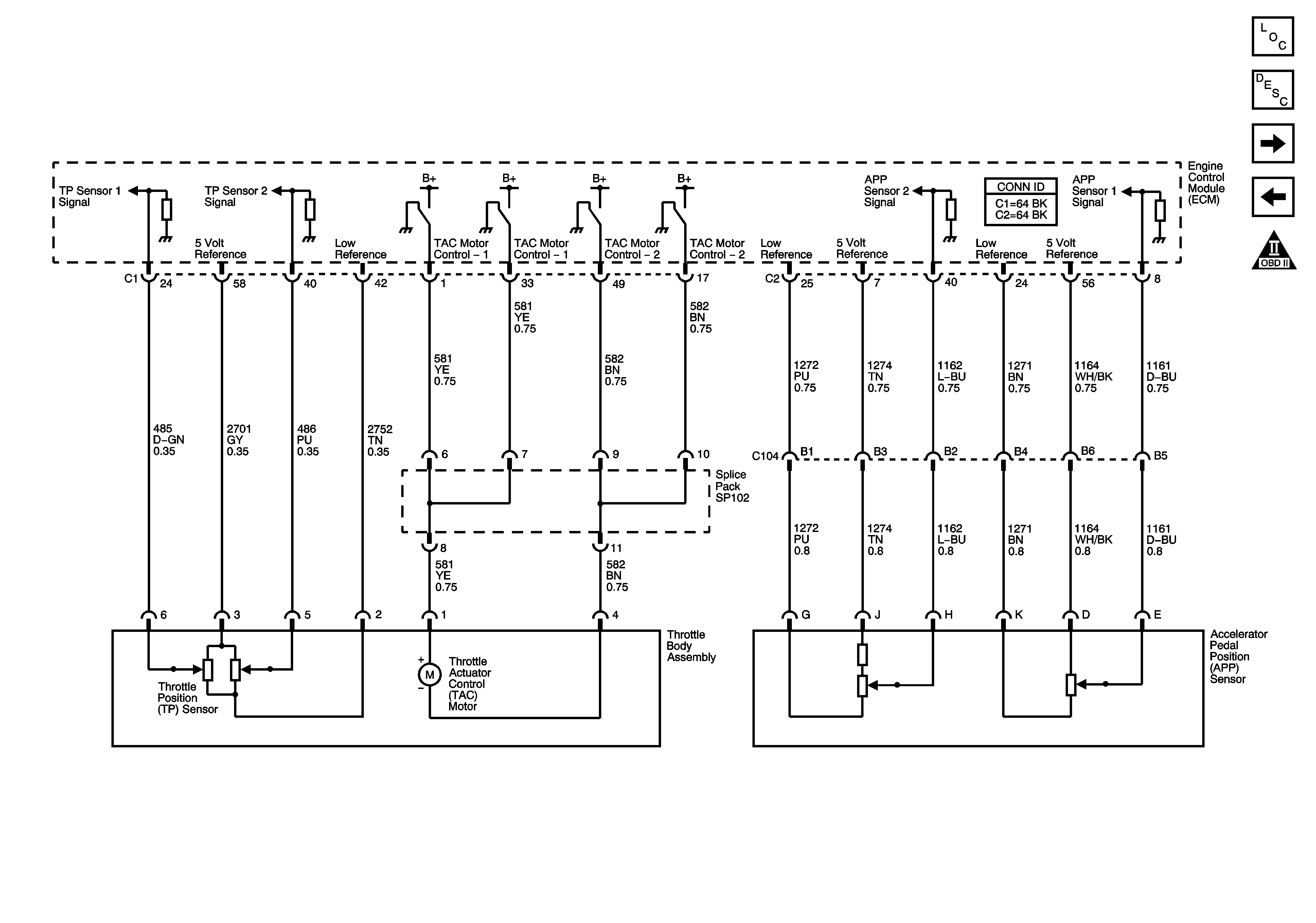
Figure 7:

Engine Data Sensors - Electronic Throttle Controls


Object Number: 843484  Size: FS
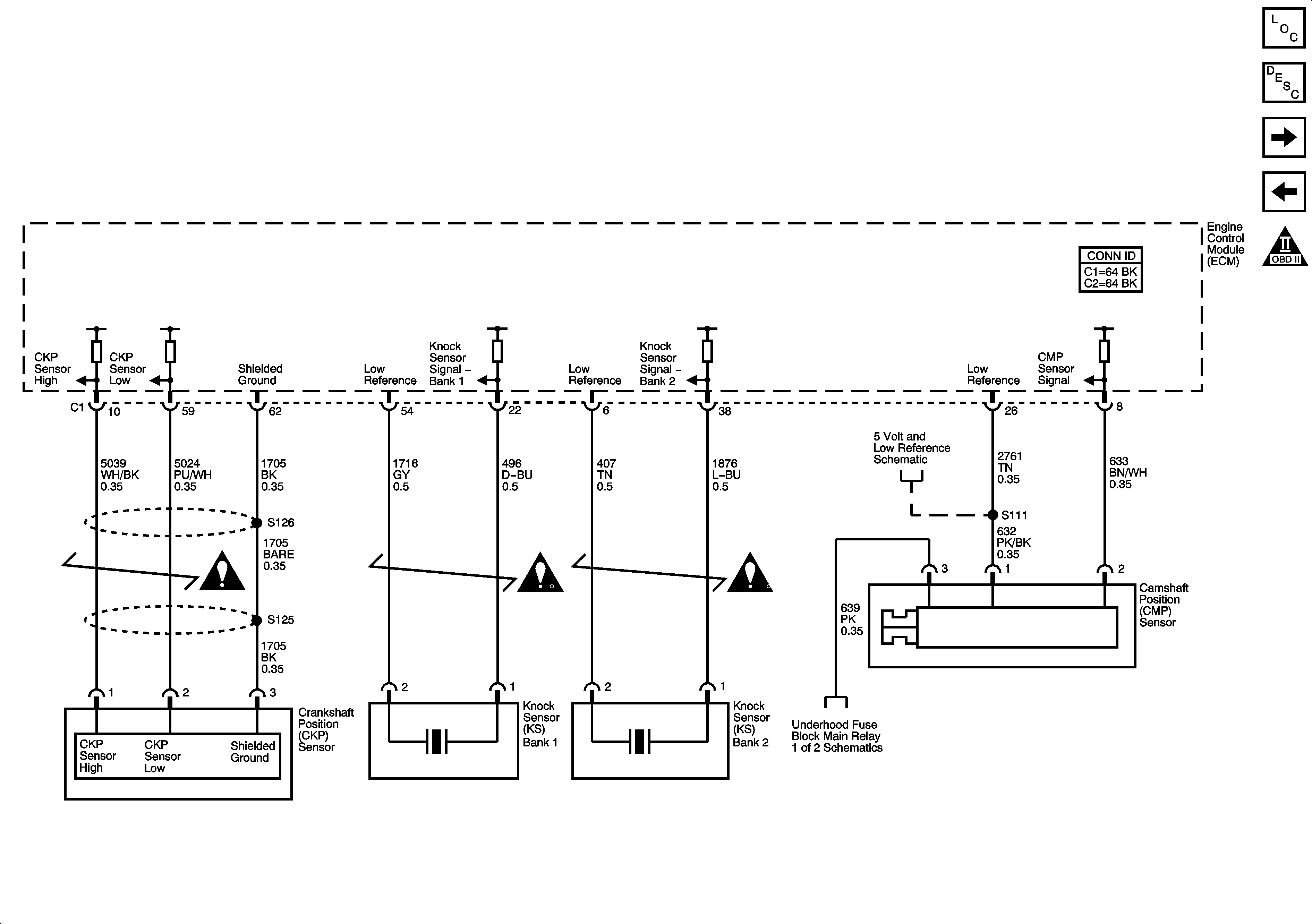
Figure 8:

Engine Data Sensors - CKP, CMP, and KS Sensors


Object Number: 821469  Size: FS
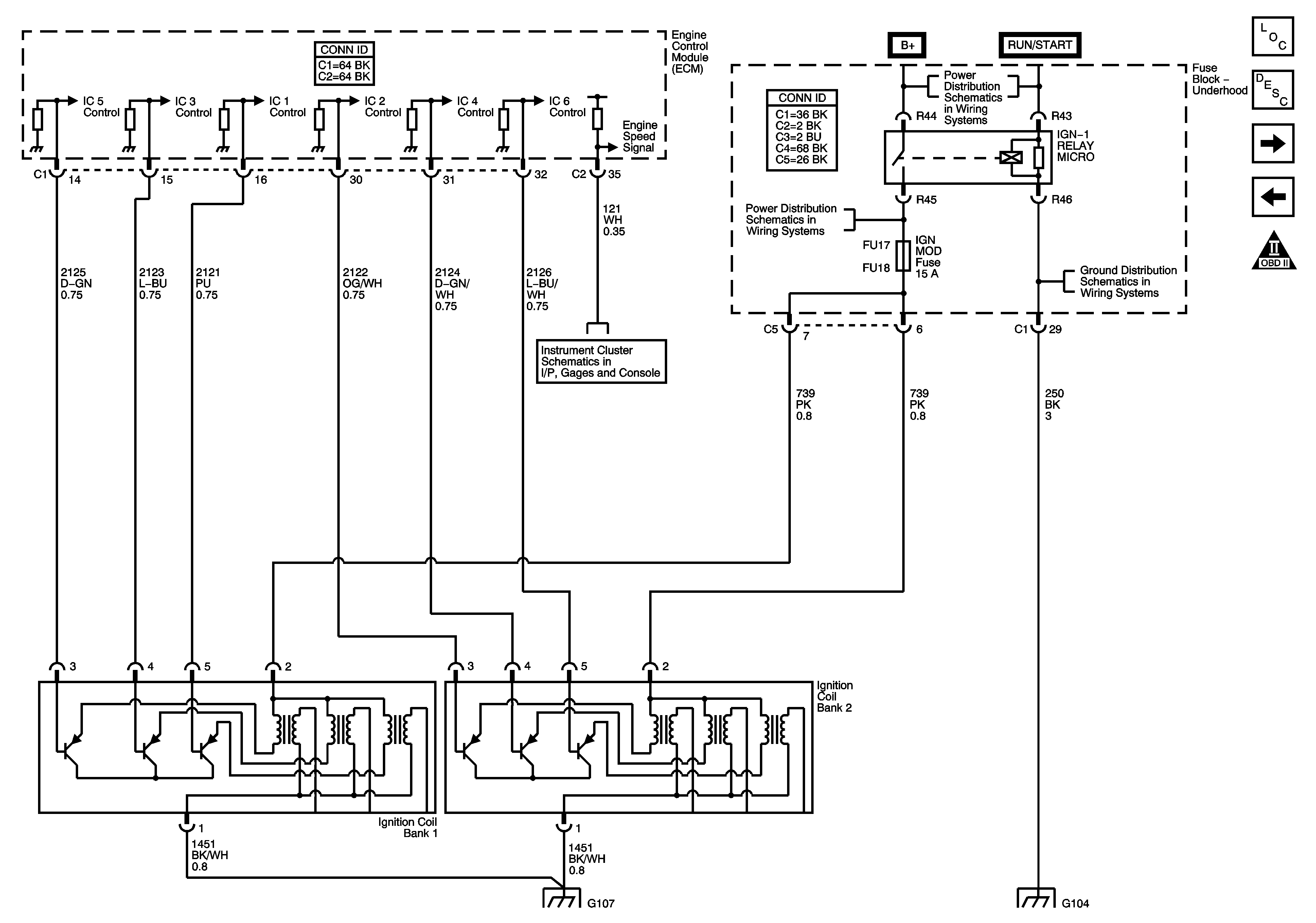
Figure 9:

Ignition Coils


Object Number: 821468  Size: FS
Figure 10:

Fuel Injectors, Fuel Pump Relay, and Fuel Pump/Sender Assembly


Object Number: 821471  Size: FS
Figure 11:

Fuel Controls - EVAP Controls


Object Number: 821472  Size: FS
Figure 12:

Controlled/Monitored Sub-System References


Object Number: 821473  Size: FS