GM Service Manual Online
For 1990-2009 cars only
Makes
🢒
Cadillac
🢒
2003
🢒
CTS
🢒
Transmission/Transaxle
🢒
Automatic Transmission - 5L40-E
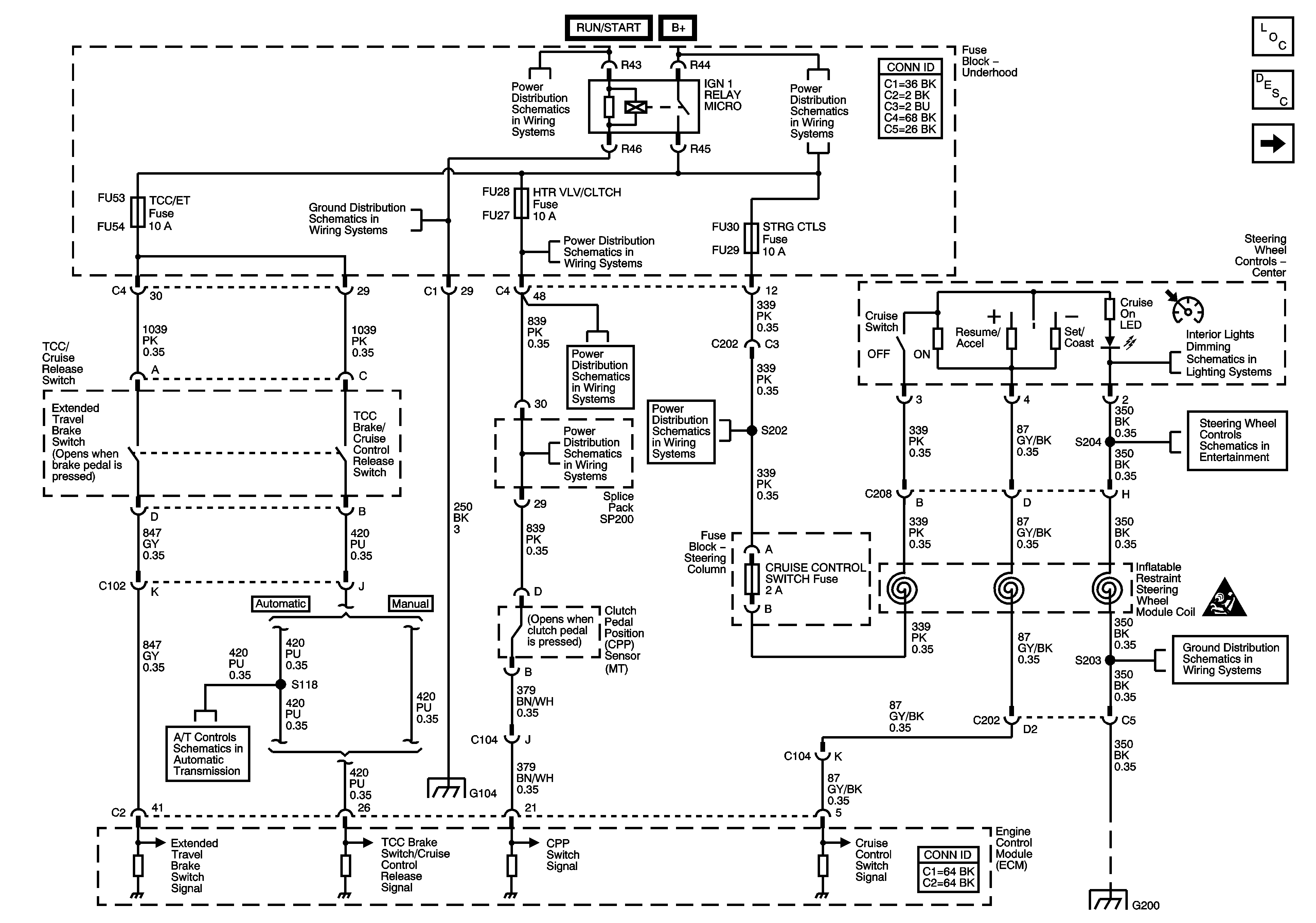
🢒 Cruise Control Schematics