GM Service Manual Online
For 1990-2009 cars only
Makes
🢒
Cadillac
🢒
2003
🢒
CTS
🢒
Restraints
🢒
Seat Belts
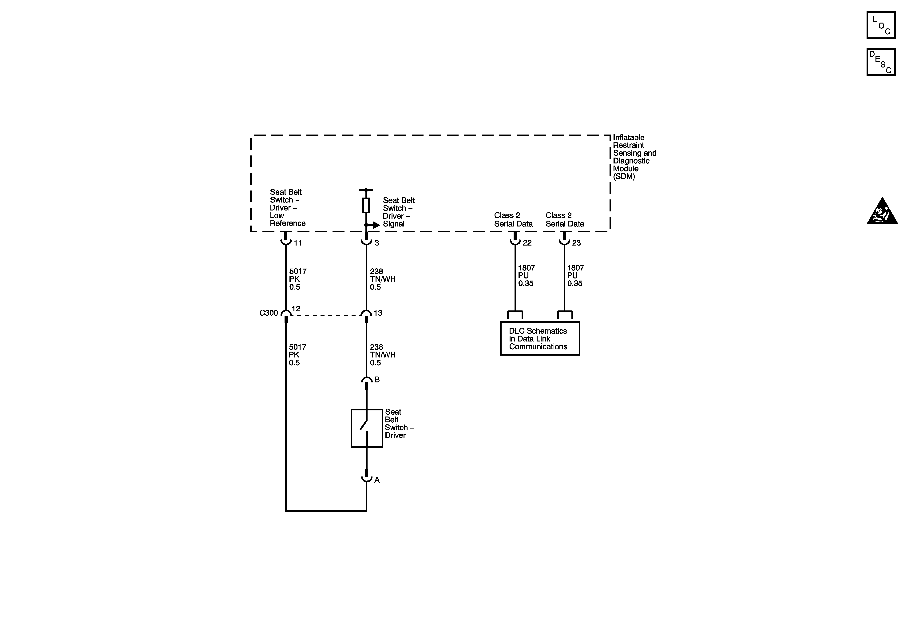
🢒 Seat Belt Schematics
SIR Caution for Zoning
Class 2 (LHD) 2 of 2
Power, Ground and Front End Sensor