GM Service Manual Online
For 1990-2009 cars only
Makes
🢒
Cadillac
🢒
2003
🢒
CTS
🢒
Body and Accessories
🢒
Wiring Systems
🢒 Power Window Schematics
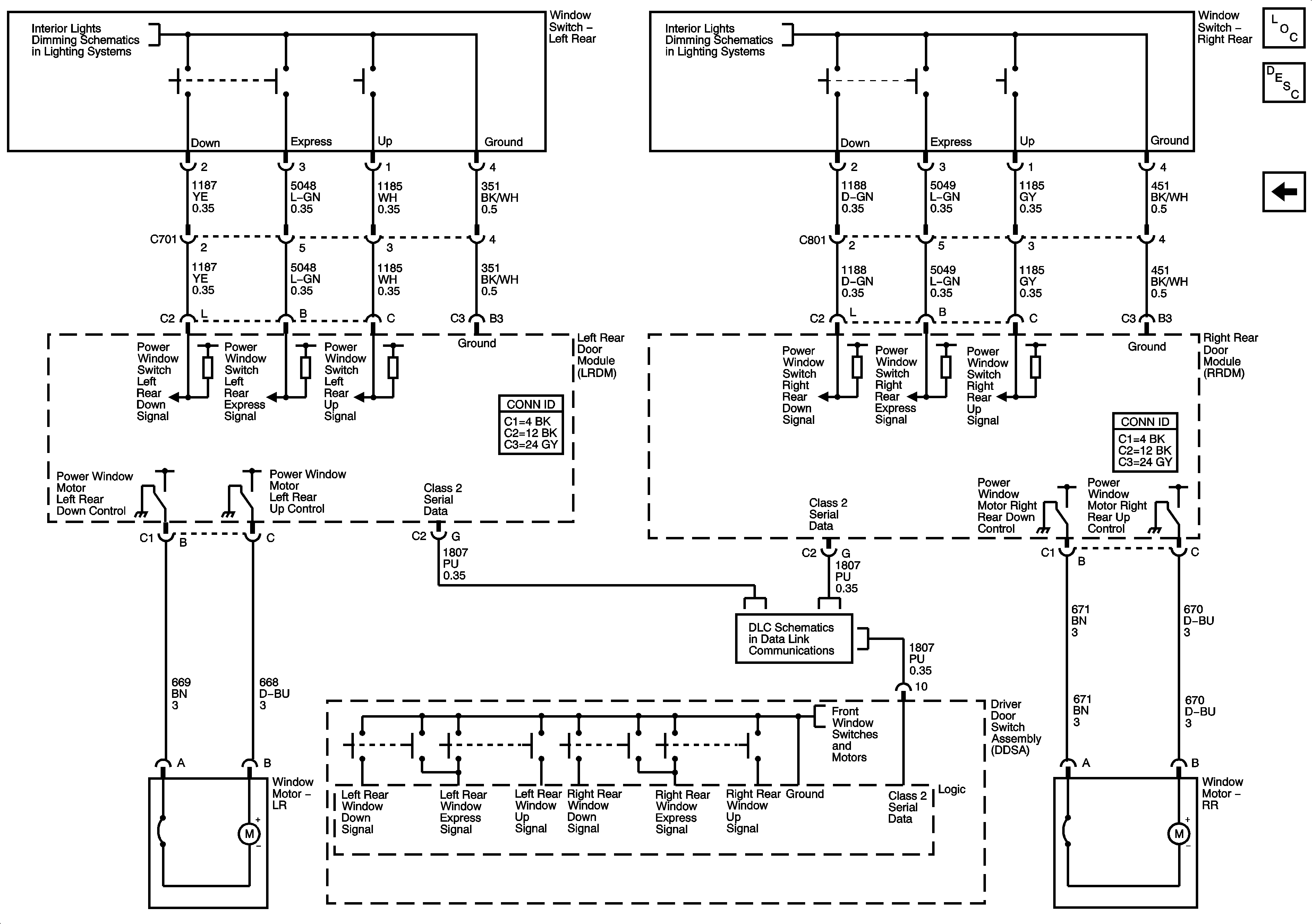
Figure
1:
Front Passenger Window Switch
Power Window Schematics Rear Window Switches and Motors
DDM Signals/Controls 1 of 2
Interior Lights Dimming Schematics ( 2 of 2 )
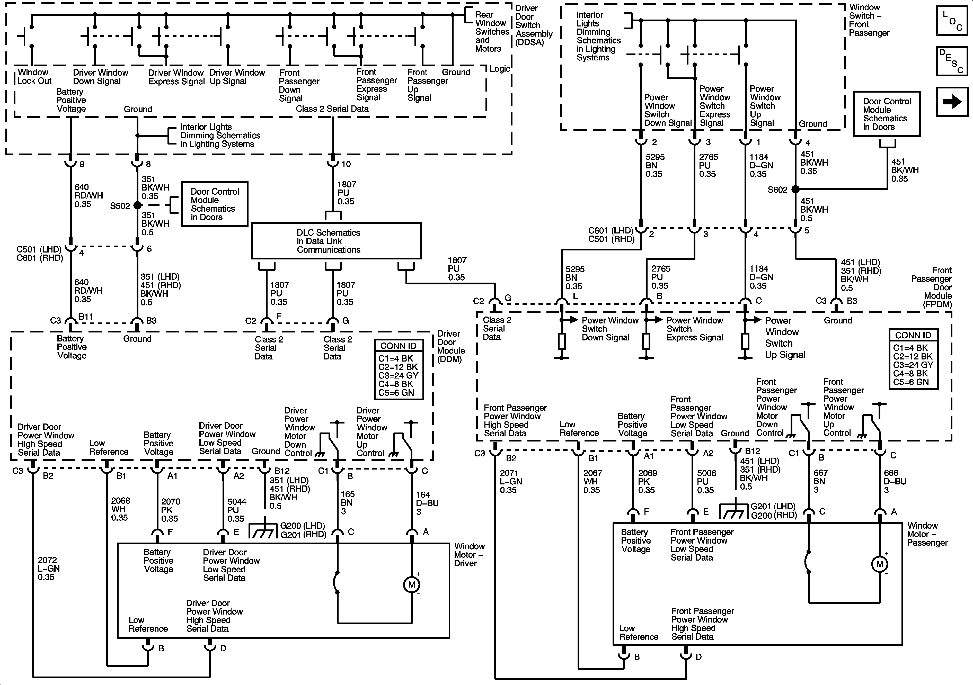
Figure
2:
Rear Window Switches and Motors
Power Window Schematics Passenger Window Switch and Sensors