GM Service Manual Online
For 1990-2009 cars only
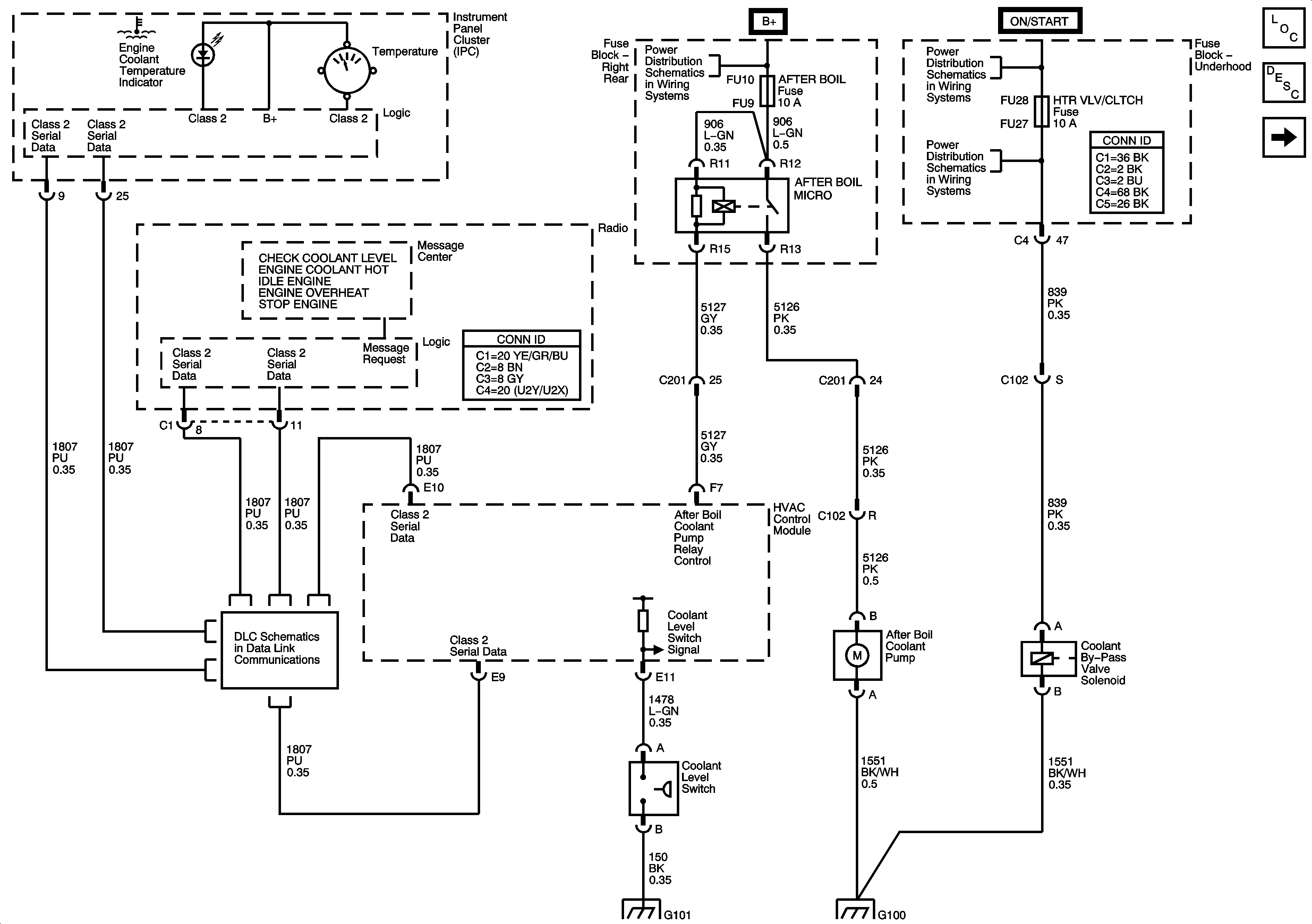
Figure 1:

Coolant By-Pass Solenoid and Afterboil Coolant Pump


Object Number: 791121  Size: FS
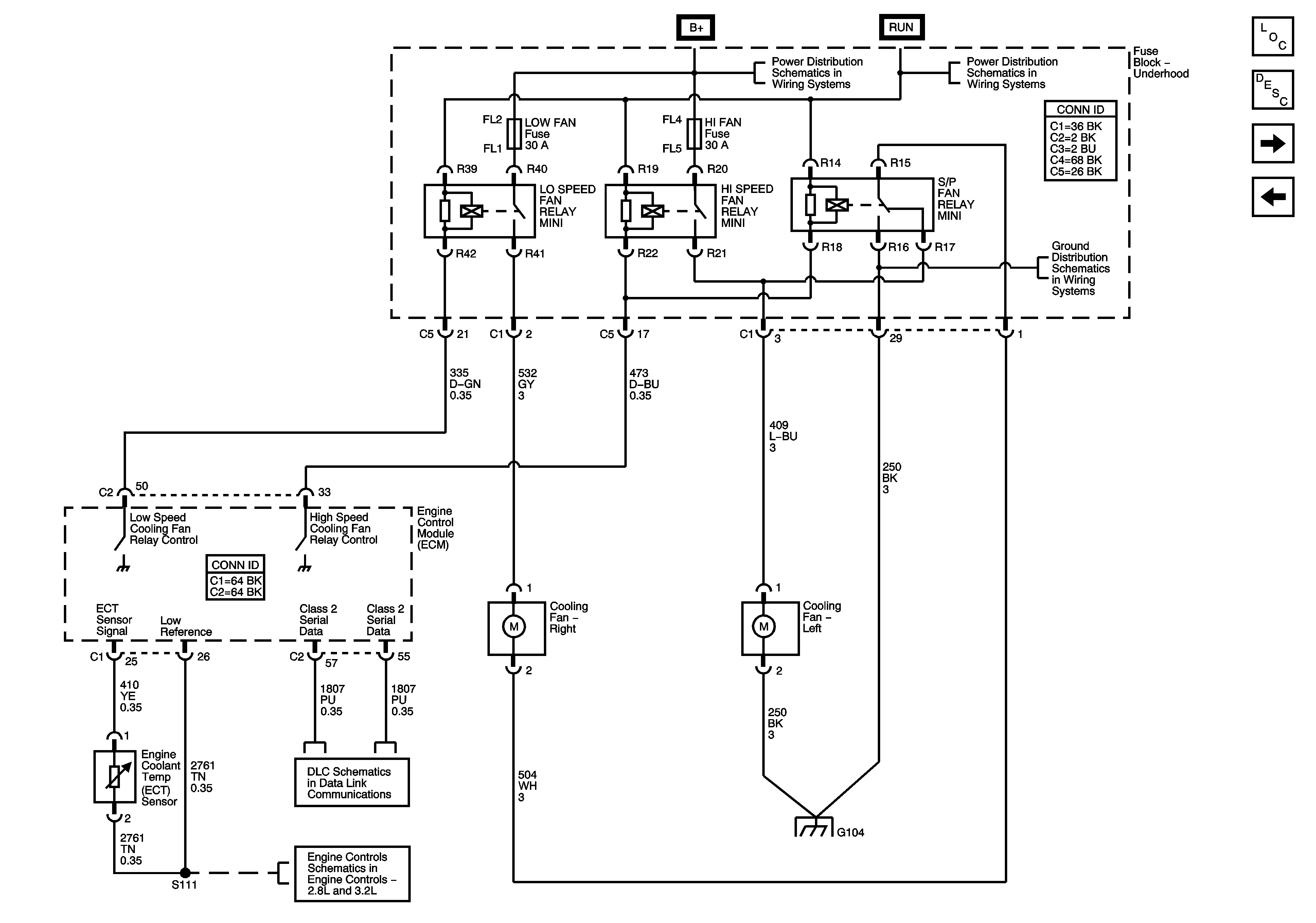
Figure 2:

Cooling Fans (Export)


Object Number: 788923  Size: FS
Figure 3:

Cooling Fans (Domestic)


Object Number: 638455  Size: FS