GM Service Manual Online
For 1990-2009 cars only
Figure 1:

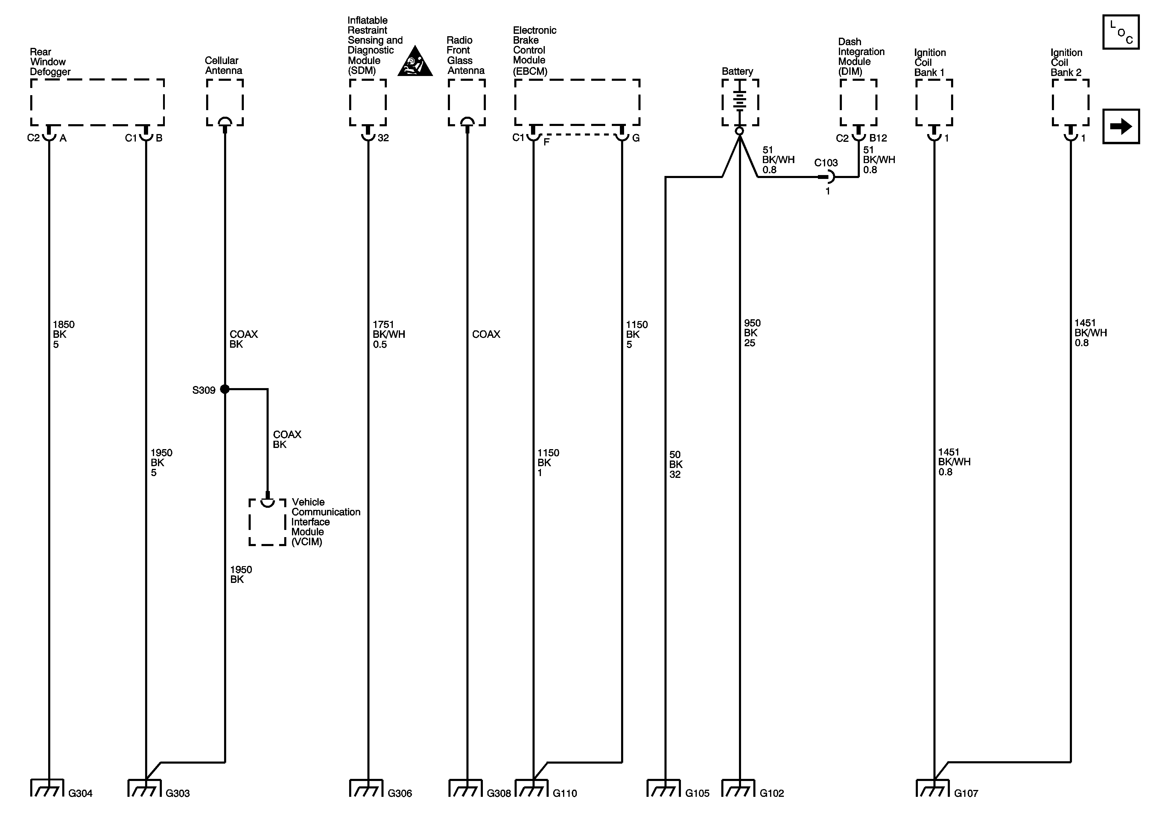
G110, G102, and G304


Object Number: 638982  Size: FS
Figure 2:

G100


Object Number: 638984  Size: FS
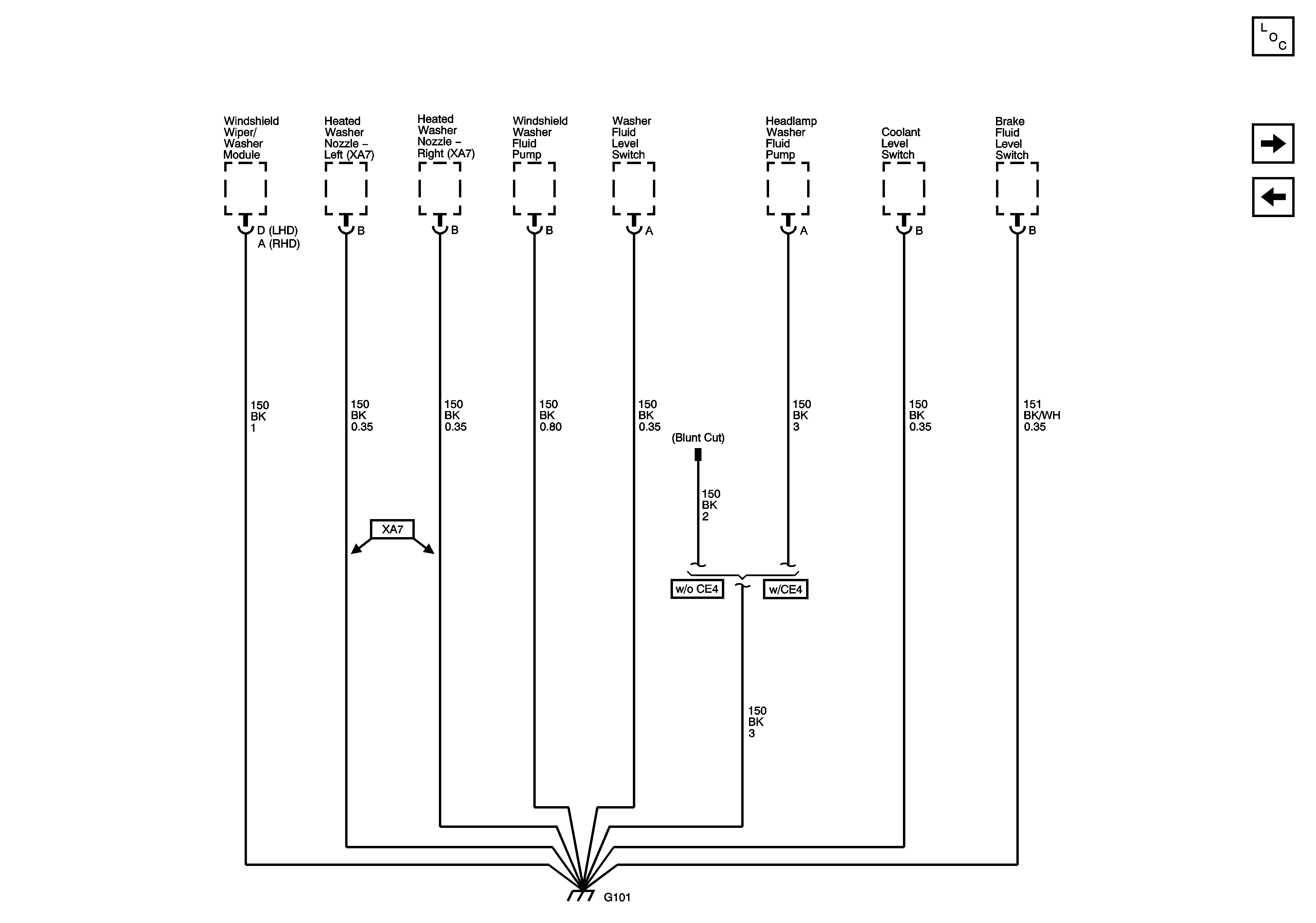
Figure 3:

G101


Object Number: 788978  Size: FS
Figure 4:

G104 - 1 of 2


Object Number: 638958  Size: FS
Figure 5:

G104 ( 2 of 2 )


Object Number: 789104  Size: FS
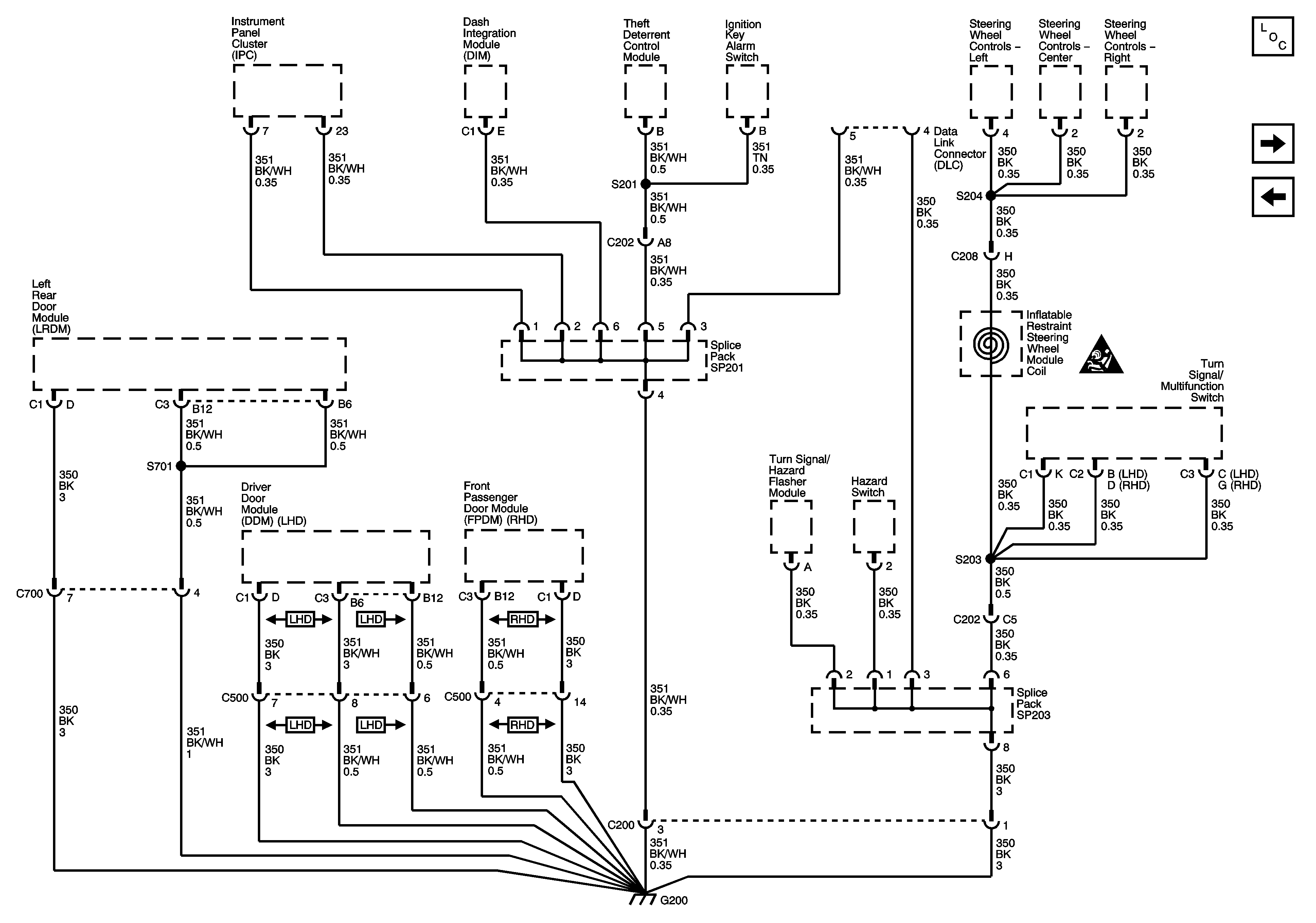
Figure 6:

G200


Object Number: 638965  Size: FS
Figure 7:

G201


Object Number: 638972  Size: FS
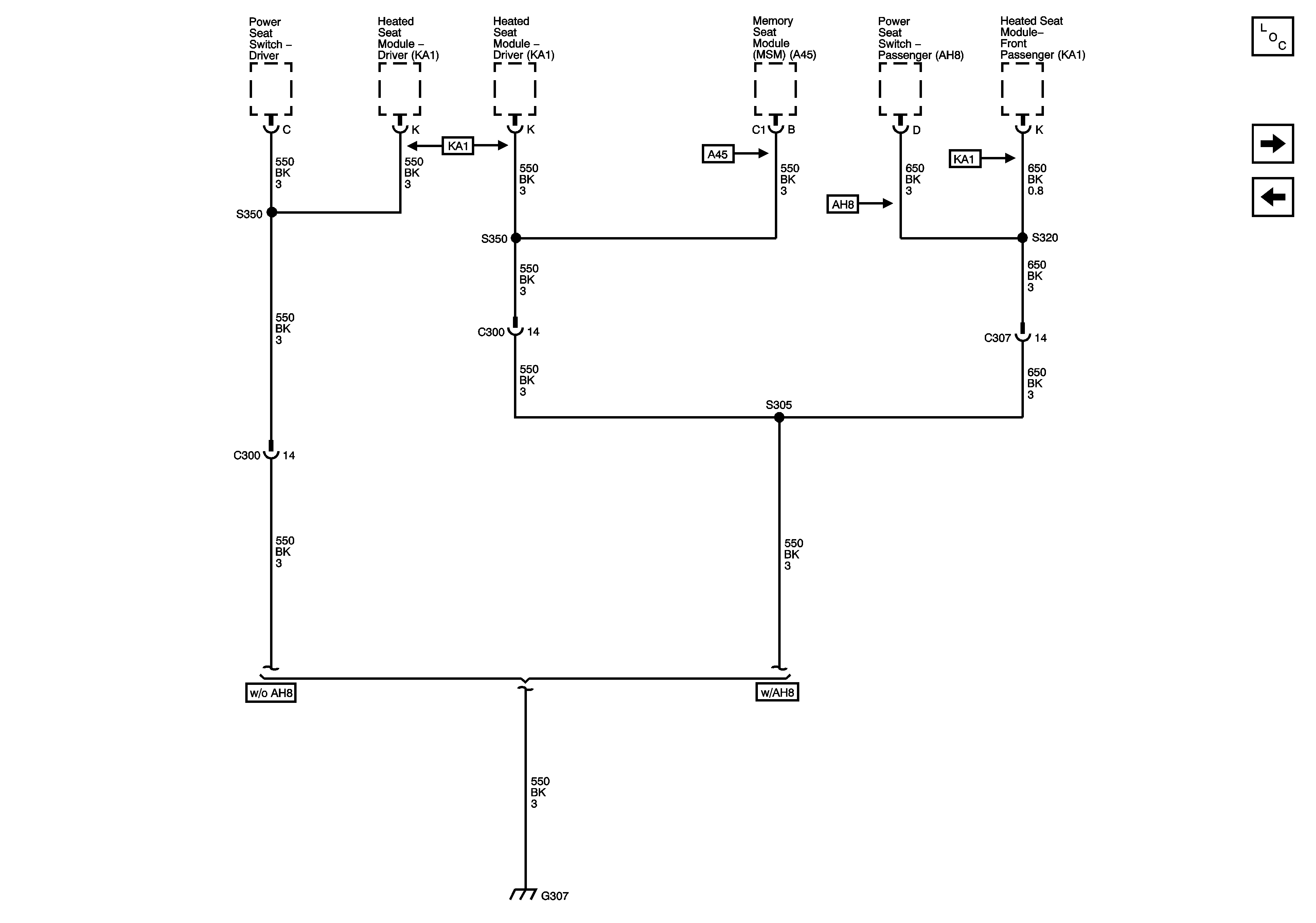
Figure 8:

G307


Object Number: 638968  Size: FS
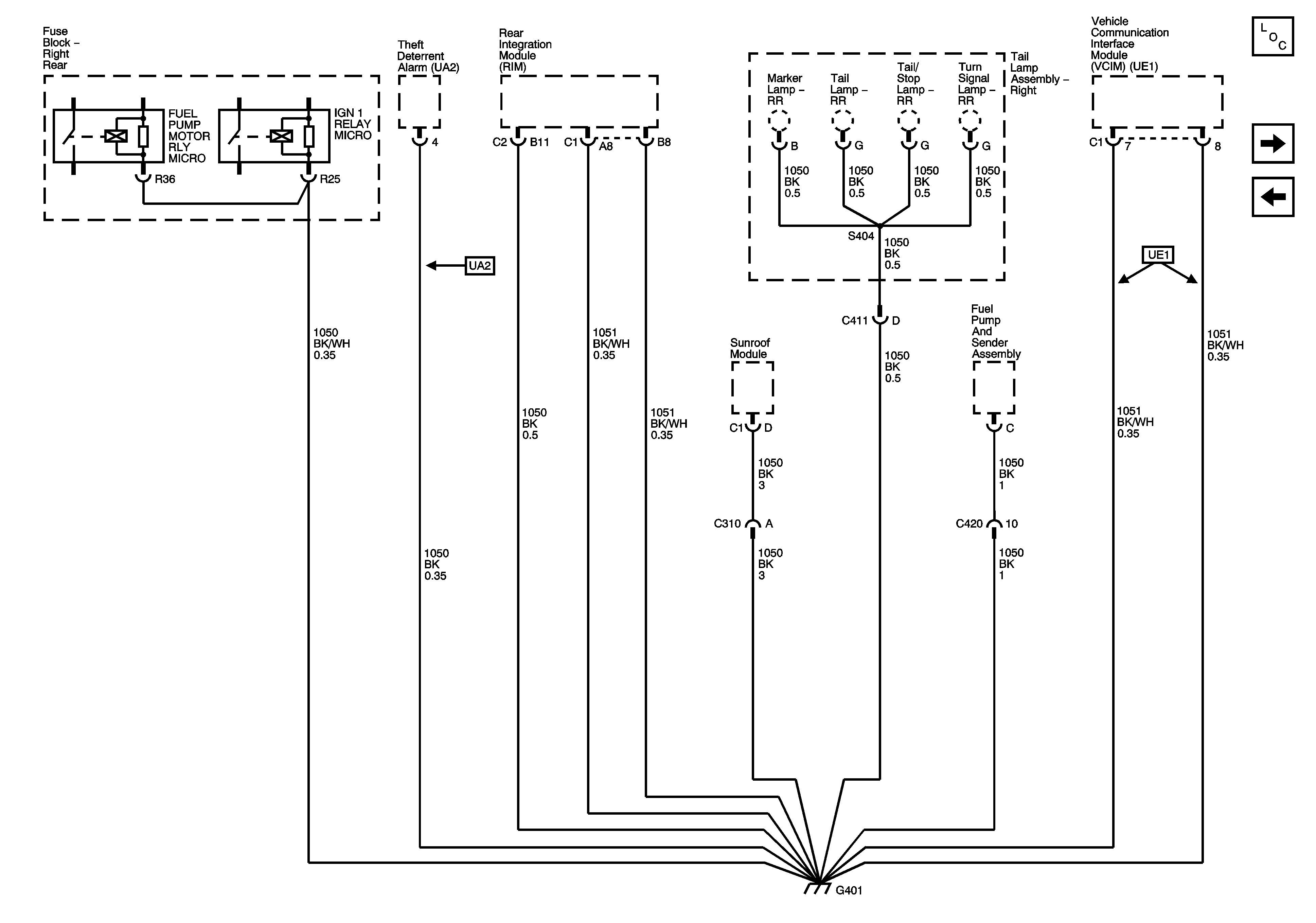
Figure 9:

G401


Object Number: 638988  Size: FS
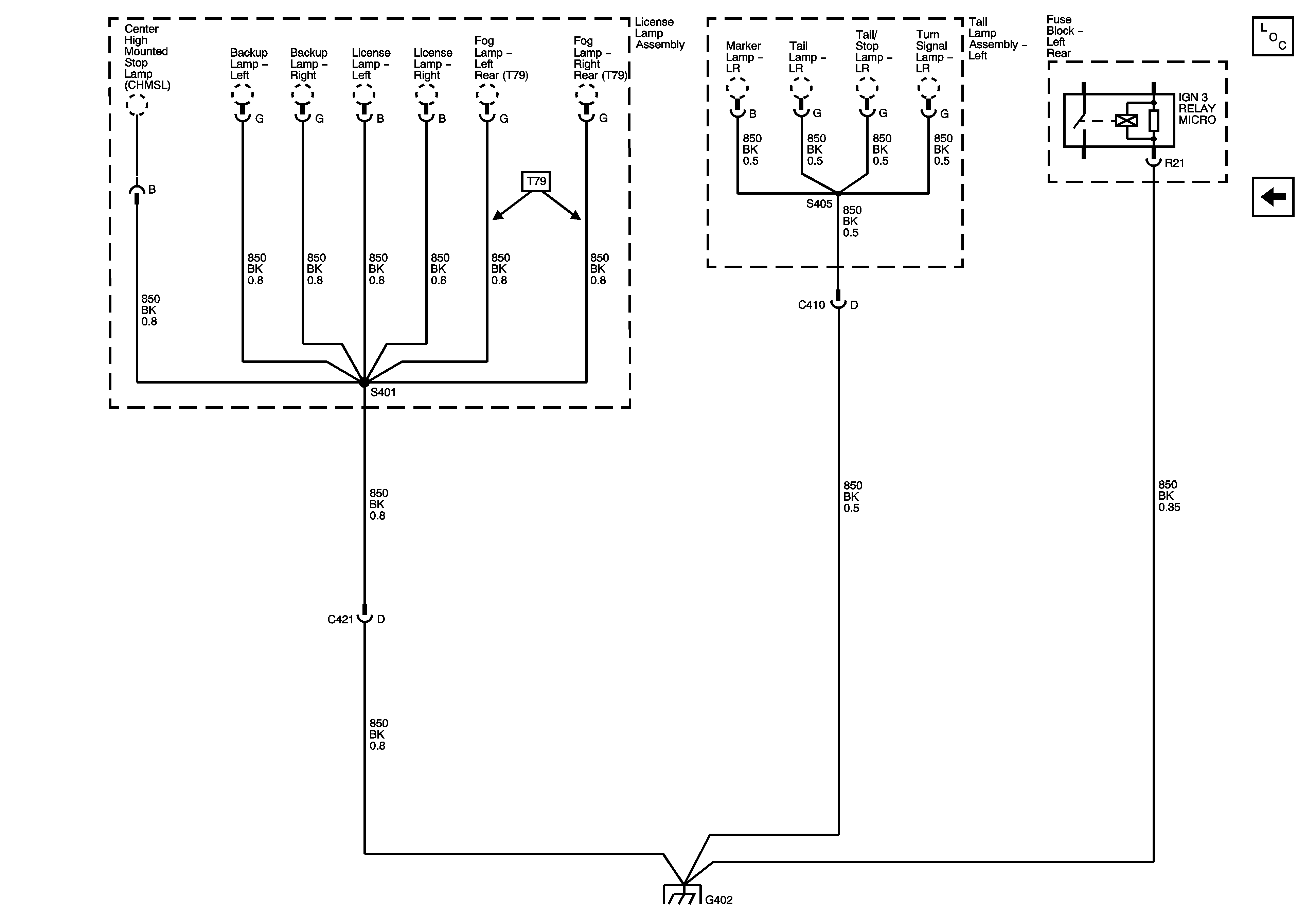
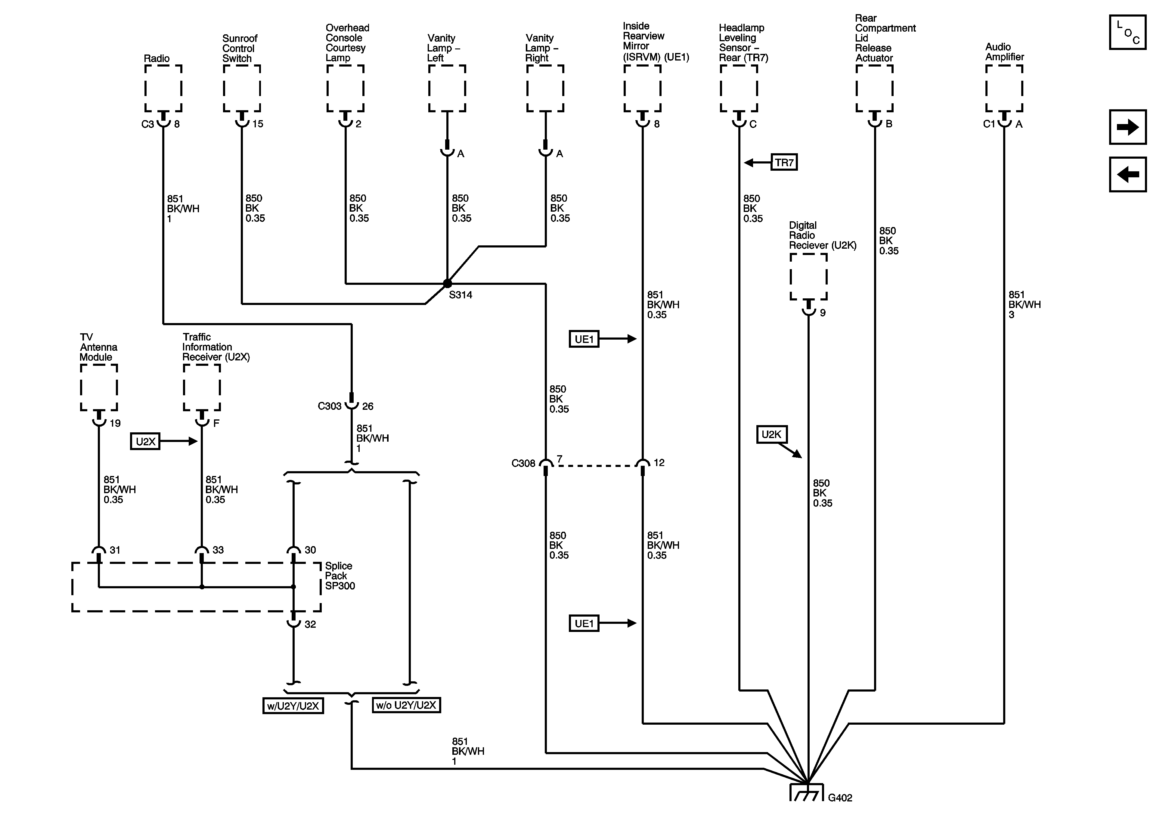
Figure 10:

G402 - 1 of 2


Object Number: 638976  Size: FS
Figure 11:

G402 2 of 2


Object Number: 874569  Size: FS