GM Service Manual Online
For 1990-2009 cars only
Makes
🢒
Cadillac
🢒
2003
🢒
CTS
🢒
Body and Accessories
🢒
Entertainment
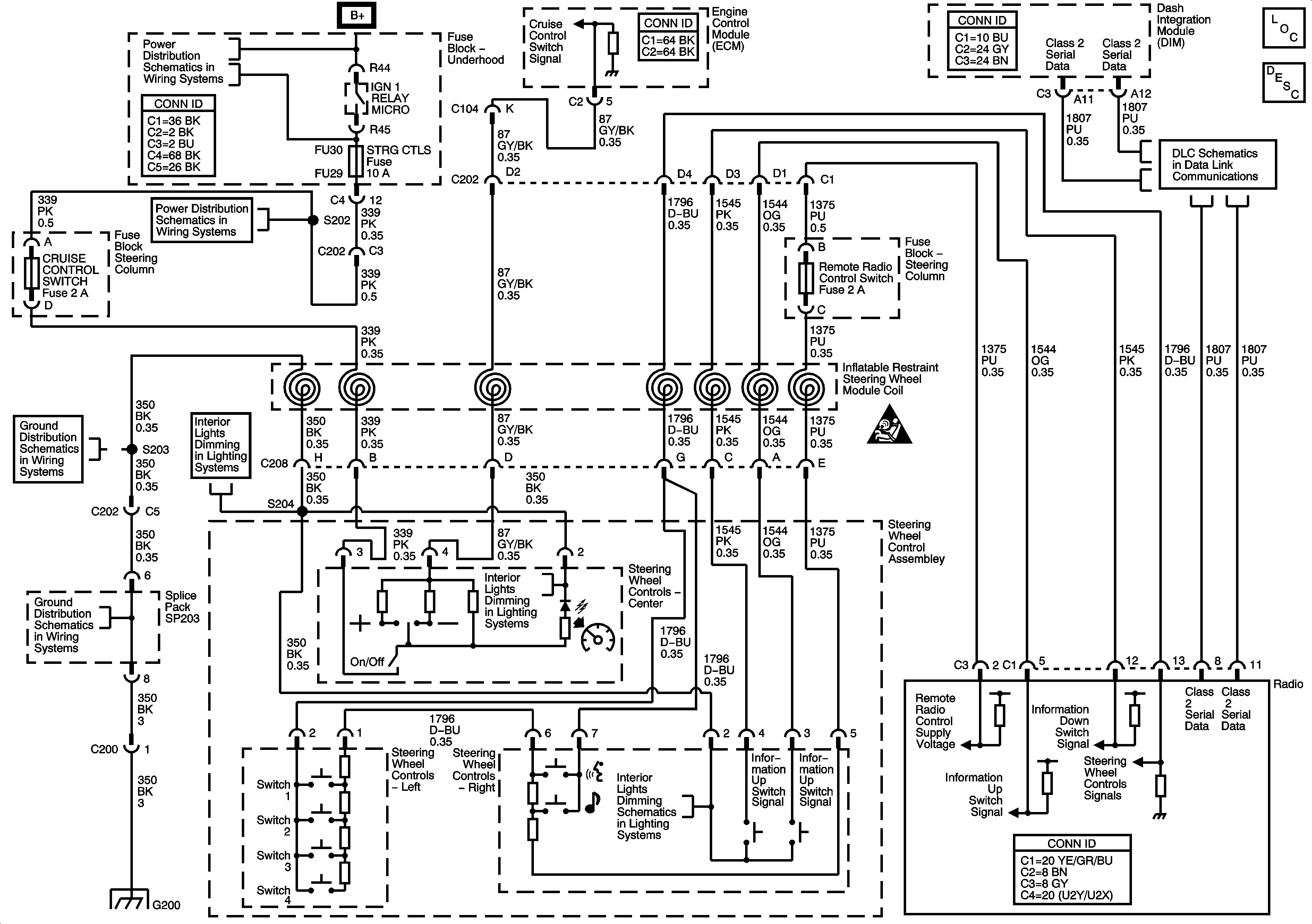
🢒 Steering Wheel Controls Schematics
Class 2 (LHD) 1 of 2
SIR Caution for Zoning
Body Control System Schematics DIM Inputs and Outputs 1 of 3
Horn System Schematic
Right Rear Fuse Block - IGN-1 Relay, FPDM, NAV, and AUDIO Fuses