GM Service Manual Online
For 1990-2009 cars only
Figure 1:

MSM Power and Ground


Object Number: 638535  Size: FS
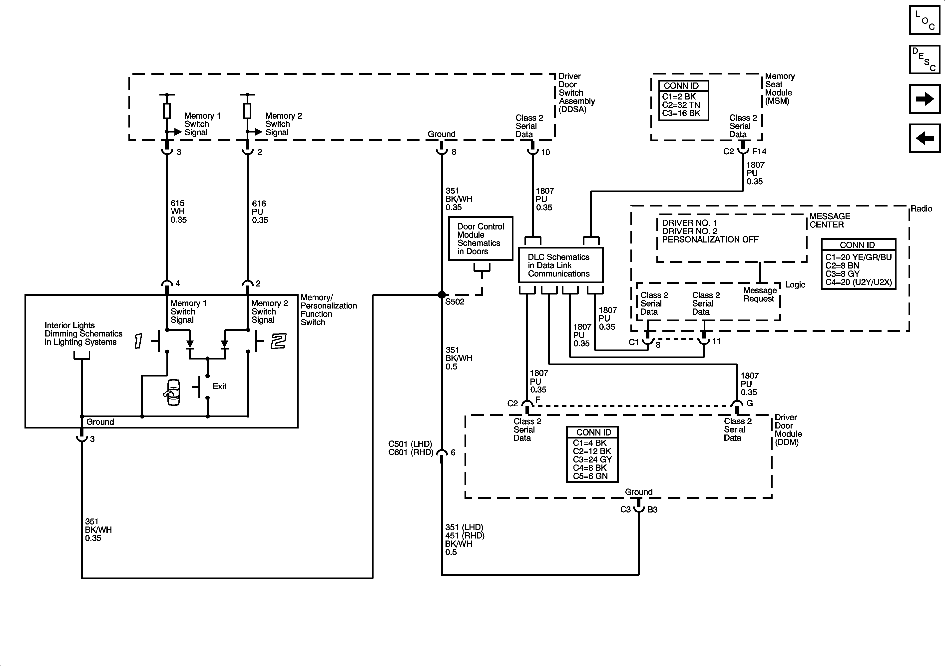
Memory Seats Schematics Driver Door Switch Module, DDM
Left Rear Fuse Block - SEATS Circuit Breaker, RADIO, and DDM Fuses
Left Rear Fuse Block - TRK DR REL SOL Relay, REV LAMP Relay, TRUNK DR RELEASE, REVERSE LAMP, L FRT HTD SEAT MOD, and MEM SEAT Fuses
Figure 2:

Memory Switch


Object Number: 638536  Size: FS
Memory Seats Schematics MSM, Front Vertical, Rear Vertical, Horizontal Motors, Position Sensors
Memory Seats Schematics Power, Grounds
Class 2 (LHD) 1 of 2
Interior Lights Dimming Schematics ( 2 of 2 )
Power Door Lock Schematics Driver Door Module
Figure 3:

Position Sensors and Motors


Object Number: 638537  Size: FS
Memory Seats Schematics Driver Door Switch Module, DDM