GM Service Manual Online
For 1990-2009 cars only
Makes
🢒
Cadillac
🢒
2003
🢒
CTS
🢒
Body and Accessories
🢒
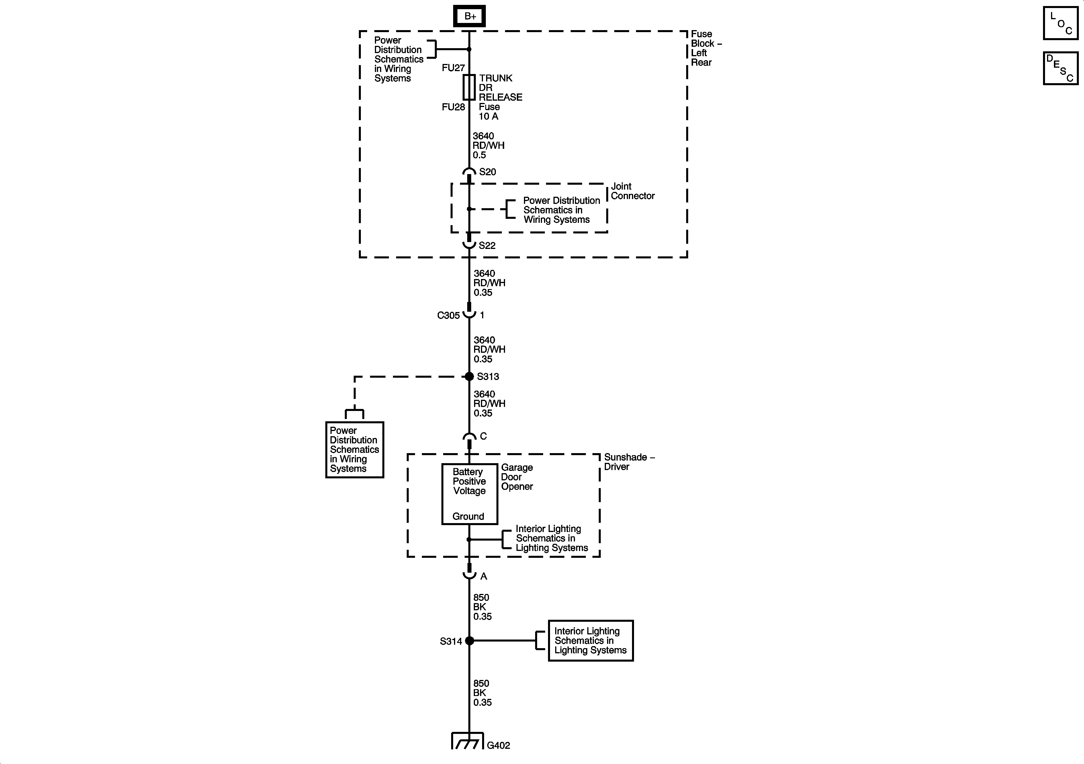
Garage Door Opener
🢒 Garage Door Opener Schematics