GM Service Manual Online
For 1990-2009 cars only
Makes
🢒
Cadillac
🢒
2003
🢒
CTS
🢒
Body and Accessories
🢒
Stationary Windows
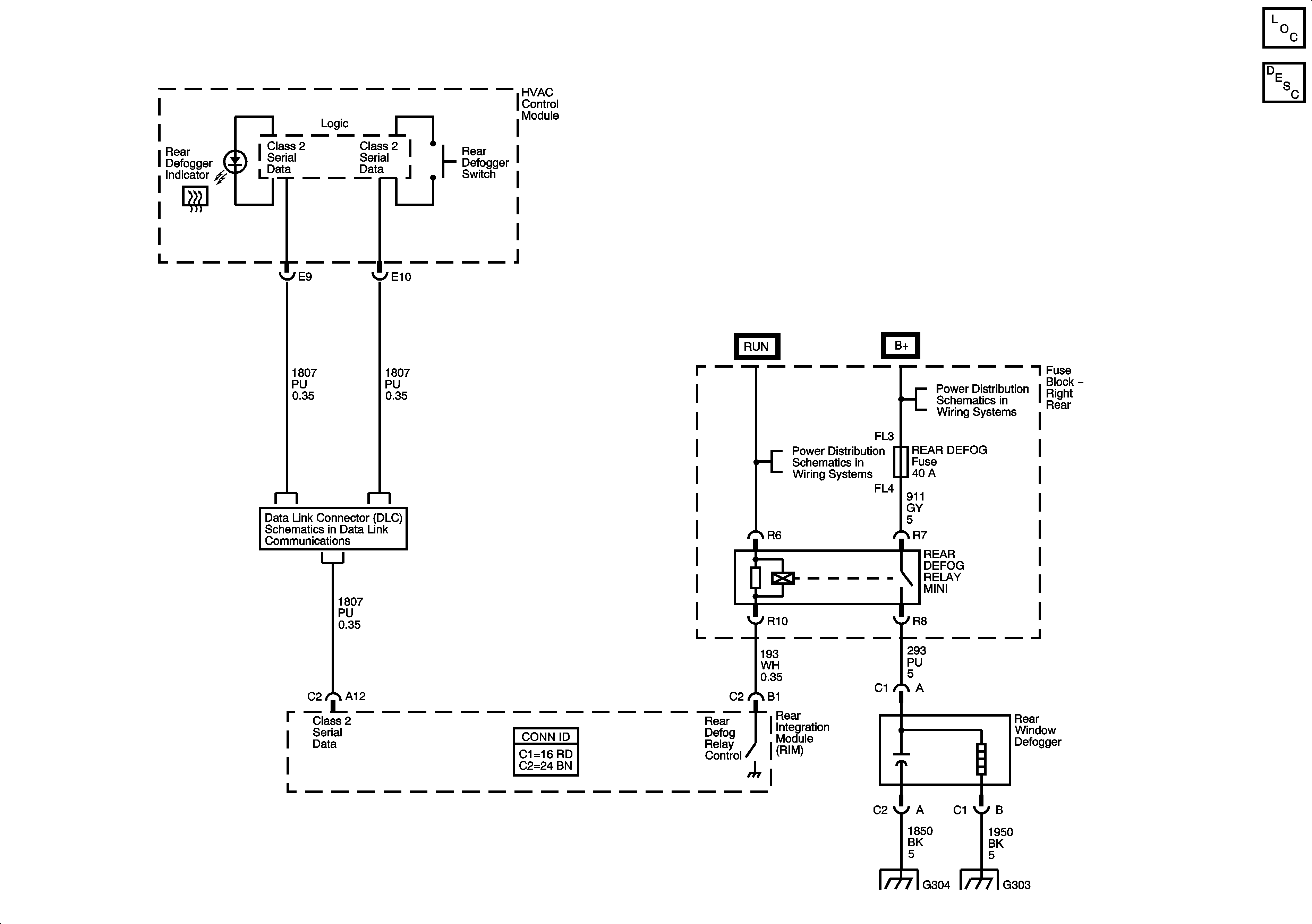
🢒 Defogger Schematics
Class 2 (LHD) 1 of 2
Right Rear Fuse Block - IGN-1 Relay, FPDM, NAV, and AUDIO Fuses
Right Rear Fuse Block - IGN-1 Relay, FPDM, NAV, and AUDIO Fuses