GM Service Manual Online
For 1990-2009 cars only
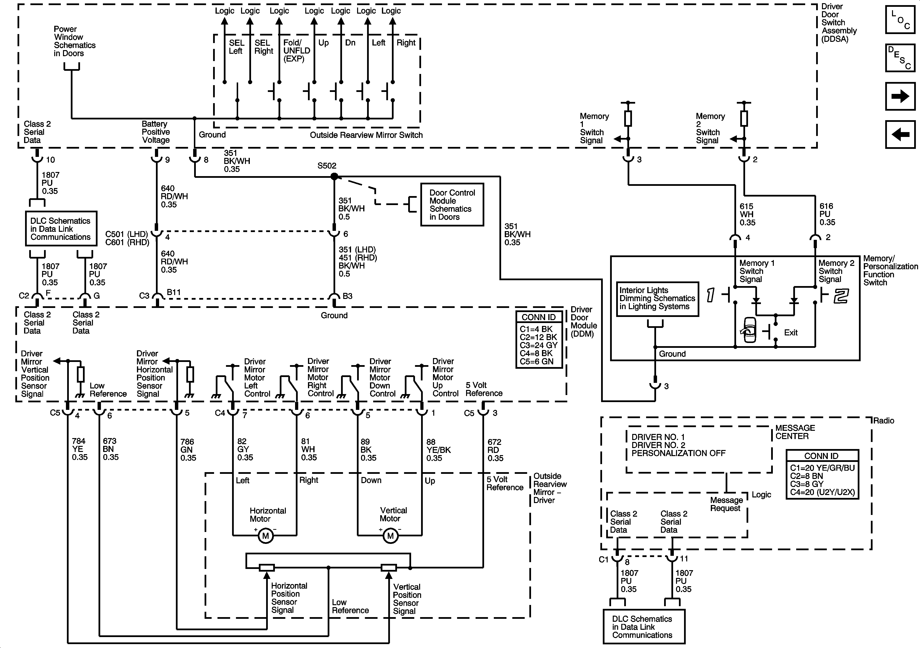
Figure 1:

Driver Door Switch Module


Object Number: 636949  Size: FS
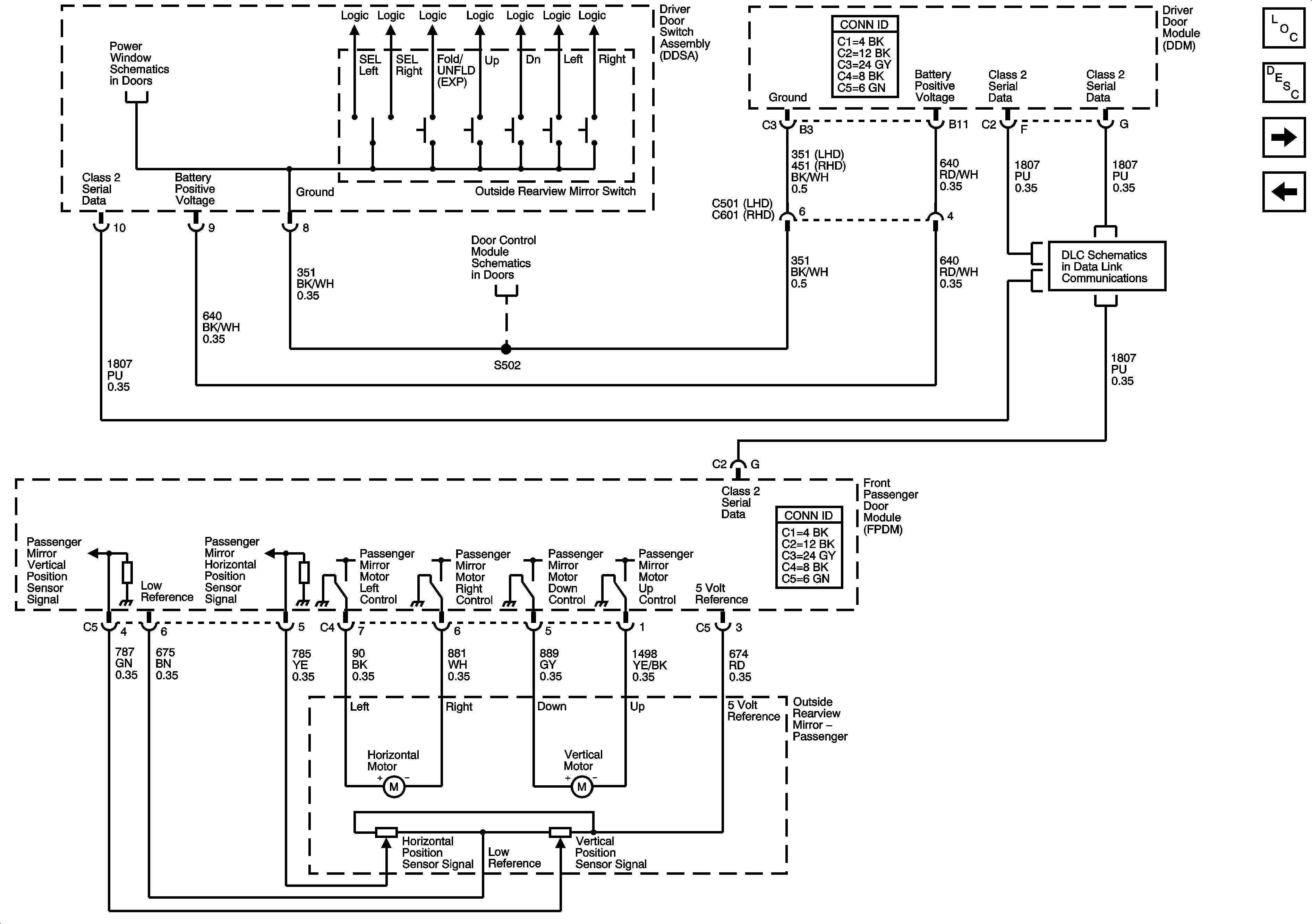
Figure 2:

Driver Side Outside Mirror


Object Number: 636950  Size: FS
Outside Power Mirror Schematics Passenger Outside Mirror, Front Passenger Door Module
Power Window Schematics Passenger Window Switch and Sensors
Rear Compartment Lid Release
DDM Power, Ground, and Serial Data
Interior Lights Dimming Schematics ( 2 of 2 )
Class 2 (LHD) 1 of 2
Figure 3:

Passenger Outside Mirror, Front Passenger Door Module


Object Number: 636951  Size: FS
Outside Mirror Schematics Heated Mirrors
Outside Power Mirror Schematics Driver Door Module, Driver Side Outside Mirror
Memory Seats Schematics Driver Door Switch Module, DDM
DDM Power, Ground, and Serial Data
Rear Compartment Lid Release
Class 2 (LHD) 1 of 2
Figure 4:

Heated Mirrors


Object Number: 636953  Size: FS
Outside Power Mirror Schematics Passenger Outside Mirror, Front Passenger Door Module
Class 2 (LHD) 1 of 2