GM Service Manual Online
For 1990-2009 cars only
Makes
🢒
Cadillac
🢒
2003
🢒
CTS
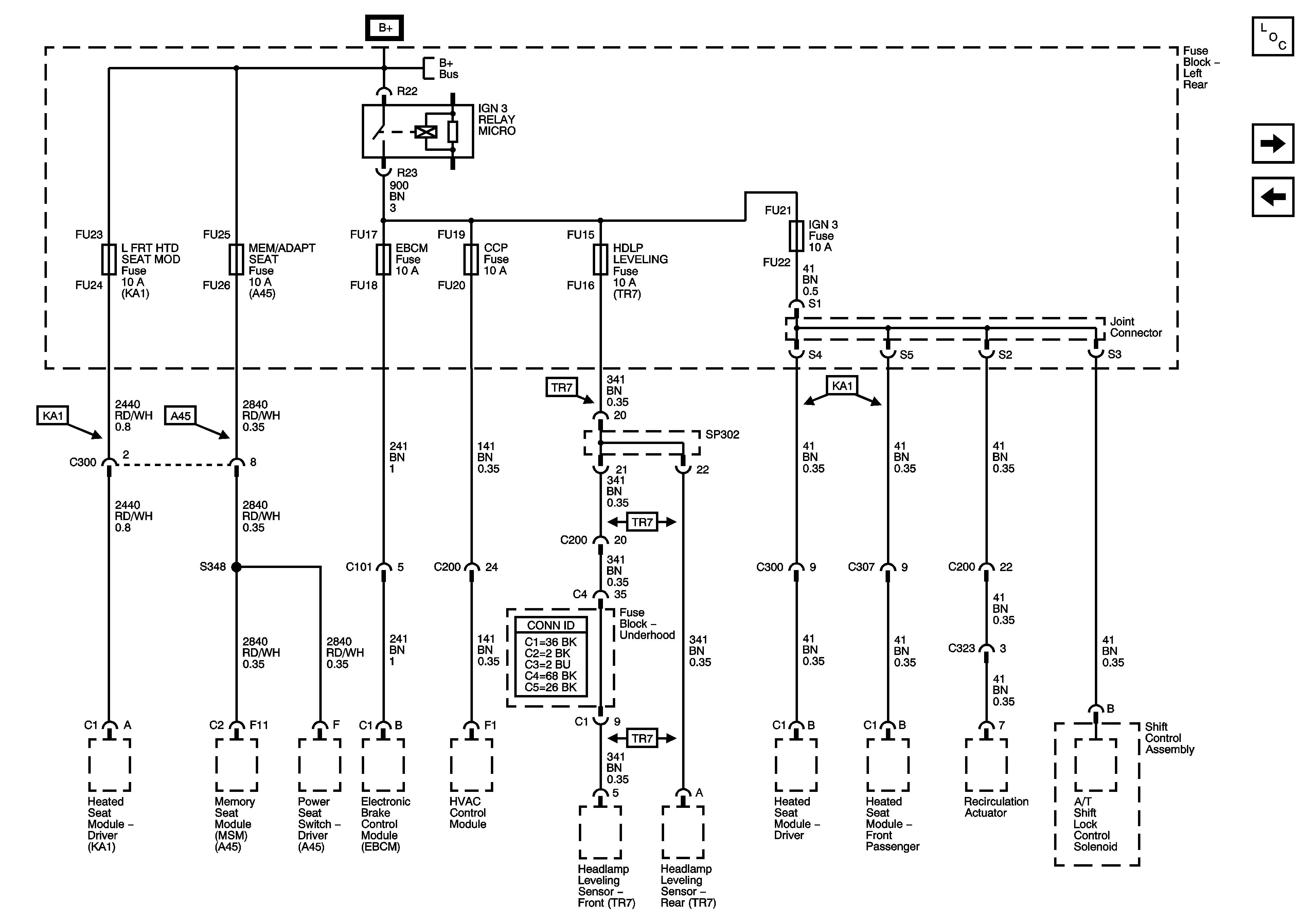
🢒 Left Rear Fuse Block - IGN-3 Relay, ABS, CCP, HDLP LVL, and IGN-3 Fuses
Left Rear Fuse Block - IGN-3 Relay, ABS, CCP, HDLP LVL, and IGN-3 Fuses
Left Rear Fuse Block - IGN-3 Relay, ABS, CCP HDLP LVL, and IGN-3 Fuses