GM Service Manual Online
For 1990-2009 cars only
Makes
🢒
Cadillac
🢒
2003
🢒
CTS
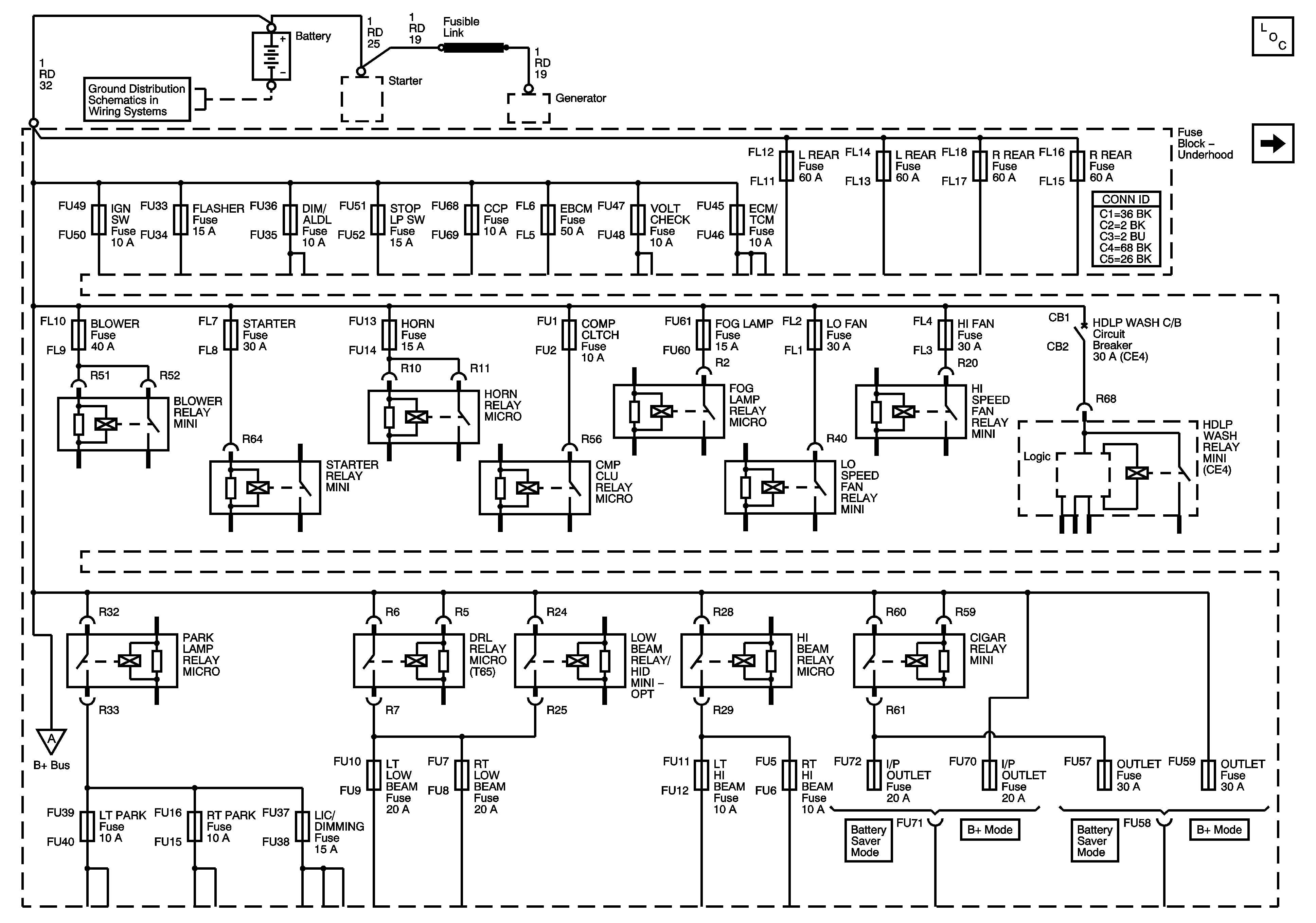
🢒 Battery Voltage to the Underhood Fuse Block
Battery Voltage to the Underhood Fuse Block
Battery Voltage to the Underhood Fuse Block