GM Service Manual Online
For 1990-2009 cars only
Makes
🢒
Cadillac
🢒
2003
🢒
CTS
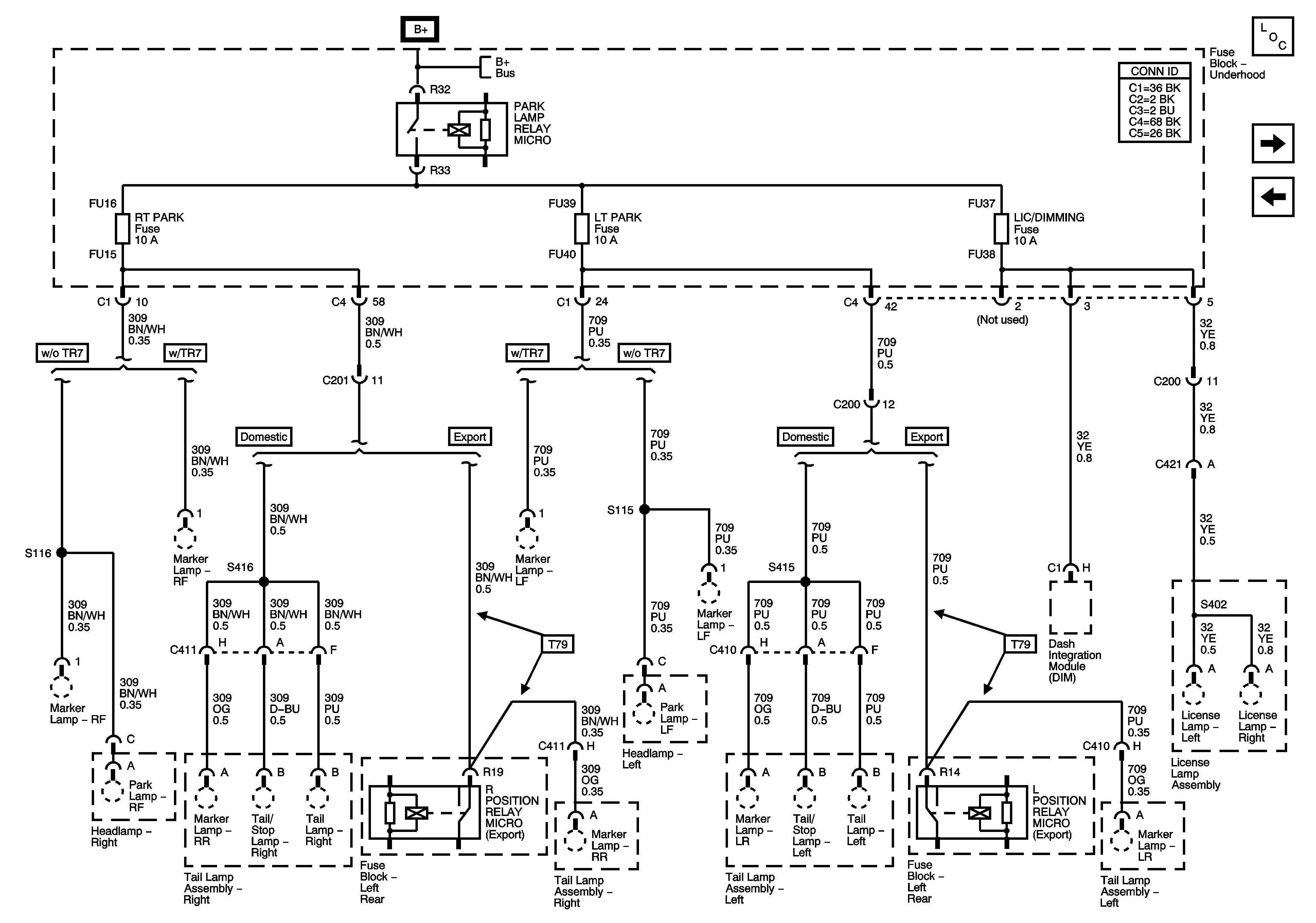
🢒 Underhood Fuse Block -PARK LP Relay, RT PARK, LT PARK, and LIC/UNDER HD Fuses
Underhood Fuse Block -PARK LP Relay, RT PARK, LT PARK, and LIC/UNDER HD Fuses
Underhood Fuse Block - PARKLP Relay, RT PARK, LT PARK, and LIC/UNDER HD Fuses