GM Service Manual Online
For 1990-2009 cars only
Makes
🢒
Cadillac
🢒
2003
🢒
CTS
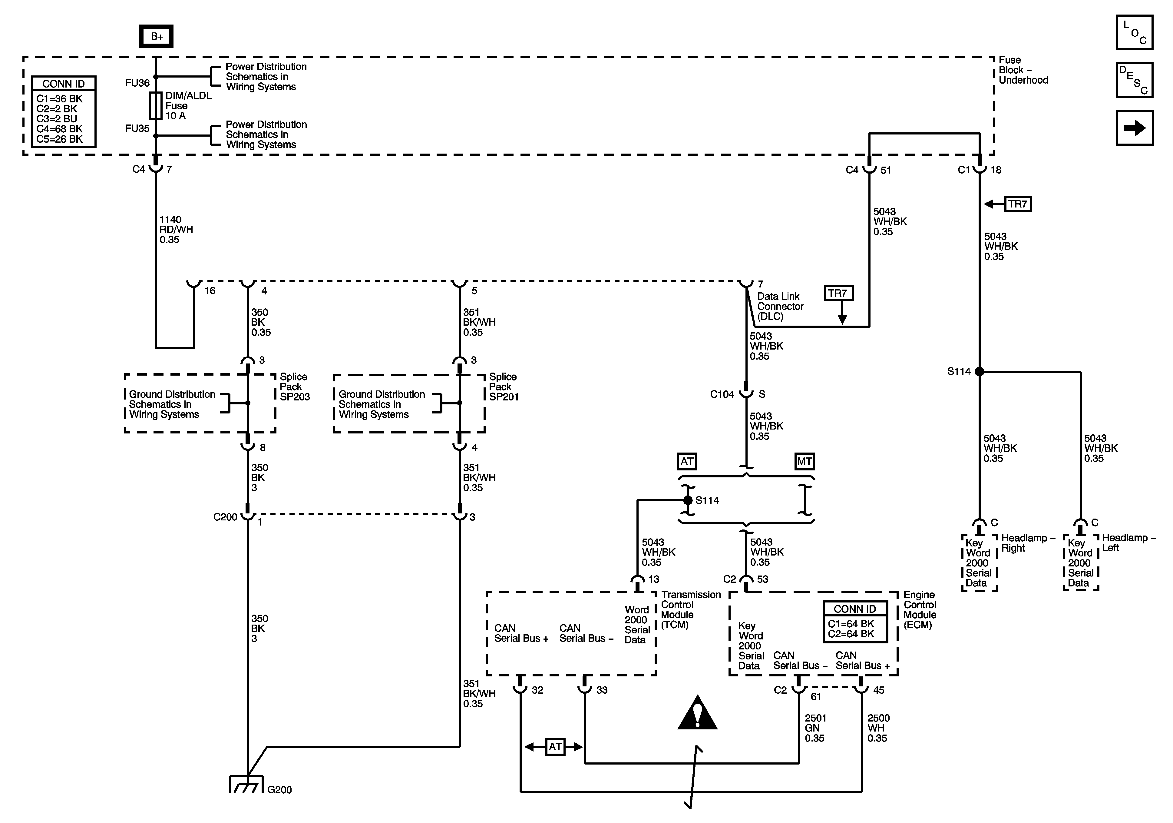
🢒 Power, Grounds, CAN Bus, and Keyword Serial Data
Power, Grounds, CAN Bus, and Keyword Serial Data
Data Link Connector (DLC) Schematics Power and Ground
Class 2 (LHD) 1 of 2