GM Service Manual Online
For 1990-2009 cars only
Figure 1:

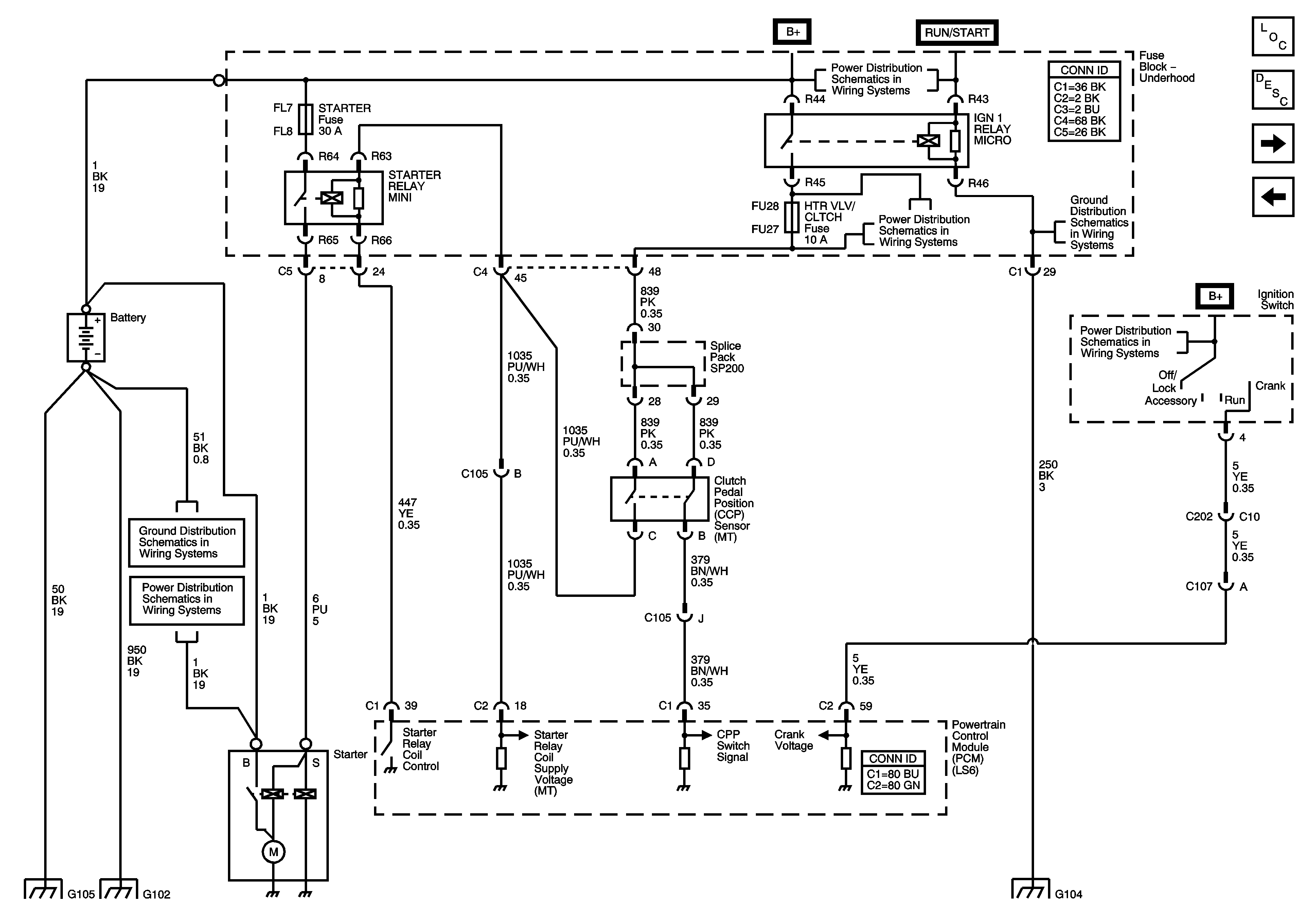
Starting System - 2.6L/3.2L/3.6L (LY9/LA3/LY7)


Object Number: 1316761  Size: FS
Master Electrical Component List
Starting System Description and Operation
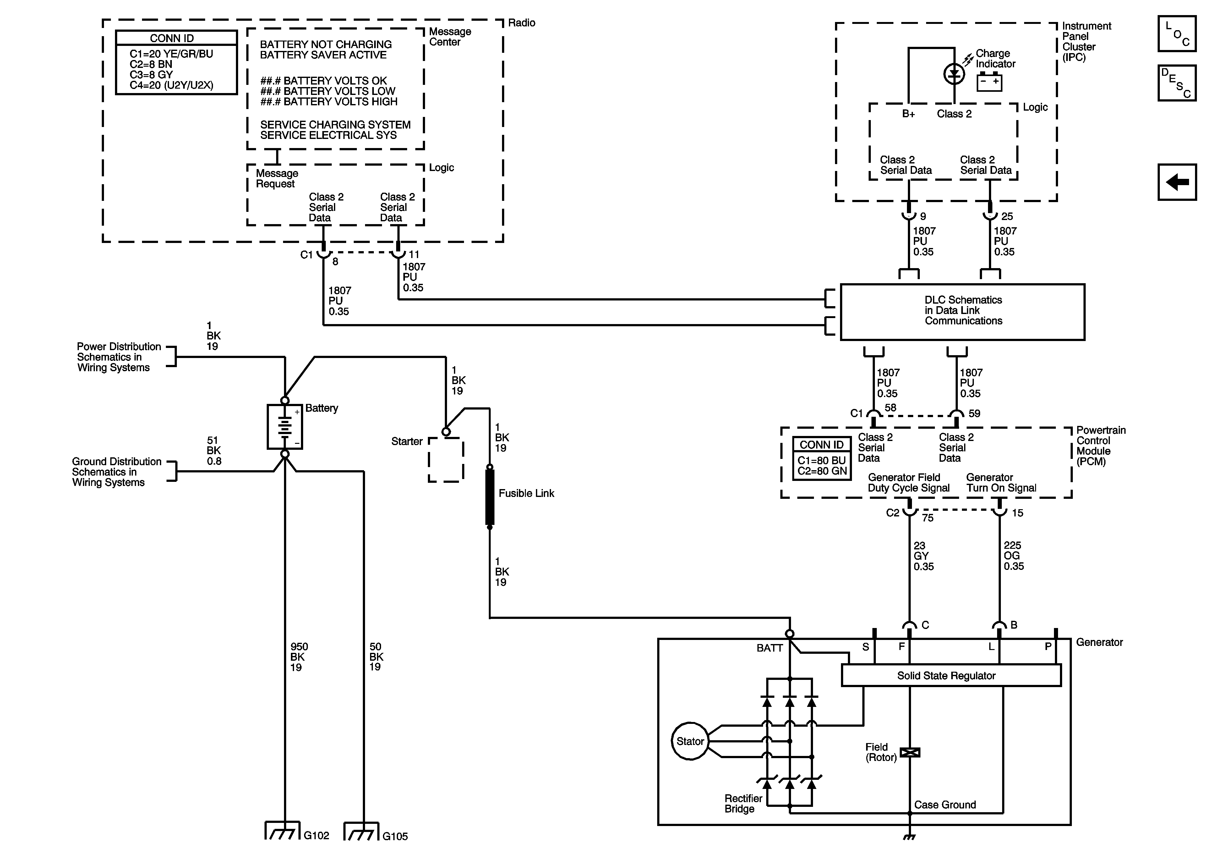
Starting System - 5.7L (LS6)
Ignition Switch - 2 of 2
Underhood Fuse Block STARTER and IGN 1 Relays, HTR VLV/CLTCH and TCM/IPC Fuses
G104 - 1 of 2
G102, G105, G110, G303, G304 and G306
Underhood Fuse Block B+ Bus - 1 of 2
Coolant By-Pass Solenoid, Afterboil Coolant Pump, Coolant Level Switch and Indicators
G102, G105, G110, G303, G304 and G306
G102, G105, G110, G303, G304 and G306
Class 2 Serial Data Bus - LHD - 1 of 2
G104 - 1 of 2
Figure 2:

Starting System - 5.7L (LS6)


Object Number: 1345015  Size: FS
Master Electrical Component List
Starting System Description and Operation
Charging System - 2.6L/3.2L/3.6L (LY9/LA3/LY7)
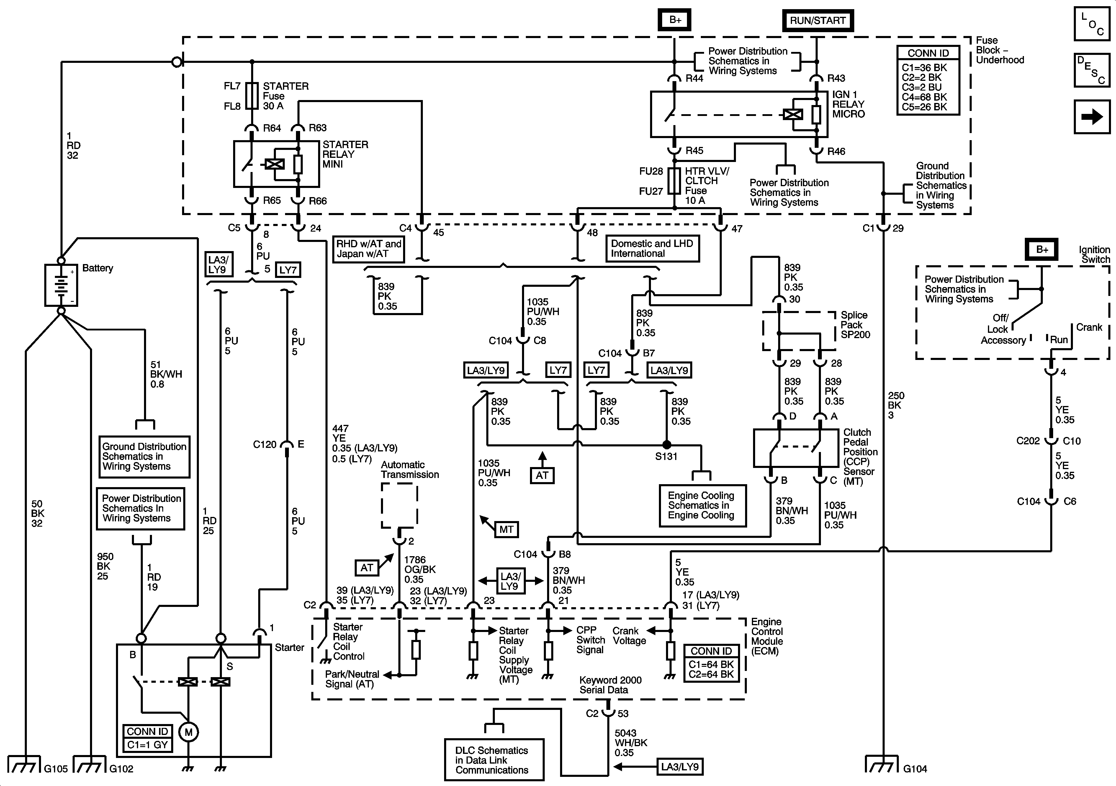
Starting System - 2.6L/3.2L/3.6L (LY9/LA3/LY7)
Ignition Switch - 2 of 2
Underhood Fuse Block STARTER and IGN 1 Relays, HTR VLV/CLTCH and TCM/IPC Fuses
G104 - 1 of 2
Ignition Switch - 1 of 2
G102, G105, G110, G303, G304 and G306
Underhood Fuse Block B+ Bus - 1 of 2
G102, G105, G110, G303, G304 and G306
G102, G105, G110, G303, G304 and G306
G104 - 1 of 2
Figure 3:

Charging System - 2.6L/3.2L/3.6L (LY9/LA3/LY7)


Object Number: 1316809  Size: FS
Master Electrical Component List
Charging System Description and Operation
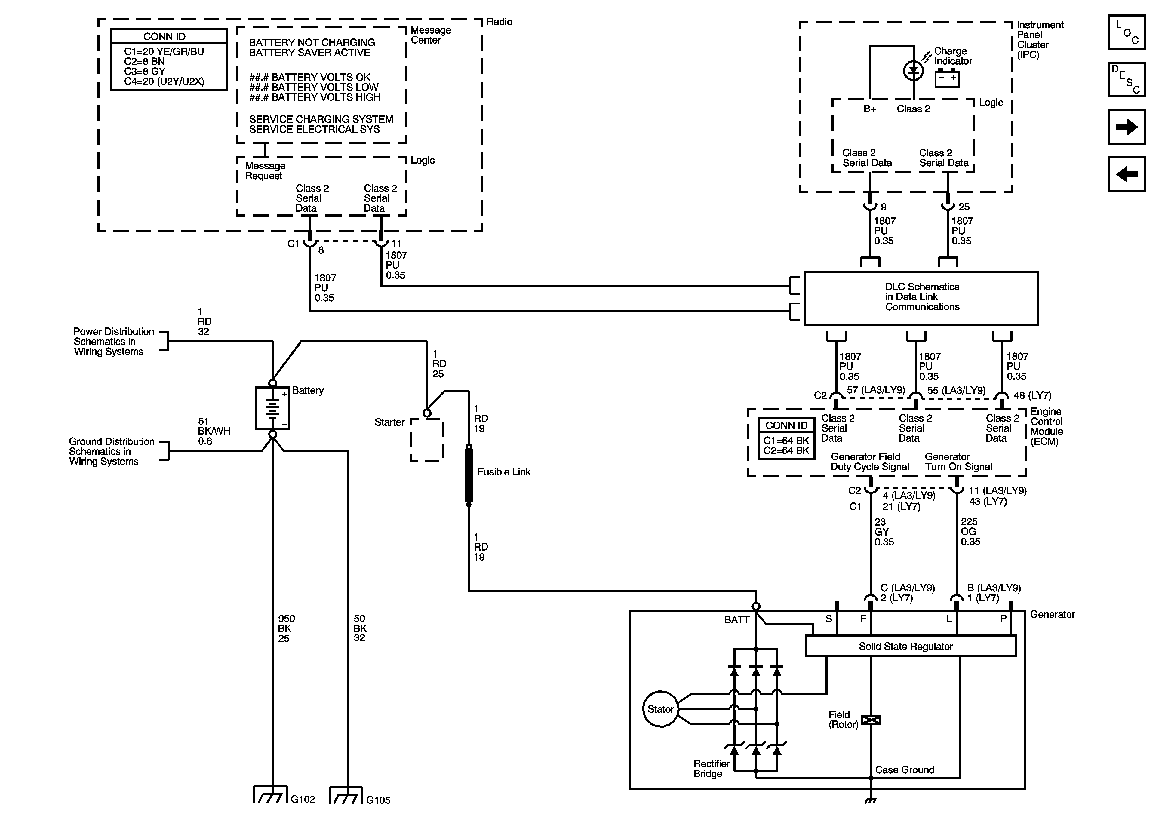
Charging System - 5.7L (LS6)
Starting System - 5.7L (LS6)
Underhood Fuse Block B+ Bus - 1 of 2
G102, G105, G110, G303, G304 and G306
Class 2 Serial Data Bus - LHD - 1 of 2
G102, G105, G110, G303, G304 and G306
G102, G105, G110, G303, G304 and G306
Figure 4:

Charging System - 5.7L (LS6)


Object Number: 1345027  Size: FS
Master Electrical Component List
Charging System Description and Operation
Charging System - 2.6L/3.2L/3.6L (LY9/LA3/LY7)
Underhood Fuse Block B+ Bus - 1 of 2
G102, G105, G110, G303, G304 and G306
Class 2 Serial Data Bus - LHD - 1 of 2
G102, G105, G110, G303, G304 and G306
G102, G105, G110, G303, G304 and G306