GM Service Manual Online
For 1990-2009 cars only
Figure 1:

Underhood Fuse Block B+ Bus (1 of 2)


Object Number: 1325900  Size: FS
Master Electrical Component List
Underhood Fuse Block B+ Bus - 2 of 2
Underhood Fuse Block B+ Bus - 2 of 2
Figure 2:

Underhood Fuse Block B+ Bus (2 of 2)


Object Number: 1325901  Size: FS
Master Electrical Component List
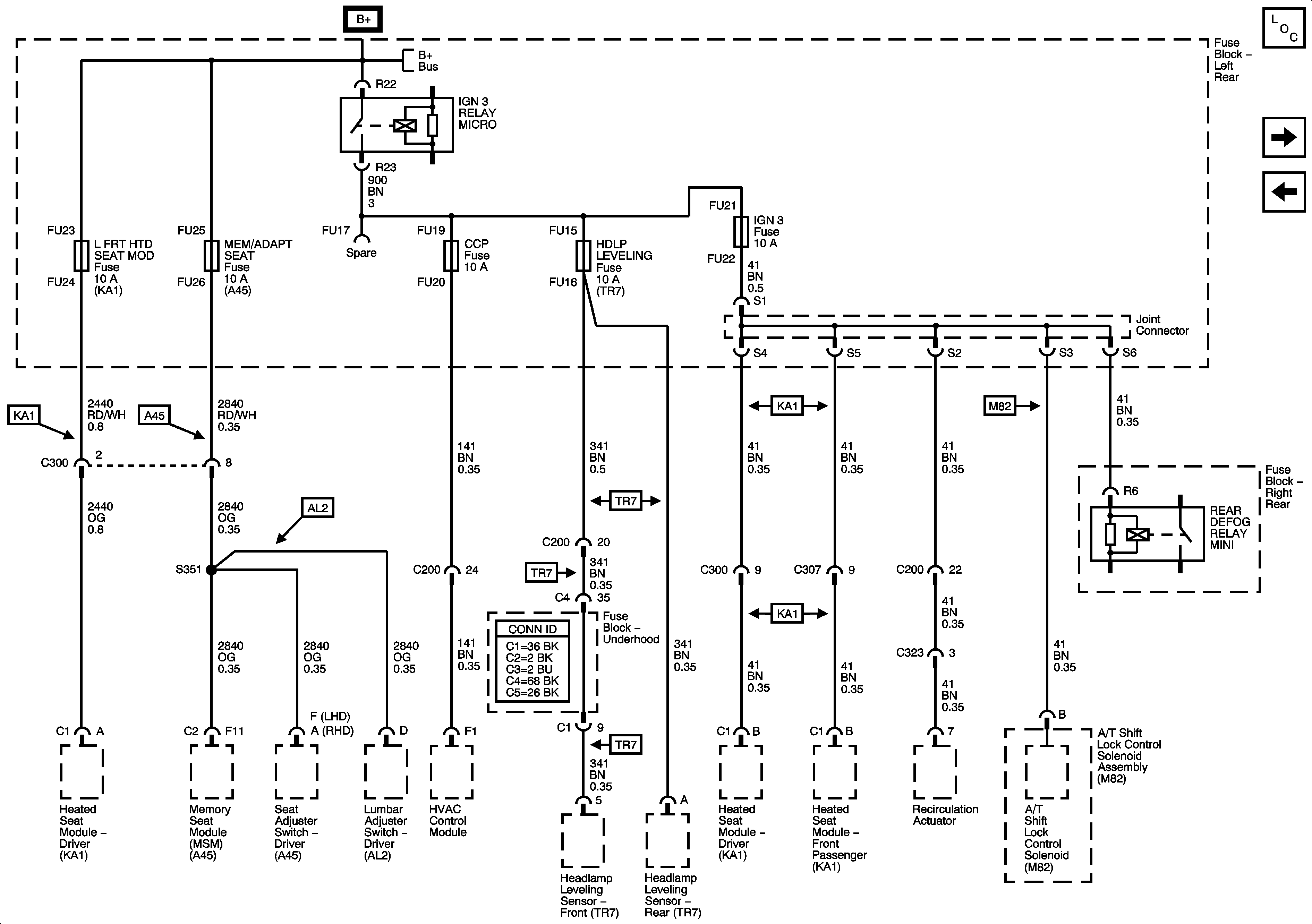
Left Rear Fuse Block B+ Bus
Underhood Fuse Block B+ Bus - 1 of 2
Underhood Fuse Block B+ Bus - 1 of 2
Figure 3:

Left Rear Fuse Block B+ Bus


Object Number: 1325902  Size: FS
Master Electrical Component List
Right Rear Fuse Block B+ Bus
Underhood Fuse Block B+ Bus - 2 of 2
Underhood Fuse Block B+ Bus - 1 of 2
Figure 4:

Right Rear Fuse Block B+ Bus


Object Number: 1325903  Size: FS
Master Electrical Component List
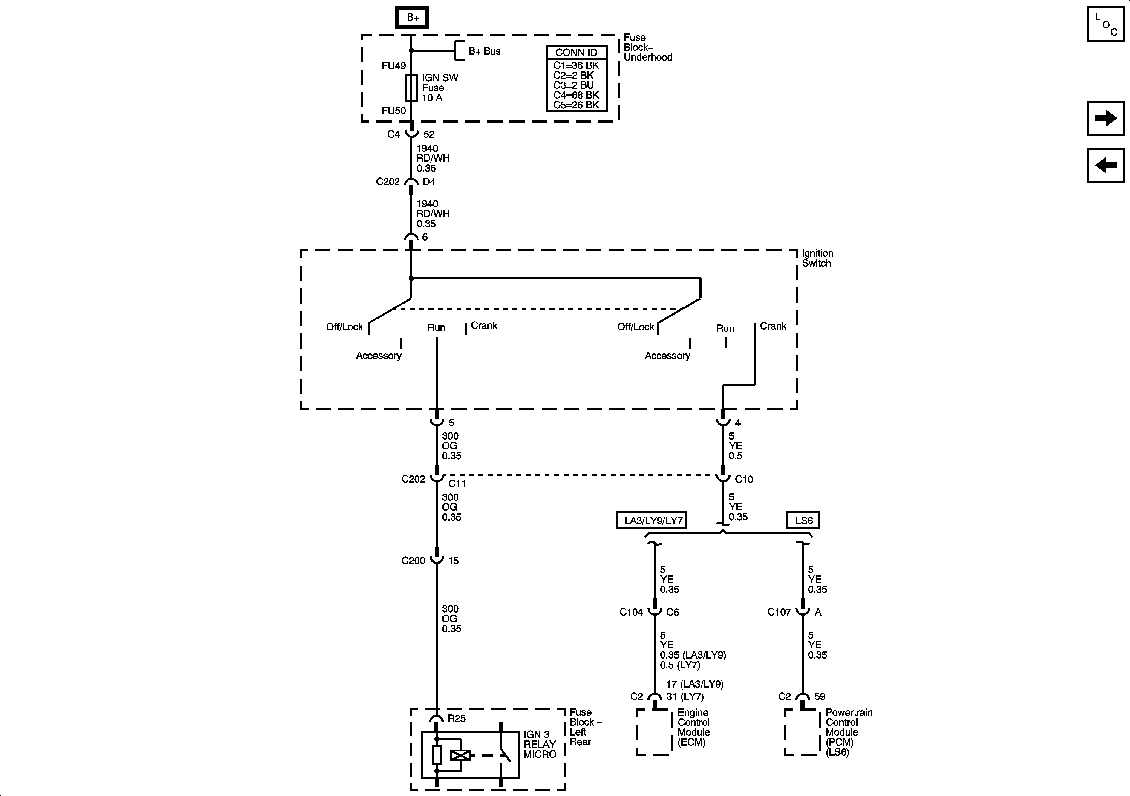
Ignition Switch - 1 of 2
Left Rear Fuse Block B+ Bus
Underhood Fuse Block B+ Bus - 1 of 2
Figure 5:

Ignition Switch (1 of 2)


Object Number: 1325905  Size: FS
Master Electrical Component List
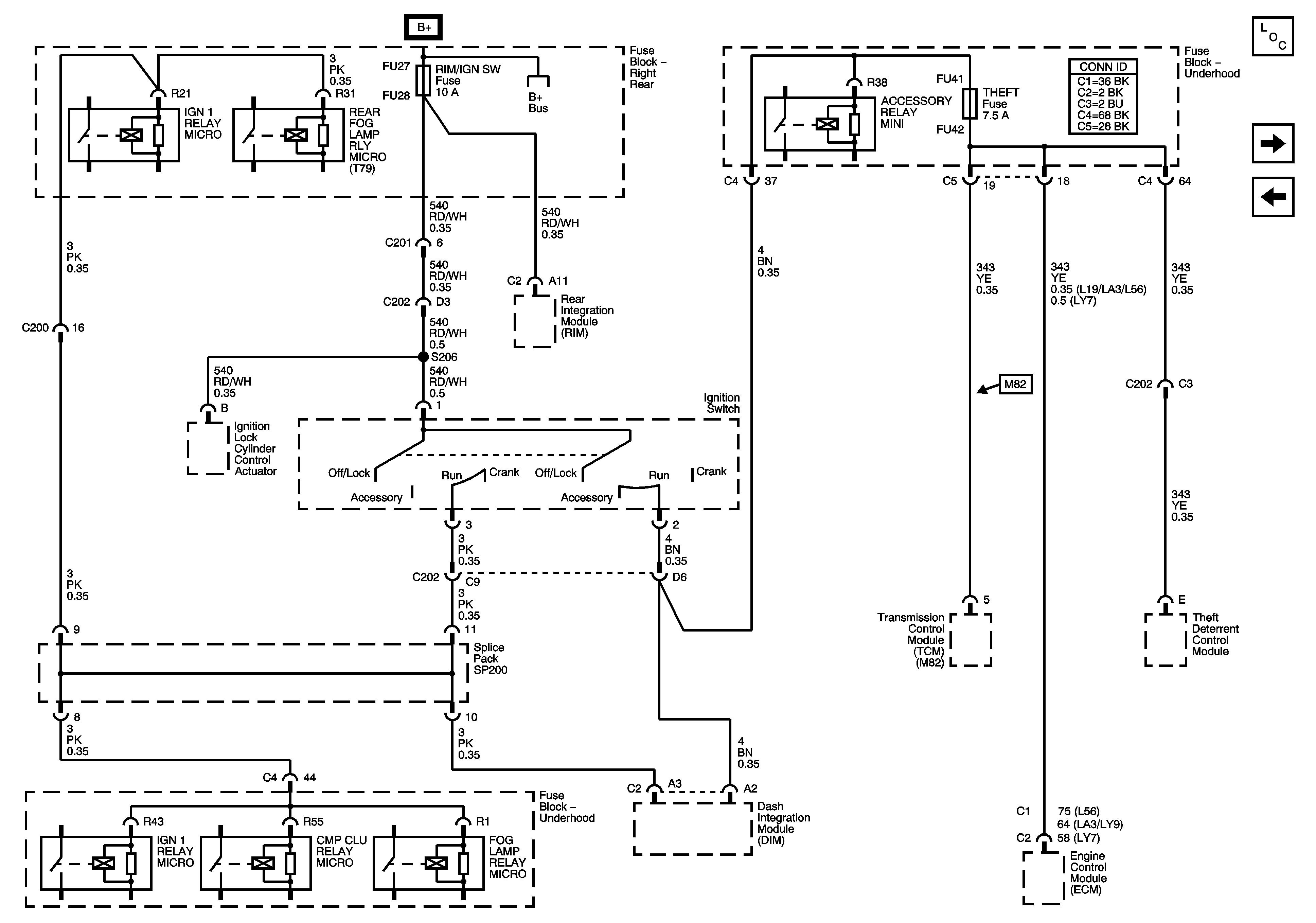
Ignition Switch - 2 of 2
Right Rear Fuse Block B+ Bus
Underhood Fuse Block B+ Bus - 1 of 2
Figure 6:

Ignition Switch (2 of 2)


Object Number: 1325906  Size: FS
Master Electrical Component List
Underhood Fuse Block PARK LAMP Relay/Fuses and DIMMING Fuse
Ignition Switch - 1 of 2
Right Rear Fuse Block B+ Bus
Figure 7:

Underhood Fuse Block PARK LAMP Relay/Fuses and DIMMING Fuse


Object Number: 1325907  Size: FS
Master Electrical Component List
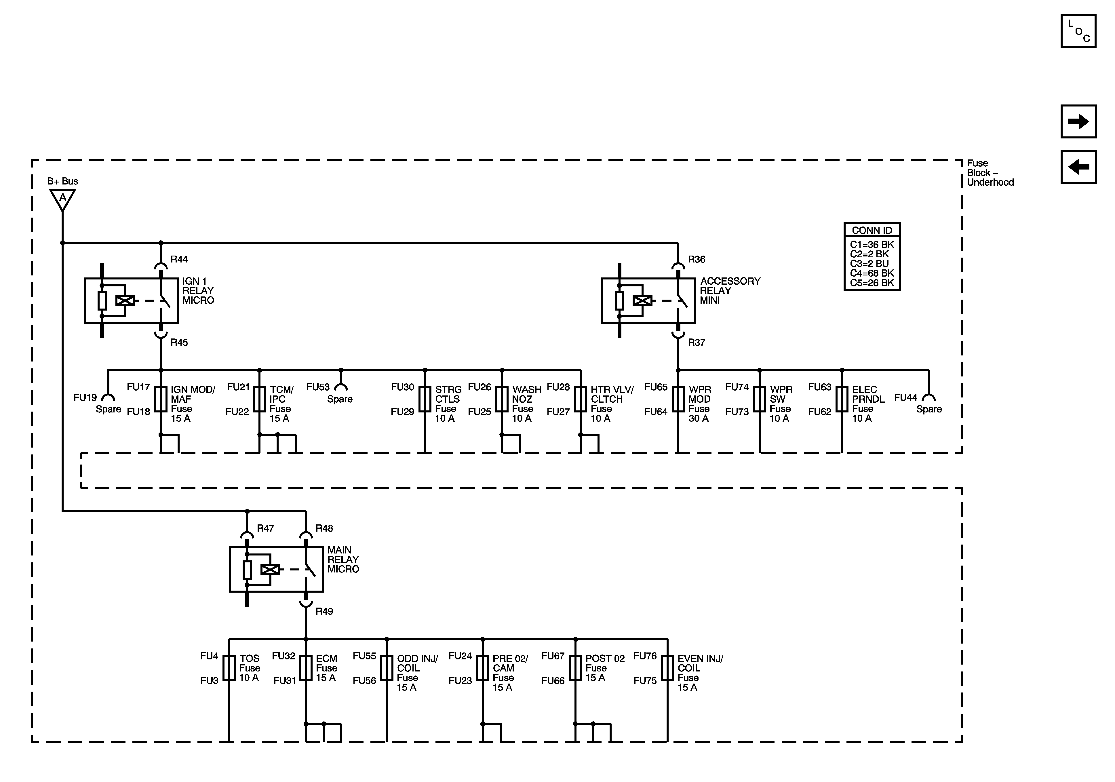
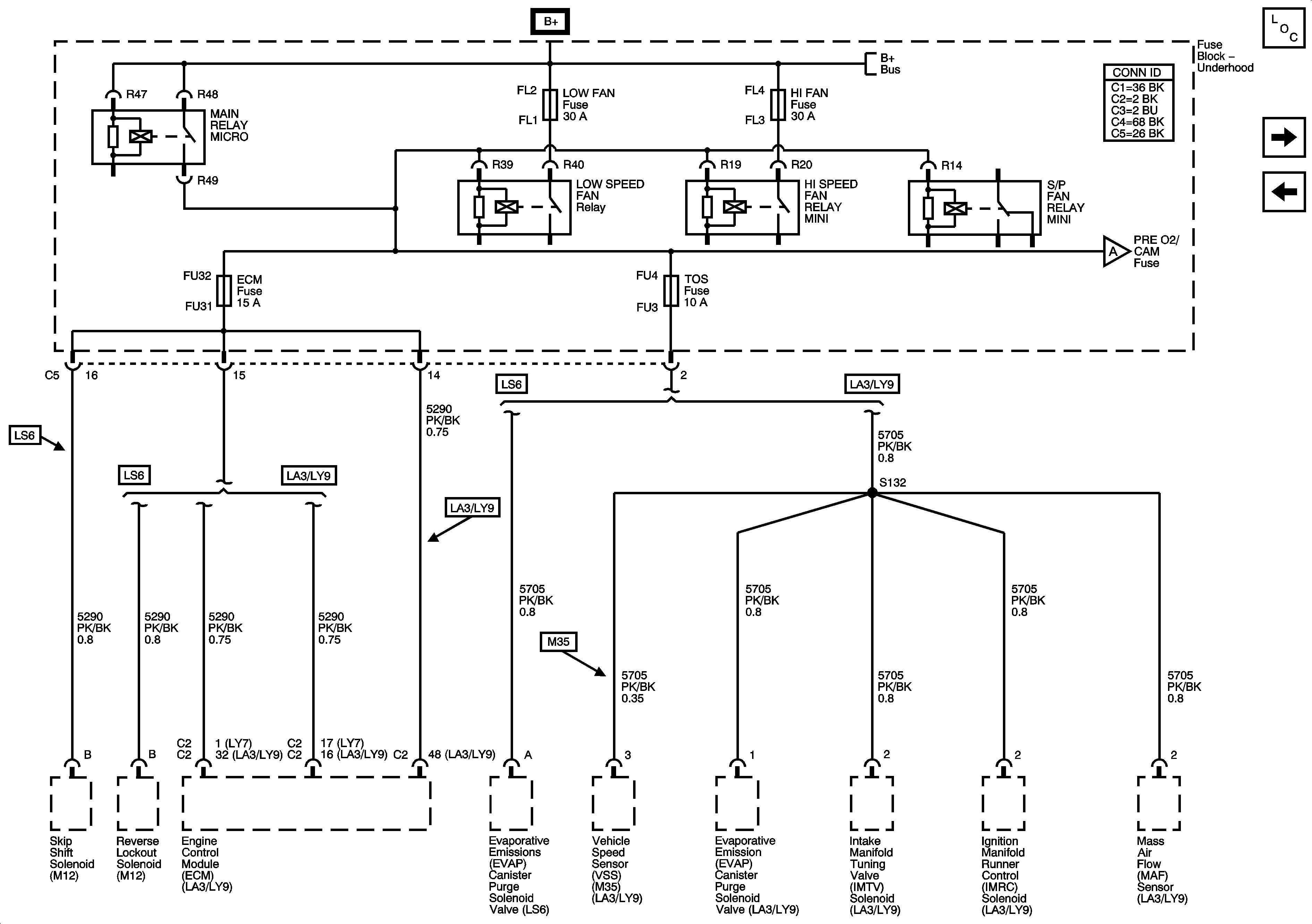
Underhood Fuse Block MAIN Relay, Cooling Fan Fuses/Relays, ECM and TOS Fuses
Ignition Switch - 2 of 2
Underhood Fuse Block B+ Bus - 1 of 2
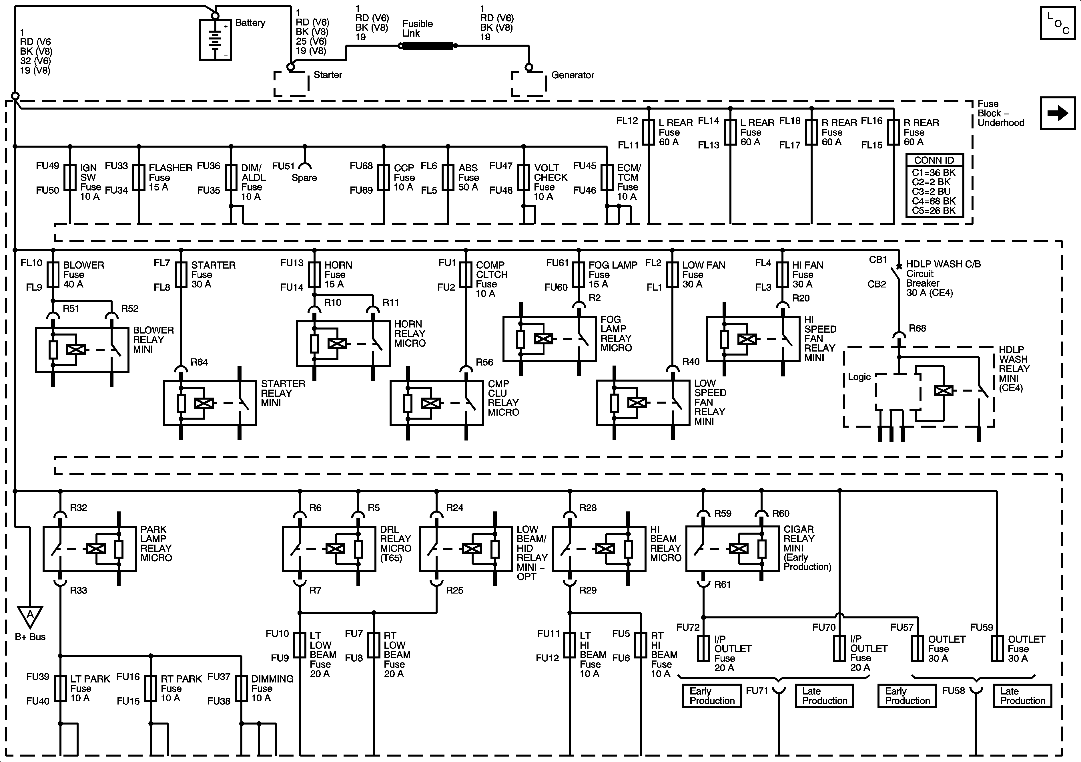
Figure 8:

Underhood Fuse Block MAIN Relay, Cooling Fan Fuses/Relays, ECM and TOS Fuses


Object Number: 1284878  Size: FS
Master Electrical Component List
Underhood Fuse Block PRE O2/CAM Fuse
Underhood Fuse Block PARK LAMP Relay/Fuses and DIMMING Fuse
Underhood Fuse Block B+ Bus - 1 of 2
Underhood Fuse Block PRE O2/CAM Fuse
Figure 9:

Underhood Fuse Block PRE O2/CAM Fuse


Object Number: 1284882  Size: FS
Master Electrical Component List
Underhood Fuse Block POST O2 Fuse
Underhood Fuse Block MAIN Relay, Cooling Fan Fuses/Relays, ECM and TOS Fuses
Underhood Fuse Block MAIN Relay, Cooling Fan Fuses/Relays, ECM and TOS Fuses
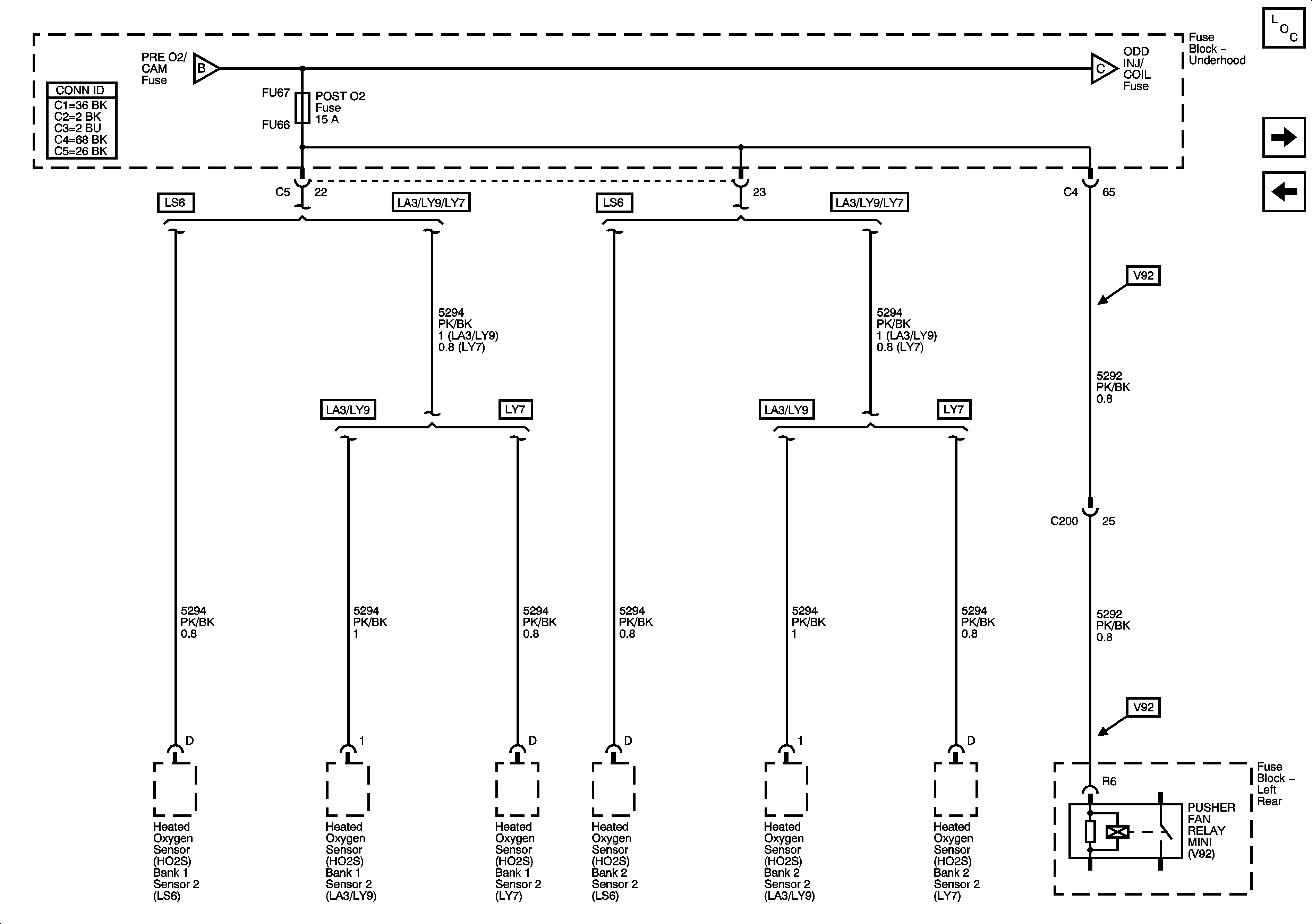
Underhood Fuse Block POST O2 Fuse
Figure 10:

Underhood Fuse Block POST O2 Fuse


Object Number: 1358282  Size: FS
Master Electrical Component List
Underhood Fuse Block ODD INJ/COIL Fuse
Underhood Fuse Block PRE O2/CAM Fuse
Underhood Fuse Block PRE O2/CAM Fuse
Underhood Fuse Block ODD INJ/COIL Fuse
Figure 11:

Underhood Fuse Block ODD INJ/COIL Fuse


Object Number: 1284887  Size: FS
Master Electrical Component List
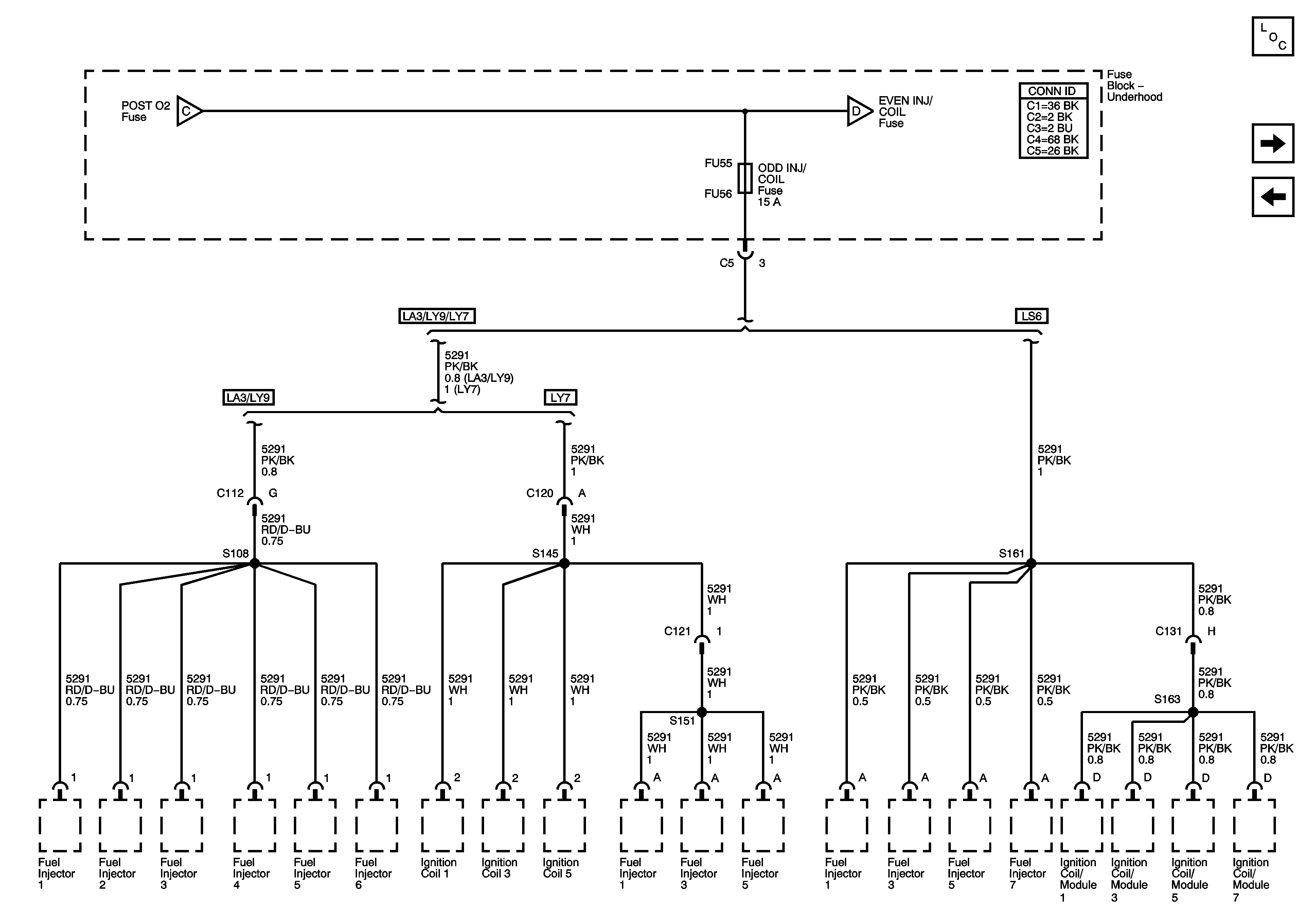
Underhood Fuse BLock EVEN INJ/COIL Fuse
Underhood Fuse Block POST O2 Fuse
Underhood Fuse Block POST O2 Fuse
Underhood Fuse BLock EVEN INJ/COIL Fuse
Figure 12:

Underhood Fuse Block EVEN INJ/COIL Fuse


Object Number: 1344691  Size: FS
Master Electrical Component List
Underhood Fuse Block DIM/ALDL, VOLT CHECK, FLASHER, CCP, ECM/TCM and ABS Fuses
Underhood Fuse Block ODD INJ/COIL Fuse
Underhood Fuse Block ODD INJ/COIL Fuse
Figure 13:

Underhood Fuse Block DIM/ALDL,VOLT CHECK, FLASHER, CCP, ECM/TCM and ABS Fuses


Object Number: 1325910  Size: FS
Master Electrical Component List
Underhood Fuse Block Headlamp Fuses/Relays, ACCESSORY Relay, I/P OUTLET, OUTLET, WPR MOD, WPR SW and ELEC PRNDL Fuses
Underhood Fuse BLock EVEN INJ/COIL Fuse
Underhood Fuse Block B+ Bus - 1 of 2
Figure 14:

Underhood Fuse Block Headlamp Fuses/Relays, ACCESSORY Relay, I/P OUTLET, OUTLET, WPR MOD, WPR SW and ELEC PRNDL Fuses


Object Number: 1325914  Size: FS
Master Electrical Component List
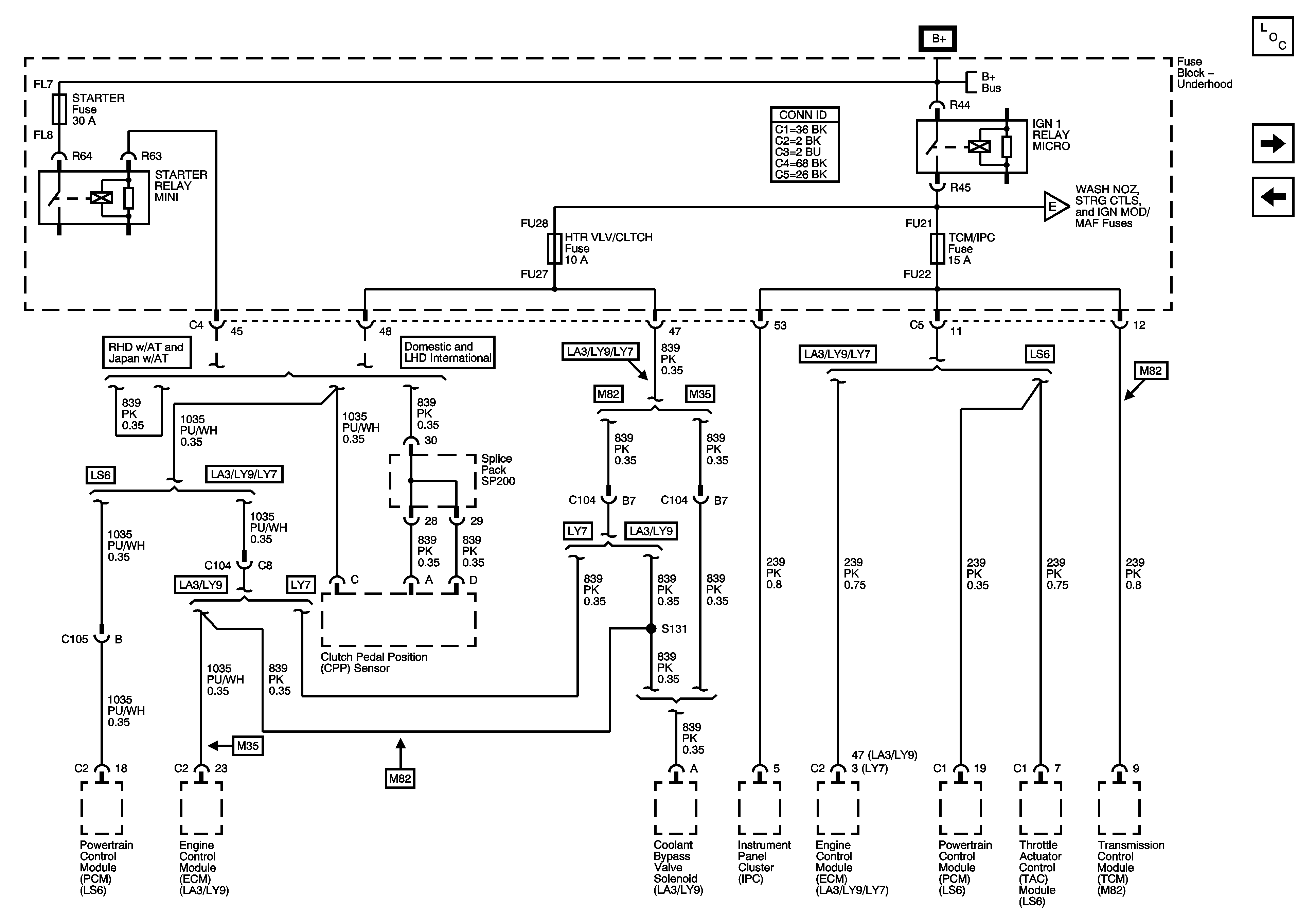
Underhood Fuse Block STARTER and IGN 1 Relays, HTR VLV/CLTCH and TCM/IPC Fuses
Underhood Fuse Block DIM/ALDL, VOLT CHECK, FLASHER, CCP, ECM/TCM and ABS Fuses
Underhood Fuse Block B+ Bus - 1 of 2
Figure 15:

Underhood Fuse Block STARTER and IGN-1 Relays, HTR VLV/CLTCH and TCM/IPC Fuses


Object Number: 1325917  Size: FS
Master Electrical Component List
Underhood Fuse Block WASH NOZ, STRG CTLS and IGN MOD/MAF Fuses
Underhood Fuse Block Headlamp Fuses/Relays, ACCESSORY Relay, I/P OUTLET, OUTLET, WPR MOD, WPR SW and ELEC PRNDL Fuses
Underhood Fuse Block B+ Bus - 2 of 2
Underhood Fuse Block WASH NOZ, STRG CTLS and IGN MOD/MAF Fuses
Figure 16:

Underhood Fuse Block WASH NOZ, STRG CTLS and IGN MOD/MAF Fuses


Object Number: 1344549  Size: FS
Master Electrical Component List
Left Rear Fuse Block IGN 3 Relay, L FRT HTD SEAT MOD, MEM/ADAPT SEAT, CCP, and HDLP LEVELING and IGN 3 Fuses
Underhood Fuse Block STARTER and IGN 1 Relays, HTR VLV/CLTCH and TCM/IPC Fuses
Underhood Fuse Block STARTER and IGN 1 Relays, HTR VLV/CLTCH and TCM/IPC Fuses
SIR Caution for Zoning
Figure 17:

Left Rear Fuse Block IGN 3 Relay, L FRT HTD SEAT MOD, MEM/ADAPT SEAT, CCP, HDLP LEVELING and IGN 3 Fuses


Object Number: 1325918  Size: FS
Master Electrical Component List
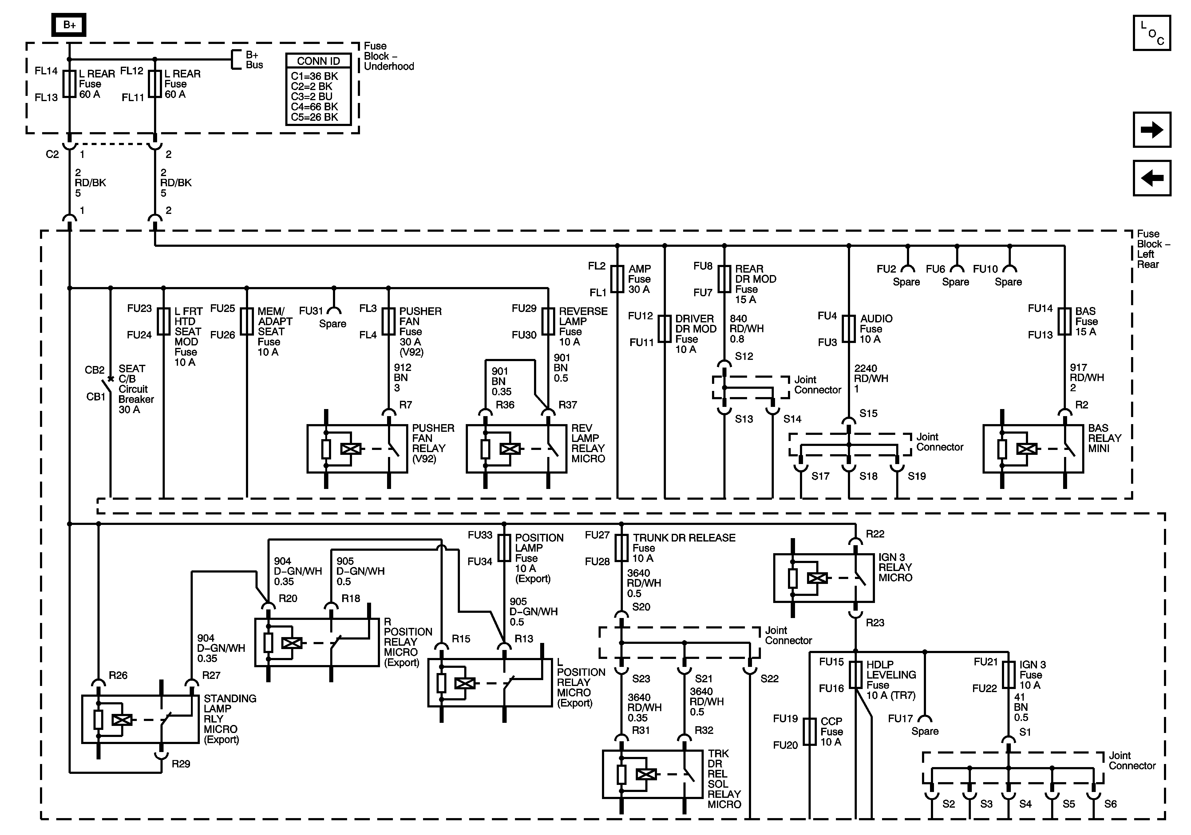
Left Rear Fuse Block SEAT Circuit Breaker, TRUNK Fuse/Relay, AMP, AUDIO, DRIVER DR MOD and REAR DR MOD Fuses
Underhood Fuse Block WASH NOZ, STRG CTLS and IGN MOD/MAF Fuses
Left Rear Fuse Block B+ Bus
Figure 18:

Left Rear Fuse Block SEAT Circuit Breaker,TRUNK Relay/Fuse, AMP, AUDIO, DRIVER DR MOD and REAR DR MOD Fuses


Object Number: 1325921  Size: FS
Master Electrical Component List
Right Rear Fuse Block IGN1 Relay, AIRBAG, RIM, ABS, PSGR DR MOD and TV/VICS Fuses
Left Rear Fuse Block IGN 3 Relay, L FRT HTD SEAT MOD, MEM/ADAPT SEAT, CCP, and HDLP LEVELING and IGN 3 Fuses
Left Rear Fuse Block B+ Bus
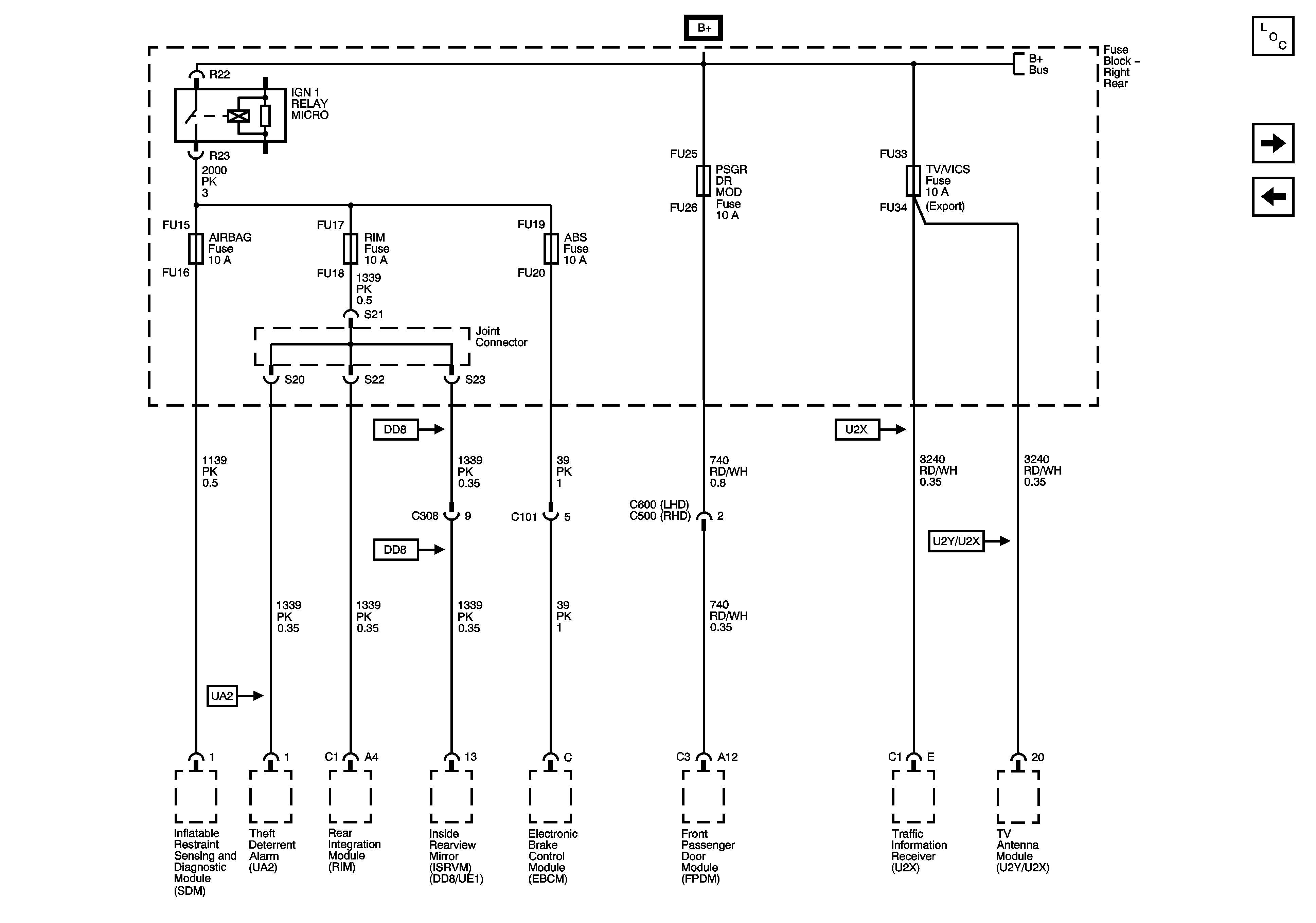
Figure 19:

Right Rear Fuse Block IGN 1 Relay, AIRBAG, RIM, ABS, PSGR DR MOD and TV/VICS Fuses


Object Number: 1325922  Size: FS
Master Electrical Component List
Right Rear Fuse Block DR MOD PWR Circuit Breaker, CANISTER VENT, RIM/IGN SW, R FRT HTD SEAT MOD and POWER SOUNDER Fuses
Left Rear Fuse Block SEAT Circuit Breaker, TRUNK Fuse/Relay, AMP, AUDIO, DRIVER DR MOD and REAR DR MOD Fuses
Right Rear Fuse Block B+ Bus
Figure 20:

Right Rear Fuse Block DR MOD PWR Circuit Breaker, CANISTER VENT, RIM/IGN SW, R FRT HTD SEAT MOD and POWER SOUNDER Fuses


Object Number: 1325923  Size: FS
Master Electrical Component List
Right Rear Fuse Block IGN1 Relay, AIRBAG, RIM, ABS, PSGR DR MOD and TV/VICS Fuses
Right Rear Fuse Block B+ Bus